电脑桌面
添加小米粒文库到电脑桌面
安装后可以在桌面快捷访问

政工程-雨水管线施工交底VIP免费

政工程-雨水管线施工交底_第1页
1/18
政工程-雨水管线施工交底_第2页
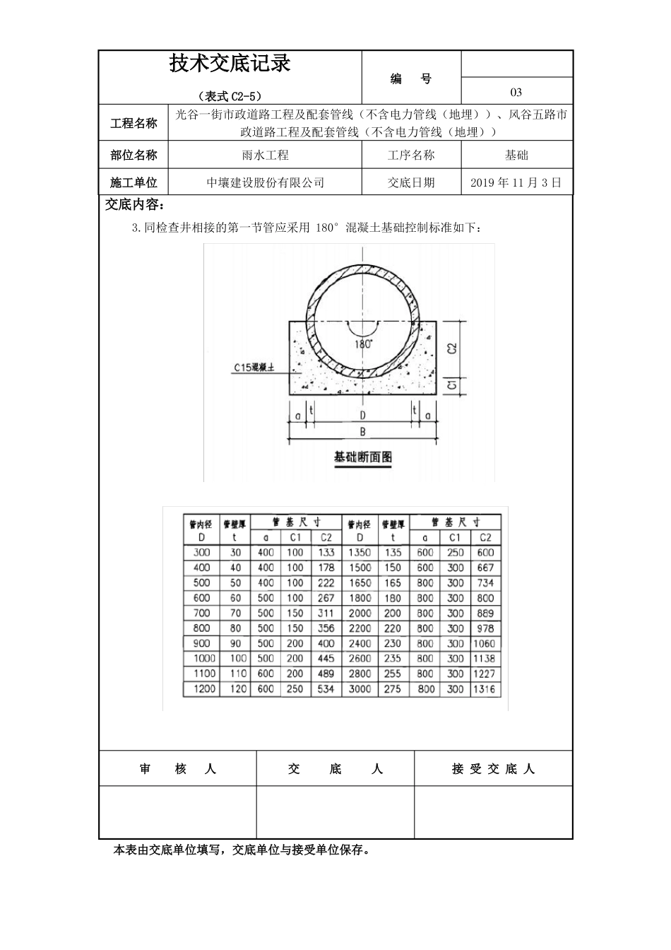
2/18
政工程-雨水管线施工交底_第3页
3/18
技术交底记录(表式C2-5)工程名称部位名称施工单位编号01光谷一街市政道路工程及配套管线(不含电力管线(地埋))、风谷五路市政道路工程及配套管线(不含电力管线(地埋))雨水工程中壤建设股份有限公司工序名称交底日期基础2019年11月3日交底内容:一、施工准备1.组织施工人员进行钢筋混凝土管基础技术交底。2.基础铺设前,槽底清理完毕,经过监理验收后方可进行垫层铺设。3.做好施工人员和材料、配套设备准备工作。二、技术要求1.开槽施工管道基础采用150°砂石基础,做法及材料要求见图集《06MS201-1》,具体选用基础类型见排水设计图,砂石基础材料为粒径不大于25mm的中粗砂、级配砂石、卵石或砾石,压实系数按图集执行。同检查井相接的第一节管应采用180°混凝土基础,做法见《06MS201-1》第18页.2.雨水砂石基础厚度、宽度见附表要求执行。3.砂石基础压实系数(轻型击实):C1:0.85~0.90,C2:≧0.934.施工中如遇地基松软或其他特殊情况,应及时通知监理单位、设计单位及勘查单位,必须经妥善处理后,才能进行管线施工。三、质量标准1.测量控制依据如下:序号123项目厚度高程宽度允许偏差不小于设计规定±20,0不小于设计规定检验频率范围15m15m15m点数111检验方法用尺量长用水准仪测量用尺量长审核人交底人接受交底人本表由交底单位填写,交底单位与接受单位保存。技术交底记录(表式C2-5)工程名称部位名称施工单位编号02光谷一街市政道路工程及配套管线(不含电力管线(地埋))、风谷五路市政道路工程及配套管线(不含电力管线(地埋))雨水工程中壤建设股份有限公司工序名称交底日期基础2019年11月3日交底内容:2.砂石基础施工控制标准如下:审核人交底人接受交底人本表由交底单位填写,交底单位与接受单位保存。技术交底记录(表式C2-5)工程名称部位名称施工单位编号03光谷一街市政道路工程及配套管线(不含电力管线(地埋))、风谷五路市政道路工程及配套管线(不含电力管线(地埋))雨水工程中壤建设股份有限公司工序名称交底日期基础2019年11月3日交底内容:3.同检查井相接的第一节管应采用180°混凝土基础控制标准如下:审核人交底人接受交底人本表由交底单位填写,交底单位与接受单位保存。技术交底记录(表式C2-5)工程名称部位名称施工单位编号04光谷一街市政道路工程及配套管线(不含电力管线(地埋))、风谷五路市政道路工程及配套管线(不含电力管线(地埋))雨水工程中壤建设股份有限公司工序名称交底日期管道安装2019年11月3日交底内容:4.管道安装管道下槽前,必须按产品标准逐节进行外观检验,不符合产品标准者,严禁下槽敷设。用吊车机械将管材放入沟槽。下管时应平稳下沟,不得与沟壁、沟底激烈碰撞。吊装时应有二个支撑吊点,严禁穿心吊。排管顺序应自下游排向上游,承口向上游方向.插口向下游方向,检查井与管道接口处采用半节短管,带承口的应排在检查井的进水入向,带插口的应排在检查井的出水力方向。承插式密封圈连接,必须由管材生产厂配套供应,并由管材生产厂提供并进行连接技术指导。当连接时需要采用润滑剂等辅助材料时,这类材料亦由管材生产厂提供。管子在铺设前,先将管节的承口内表和插口的外表用钢丝刷把油污杂物清除干净,按管径规格选用相应的橡胶密封圈,并套入插口槽内,要求做到四周均匀、平顺、无扭曲,在橡胶圈表面和前节管子的内表涂抹润滑剂。承插式密封圈连接宜在环境温度较高时进行,插口端不得插入到承口底部,应留出不小于10mm的伸缩空隙。在插入前,应在插口端外壁做出插入深度标记。插入完毕后,插入长度和承插口圆周间空缝应均匀,并保持连接管道轴线平直。雨期施工时应采取防止管材上浮的措施。当管道安装完毕尚未覆土而遭到水泡时,应进行管中心和管底高程的复测和外观检测,如发现位移、漂浮、拔口等现象,应及时返工处理。管道安装可采用机械安装,管道吊装可用非金属绳索吊管入槽,依次平稳放在砂砾基础管位上。严禁用金属绳索勾住两端管口或将管材自槽边翻滚至槽中。审核人交底人接受交底人本表由交底单位填写,交底单位与接受单位保存。技术交底记录(表式C2-5)工程名称部位名称施工单位编号05光...

1、当您付费下载文档后,您只拥有了使用权限,并不意味着购买了版权,文档只能用于自身使用,不得用于其他商业用途(如 [转卖]进行直接盈利或[编辑后售卖]进行间接盈利)。
2、本站所有内容均由合作方或网友上传,本站不对文档的完整性、权威性及其观点立场正确性做任何保证或承诺!文档内容仅供研究参考,付费前请自行鉴别。
3、如文档内容存在违规,或者侵犯商业秘密、侵犯著作权等,请点击“违规举报”。

碎片内容

政工程-雨水管线施工交底

确认删除?
VIP
微信客服
  • 扫码咨询
会员Q群
  • 会员专属群点击这里加入QQ群
客服邮箱
回到顶部