电脑桌面
添加小米粒文库到电脑桌面
安装后可以在桌面快捷访问

100000m3储罐防腐保温施工工法VIP免费

100000m3储罐防腐保温施工工法_第1页
1/19
100000m3储罐防腐保温施工工法_第2页
2/19
100000m3储罐防腐保温施工工法_第3页
3/19
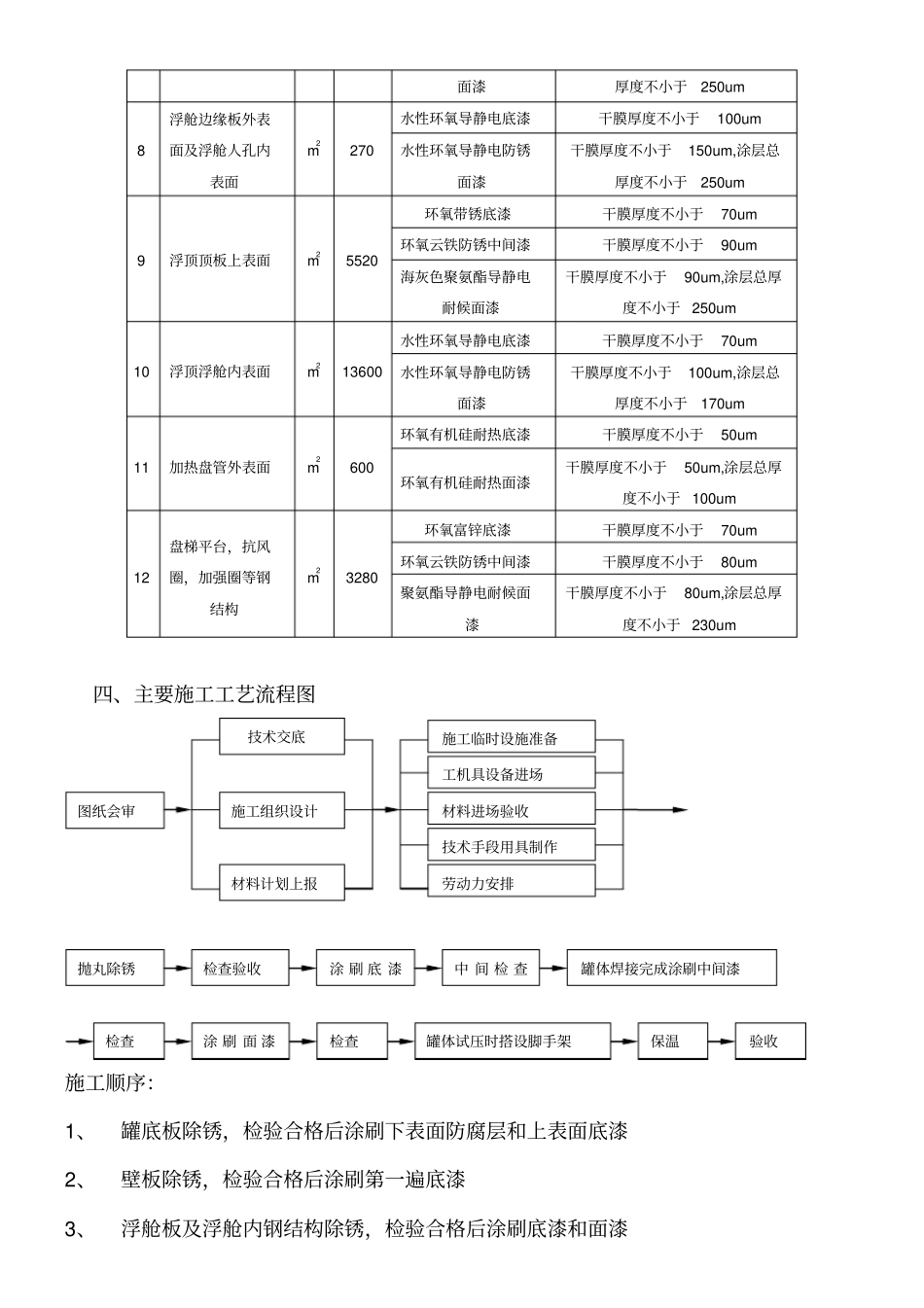
100000m3储罐防腐保温施工工法一、前言本工程为100000m3原油储罐防腐保温工程,该储罐为双盘式浮顶油罐,设计容量100000m3,内径80000mm,高度为21800mm,储存介质为原油,设计压力为常压。罐主体材质采用Q235-B、12MnNiVR及Q345-R,底板边缘板厚11mm,中幅板厚11mm,管壁板最厚达32mm。二、适用范围本施工工法适用于10万方储罐的防腐保温施工三、防腐保温施工工艺及工程量序号部位单位单台数量物资名称技术标准1罐底板下表面m25060可焊性无机富锌漆干膜厚度约70um,最大不超过90um2罐底板上表面m25030环氧富锌底漆干膜厚度不小于70um环氧玻璃鳞片面漆干膜厚度不小于300um,涂层总厚度不小于370um3罐体内表面(距罐顶包边角钢2.4m高范围内)m2710环氧富锌底漆干膜厚度不小于70um环氧云铁防锈中间漆干膜厚度不小于80um白色聚氨酯导静电耐候面漆干膜厚度不小于80um,涂层总厚度不小于230um4罐体内表面(距罐底板2m高范围内)m2780环氧富锌底漆干膜厚度不小于70um环氧玻璃鳞片面漆干膜厚度不小于300um,涂层总厚度不小于350um5罐体外表面(保温部分)m25240环氧富锌底漆干膜厚度不小于80um6罐体外表面(不保温部分)m2280环氧富锌底漆干膜厚度不小于70um环氧云铁防锈中间漆干膜厚度不小于80um白色聚氨酯导静电耐候面漆干膜厚度不小于80um,涂层总厚度不小于230um7浮舱底板下表面m24970水性环氧导静电底漆干膜厚度不小于100um水性环氧导静电防锈干膜厚度不小于150um,涂层总面漆厚度不小于250um8浮舱边缘板外表面及浮舱人孔内表面m2270水性环氧导静电底漆干膜厚度不小于100um水性环氧导静电防锈面漆干膜厚度不小于150um,涂层总厚度不小于250um9浮顶顶板上表面m25520环氧带锈底漆干膜厚度不小于70um环氧云铁防锈中间漆干膜厚度不小于90um海灰色聚氨酯导静电耐候面漆干膜厚度不小于90um,涂层总厚度不小于250um10浮顶浮舱内表面m213600水性环氧导静电底漆干膜厚度不小于70um水性环氧导静电防锈面漆干膜厚度不小于100um,涂层总厚度不小于170um11加热盘管外表面m2600环氧有机硅耐热底漆干膜厚度不小于50um环氧有机硅耐热面漆干膜厚度不小于50um,涂层总厚度不小于100um12盘梯平台,抗风圈,加强圈等钢结构m23280环氧富锌底漆干膜厚度不小于70um环氧云铁防锈中间漆干膜厚度不小于80um聚氨酯导静电耐候面漆干膜厚度不小于80um,涂层总厚度不小于230um四、主要施工工艺流程图施工顺序:1、罐底板除锈,检验合格后涂刷下表面防腐层和上表面底漆2、壁板除锈,检验合格后涂刷第一遍底漆3、浮舱板及浮舱内钢结构除锈,检验合格后涂刷底漆和面漆图纸会审技术交底施工组织设计材料计划上报施工临时设施准备工机具设备进场材料进场验收技术手段用具制作劳动力安排抛丸除锈检查验收涂刷底漆中间检查罐体焊接完成涂刷中间漆检查涂刷面漆检查罐体试压时搭设脚手架验收保温4、壁板滚圆后,涂刷底漆5、加强圈、抗风圈、加热盘管等钢结构除锈,检验合格后涂刷防腐层6、储罐安装完毕后搭设脚手架,检验合格,并在试压前涂刷中间漆和面漆7、储罐试压合格后对焊道除锈及防腐8、罐体保温,检验合格9、罐体整体检验,合格后拆除脚手架五、抛丸除锈、防腐保温操作要点(一)抛丸除锈操作要点1、抛丸除锈在现场的预制厂内进行,预制厂面积月2000m2,划分为四个区域,分别为抛丸除锈区、防腐等待区、防腐加工区、成品区,中间材料的循环采用龙门吊。2、除锈装置采用全自动通过式抛丸除锈生产线3、抛丸除锈工艺:4、操作要点1)表面除锈等级和要求:抛丸除锈等级应符合GB8923-1988标准规定的Sa2.5级标准,表面干燥无灰尘、无油污、无氧化皮、无锈迹,露出灰白色均匀粗燥金属表面。2)抛丸操作:将工件放入橡胶履带滚筒中,操作人员按下“进行”按钮,抛丸室气动关闭,抛丸清理开始,履带向前运行,工件不断向前移动,高效强力抛丸器将金属丸料高速抛射到正在前移的工件表面,工件可完全均匀地得到清理。钢丸通过履带的溜孔流入螺旋输送机,再将抛丸输送到斗室提升机,经斗室提升机到分离器,被分离后存储待用。全面清理过的工件从抛丸机中滚动前移到防腐等待区。3)除锈处理与涂漆工序之间,工件停留的时间尽可能缩短。晴天或潮湿...

1、当您付费下载文档后,您只拥有了使用权限,并不意味着购买了版权,文档只能用于自身使用,不得用于其他商业用途(如 [转卖]进行直接盈利或[编辑后售卖]进行间接盈利)。
2、本站所有内容均由合作方或网友上传,本站不对文档的完整性、权威性及其观点立场正确性做任何保证或承诺!文档内容仅供研究参考,付费前请自行鉴别。
3、如文档内容存在违规,或者侵犯商业秘密、侵犯著作权等,请点击“违规举报”。

碎片内容

100000m3储罐防腐保温施工工法

确认删除?
VIP
微信客服
  • 扫码咨询
会员Q群
  • 会员专属群点击这里加入QQ群
客服邮箱
回到顶部