电脑桌面
添加小米粒文库到电脑桌面
安装后可以在桌面快捷访问

2012年广州天河区化学中考模拟试题VIP免费

2012年广州天河区化学中考模拟试题_第1页
1/8
2012年广州天河区化学中考模拟试题_第2页
2/8
2012年广州天河区化学中考模拟试题_第3页
3/8
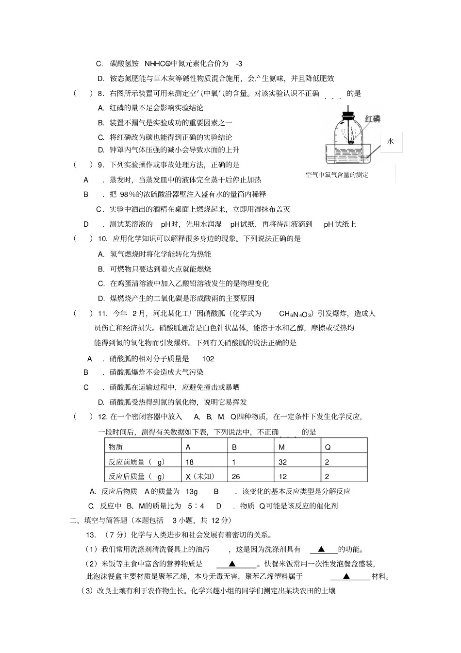
中考化学模拟试卷(二)(全卷共60分,考试时间60分钟)可能用到的相对原子质量:H-1C-12O-16N-14Fe-56一、选择题(每小题只有一个选项符合题意;每小题2分,共24分)()1.右图提到的“低碳生活”是指生活中要减少能量消耗,从而降低碳特别是二氧化碳的排放。下列做法不属于...“低碳生活”方式的是A.经常使用一次性木筷和塑料餐具B.尽量使用公共交通工具或步行C.大量使用节能技术和节能用具D.广泛使用太阳能和风能等清洁能源()2.科学家合成了一种由4个氧原子构成的氧分子(O4),并用质谱仪探测到了它的存在。下列有关说法正确的是A.O4是一种新型的化合物B.一个O4分子中含有2个O2分子C.O4和O2的性质完全相同D.O4和O2混合形成的是混合物()3.宏观与微观相互联系是化学最特征的思维方式。下列对宏观现象的微观解释错误..的是A.春天百花盛开,花香四溢——分子在不断的运动B.温度计受热时水银柱上升,是因为汞原子受热时体积变大C.蔗糖溶于水后固体消失且不导电,是因为蔗糖以分子的形式分散到水中D.过氧化氢分解产生水和氧气说明分子在化学变化中可以再分()4.铜在空气中长时间放置会生锈,铜锈受热时的反应如下:Cu2(OH)2CO22x+H2O+CO2↑则下列判断正确的是A.x的化学式是Cu(OH)2B.铜锈分解反应前后的固体质量差为生成CO2的质量C.铜生锈是铜与空气中的氧气、水共同作用的结果D.铜生锈是缓慢氧化,在反应过程中一定伴随能量的变化()5.X、Y、Z为三种金属,X、Y放入稀硫酸中均能放出氢气,Z与稀硫酸不反应,将X放入Y(NO3)2溶液中,有Y单质析出。X、Y、Z的活动性由强到弱的顺序是A.Y>X>ZB.X>Z>YC.X>Y>ZD.Z>X>Y()6.空气是一种重要的自然资源。下列有关空气各成分的说法正确的是A.氧气的化学性质比较活泼,属于可燃物B.氮气的化学性质不活泼,可用于填充灯泡做保护气C.空气质量报告中所列的空气质量级别越大,空气质量越好D.二氧化碳在空气中含量增多会引起温室效应,属于空气污染物()7.农业生产离不开化肥。下列关于化肥的说法不正确...的是A.硝酸钾属于钾肥B.可以用水鉴别硝酸铵和氢氧化钠两种固体空气中氧气含量的测定水C.碳酸氢铵NH4HCO3中氮元素化合价为-3D.铵态氮肥能与草木灰等碱性物质混合施用,会产生氨味,并且降低肥效()8.右图所示装置可用来测定空气中氧气的含量。对该实验认识不正确...的是A.红磷的量不足会影响实验结论B.装置不漏气是实验成功的重要因素之一C.将红磷改为碳也能得到正确的实验结论D.钟罩内气体压强的减小会导致水面的上升()9.下列实验操作或事故处理方法,正确的是A.蒸发时,当蒸发皿中的液体完全蒸干后停止加热B.把98%的浓硫酸沿器壁注入盛有水的量筒内稀释C.实验中洒出的酒精在桌面上燃烧起来,立即用湿抹布盖灭D.测试某溶液的pH时,先用水润湿pH试纸,再将待测液滴到pH试纸上()10.应用化学知识可以解释很多身边的现象。下列说法正确的是A.氢气燃烧时将化学能转化为热能B.可燃物只要达到着火点就能燃烧C.在鸡蛋清溶液中加入乙酸铅溶液发生的是物理变化D.煤燃烧产生的二氧化碳是形成酸雨的主要原因()11.今年2月,河北某化工厂因硝酸胍(化学式为CH6N4O3)引发爆炸,造成人员伤亡和经济损失。硝酸胍通常是白色针状晶体,能溶于水和乙醇,摩擦或受热均能得到氮的氧化物而引发爆炸。下列有关硝酸胍的说法正确的是A.硝酸胍的相对分子质量是102B.硝酸胍爆炸不会造成大气污染C.硝酸胍在运输过程中,应避免撞击或暴晒D.硝酸胍受热得到氮的氧化物,说明它易挥发()12.在一个密闭容器中放入A、B、M、Q四种物质,在一定条件下发生化学反应,一段时间后,测得有关数据如下表,下列说法中,不正确...的是物质ABMQ反应前质量(g)181322反应后质量(g)X(未知)26122A.反应后物质A的质量为13gB.该变化的基本反应类型是分解反应C.反应中B、M的质量比为5∶4D.物质Q可能是该反应的催化剂二、填空与简答题(本题包括3小题,共12分)13.(7分)化学与人类进步和社会发展有着密切的关系。(1)我们常用洗涤剂清洗餐具上的油污,这是因为洗涤剂具有▲的功能。(2)米饭等主食中富含的营...

1、当您付费下载文档后,您只拥有了使用权限,并不意味着购买了版权,文档只能用于自身使用,不得用于其他商业用途(如 [转卖]进行直接盈利或[编辑后售卖]进行间接盈利)。
2、本站所有内容均由合作方或网友上传,本站不对文档的完整性、权威性及其观点立场正确性做任何保证或承诺!文档内容仅供研究参考,付费前请自行鉴别。
3、如文档内容存在违规,或者侵犯商业秘密、侵犯著作权等,请点击“违规举报”。

碎片内容

2012年广州天河区化学中考模拟试题

文库响当当+ 关注
实名认证
内容提供者

该用户很懒,什么也没介绍

确认删除?
VIP
微信客服
  • 扫码咨询
会员Q群
  • 会员专属群点击这里加入QQ群
客服邮箱
回到顶部