电脑桌面
添加小米粒文库到电脑桌面
安装后可以在桌面快捷访问

江苏省东台市唐洋镇中学九年级物理上册《13.3 电流和电流表的使用》教案 苏科版VIP免费

江苏省东台市唐洋镇中学九年级物理上册《13.3 电流和电流表的使用》教案 苏科版_第1页
1/6
江苏省东台市唐洋镇中学九年级物理上册《13.3 电流和电流表的使用》教案 苏科版_第2页
2/6
江苏省东台市唐洋镇中学九年级物理上册《13.3 电流和电流表的使用》教案 苏科版_第3页
3/6
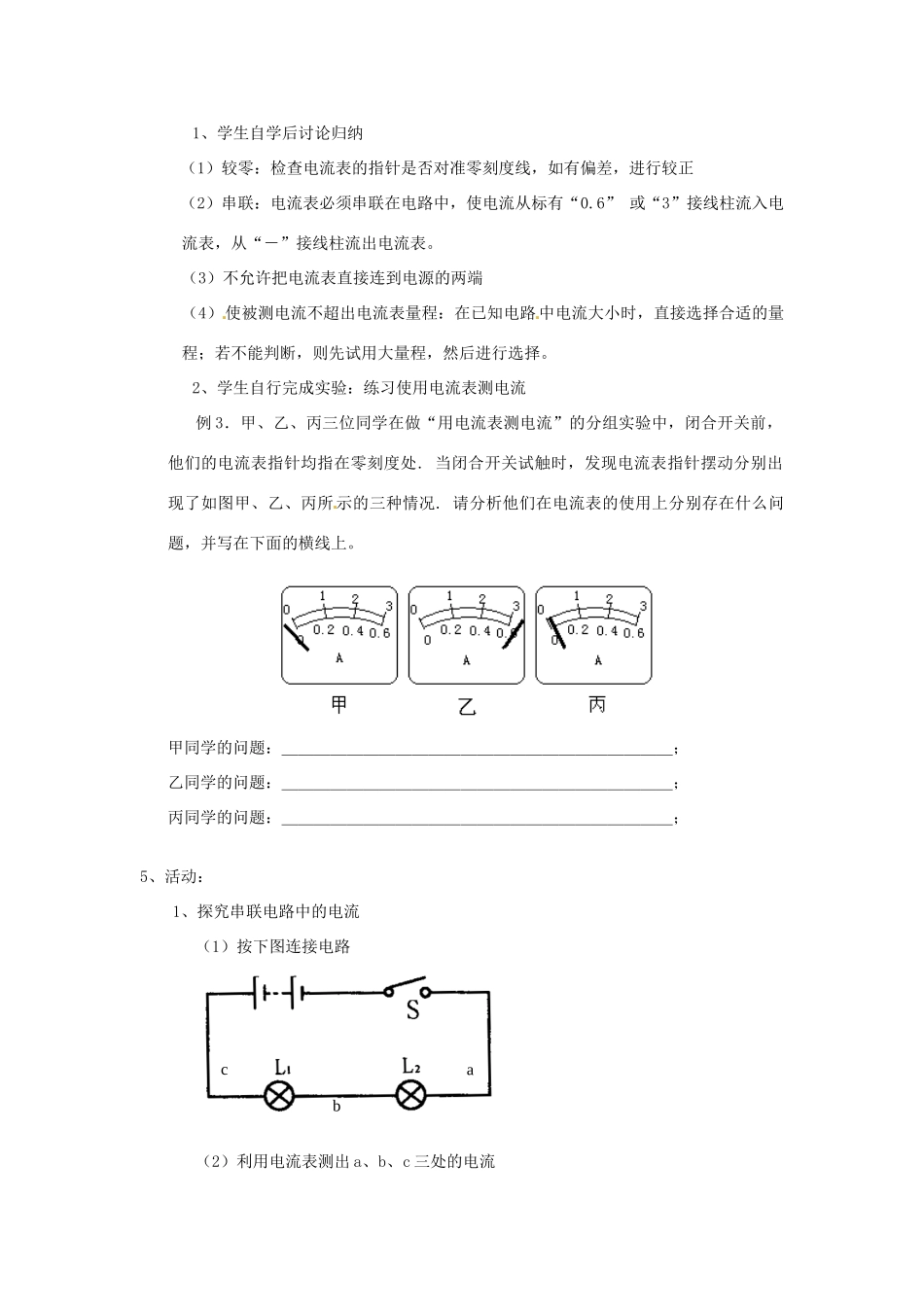
《13.3电流和电流表的使用》教案教学目标:1、知道电流的形成。(A)2、知道电流的单位,会进行单位间的换算及能知道身边常用家电的电流值。(A)3、通过观察电流表,认识电流表的结构,阅读使用说明书及讨论交流,会电流表的读数和正确使用。(A)4、通过观察电流表的使用图片,能发现和指出电流表使用过程中的常见错误。(B)5、通过实验研究串联电路中电流的关系(B)6、通过实验研究并联电路中电流的关系(B)7、通过学生实验培养学生使用电学仪器的技能和良好习惯(C)重点难点:重点1、电流表的使用、串、并联电路的电流特点难点1、电流概念的建立、电流表的使用方法教学过程一、前提测评1、在如图所示的电路图中,属于串联电路的有(),属于并联电路的有(),已经短路的有(),开关闭合后出现短路的有()。2、如图所示的电路中,闭合开关S后,电路将是()(断/通/短)路,要使电路中两灯串联,则应拆除导线()。二、以学定教1.通过类比法,由水流介绍电流的形成。演示:水流通过水轮机使其转动。问题:水轮机为什么会转动?演示:用一节电池给小灯泡通电,灯泡发光。提问:灯泡为什么能发光?引入电流。观看水流形成和电灯发光的图片,体会类比的方法,形成电流的初步概念。水流通过水轮机,能使水轮机转动起来,与此类似,电流流过灯丝,能使电灯发光。2.电流的定义1、创设情境,提出问题实验演示:当电路中只有一个小电灯时,让学生观察灯泡的发光亮度;再串联一个小电灯时,观察电灯的亮度。通过实验现象,了解电路中的电流的强度发生了变化2、在物理学中,我们用电流强度来表示电路中的电流的大小,并用字母I来表示。介绍电流的单位:安培(安)符号A其他单位:毫安(mA)微安(μA)例1.完成下列单位换算:⑴0.6A=___mA=___μA;⑵200mA=___A=___μA;⑶50μA=___mA=___A。3.身边的电流值学生阅读书本63页的身边的电流值例2.如图1所示为我们常见的家用电器,关于它们正常工作时的电流,下列说法中合理的是()A.电风扇约2AB.电冰箱约1AC.电视机约2AD.台灯约1A4.电流表1、在实验室中有一中测量电流大小的仪器,叫电流表。2、出示教学演示电流表、学生电流表:电流表的表盘上有一个字母A,用此表测量的电流值的单位是安培。3、引导学生观察演示电流表。“-”是公用接线柱,“0.6”或“3”是“+”接线柱.教材图(a)中电流表的量程为____A,分度值为____A,读数时应以刻度盘的___(上方/下方)的刻度为准,此时读数为___A。教材图(b)中电流表的量程为____A,分度值为____A,读数时应以刻度盘的___(上方/下方)的刻度为准,此时读数为___A。4、电流表的使用方法1、学生自学后讨论归纳(1)较零:检查电流表的指针是否对准零刻度线,如有偏差,进行较正(2)串联:电流表必须串联在电路中,使电流从标有“0.6”或“3”接线柱流入电流表,从“-”接线柱流出电流表。(3)不允许把电流表直接连到电源的两端(4)使被测电流不超出电流表量程:在已知电路中电流大小时,直接选择合适的量程;若不能判断,则先试用大量程,然后进行选择。2、学生自行完成实验:练习使用电流表测电流例3.甲、乙、丙三位同学在做“用电流表测电流”的分组实验中,闭合开关前,他们的电流表指针均指在零刻度处.当闭合开关试触时,发现电流表指针摆动分别出现了如图甲、乙、丙所示的三种情况.请分析他们在电流表的使用上分别存在什么问题,并写在下面的横线上。甲同学的问题:________________________;乙同学的问题:________________________;丙同学的问题:________________________;5、活动:1、探究串联电路中的电流(1)按下图连接电路(2)利用电流表测出a、b、c三处的电流abc(3)换上不同的电灯,再次测量三处的电流(4)通过实验数据,组织学生讨论串联电路中的电流特点:串联电路中的电路处处相等2、探究并联电路中的电流(1)按下图连接电路(2)利用电流表测出干路中电流和两条之路中电流(3)通过实验数据,组织学生讨论并联电路中的电流特点...

1、当您付费下载文档后,您只拥有了使用权限,并不意味着购买了版权,文档只能用于自身使用,不得用于其他商业用途(如 [转卖]进行直接盈利或[编辑后售卖]进行间接盈利)。
2、本站所有内容均由合作方或网友上传,本站不对文档的完整性、权威性及其观点立场正确性做任何保证或承诺!文档内容仅供研究参考,付费前请自行鉴别。
3、如文档内容存在违规,或者侵犯商业秘密、侵犯著作权等,请点击“违规举报”。

碎片内容

江苏省东台市唐洋镇中学九年级物理上册《13.3 电流和电流表的使用》教案 苏科版

您可能关注的文档

确认删除?
VIP
微信客服
  • 扫码咨询
会员Q群
  • 会员专属群点击这里加入QQ群
客服邮箱
回到顶部