电脑桌面
添加小米粒文库到电脑桌面
安装后可以在桌面快捷访问

2013年甘肃建筑与装饰工程预算定额说明含章节说明VIP免费

2013年甘肃建筑与装饰工程预算定额说明含章节说明_第1页
1/48
2013年甘肃建筑与装饰工程预算定额说明含章节说明_第2页
2/48
2013年甘肃建筑与装饰工程预算定额说明含章节说明_第3页
3/48
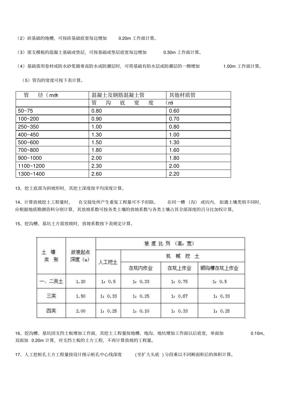
甘肃省建筑与装饰工程预算定额(2013)计算规则第一章、土石方工程工程量计算规则及说明一、工程量计算规则1、土石方工程定额中的土壤及岩石类别,依据勘察设计单位的勘察资料和下表确定:2、土方体积,均以挖掘前的天然密实体积以m3计算。3、挖土应按设计室外地坪标高为准计算。设计标高与自然标高差所发生的挖土或填土应另行计算。4、土方运输体积=挖土体积-(回填土体积×1.2),计算结果是正值时为余土外运,计算结果是负值时为土方回运。5、回填土体积=挖土体积-设计室外地坪以下埋设的砌(浇)筑物所占的体积。计算管道沟的回填土时,应减去直径在500mm以上的管道所占的体积,直径在500mm以下的管道所占体积可不扣除。每m长管道应减去土方的体积,按下表计算:项目管道直径(mm)501~600601~800801~10001001~12001201~14001401~1600应减去土方体积(m3)钢管0.210.440.71---铸铁管0.240.490.77---混凝土及钢筋混凝土管0.330.600.921.151.351.556、平整场地是指厚度在0.30m以内的挖、填、找平,以㎡计算。建筑物或构筑物的平整场地工程量应按外墙外边线,每边各加2m计算。7、原土夯实、碾压,按设计图示尺寸以㎡计算。8、填土夯实、碾压,按设计图示尺寸以m3计算。9、凡平整场地厚度在0.30m以上,地槽(沟)底宽度在7m以上及地坑底面积在150㎡以上的挖土,均按挖土方计算。凡坑底面积在150㎡以内的挖土,按挖地坑计算。10、凡地槽、地沟底宽在7m以内,且地槽、地沟长度大于地槽、地沟底宽3倍的挖土,应按挖地槽、地沟土方计算。11、地槽、地沟的长度应按下列规定计算:(1)外墙的地槽按地槽中心线长度计算,内墙的地槽按地槽底部净长度计算,地槽边突出部分的体积应并入地槽内计算。(2)主地沟按中心线长度计算,支地沟按净长度计算。地沟中各种井类及管道(不含铸铁管)接口等处需加宽增加的土方量,除底面积大于20㎡的井类挖土可将增加工程量并入管沟内计算外,其他均不应增加计算。(3)地沟中铺设铸铁管时,其管道接口处增加的挖土工程量,应按铸铁管道沟槽全部土方工程量增加2.5%计算。12、地槽、地沟底部宽度应按设计规定计算,设计无规定时,可按下列规定计算:(1)块石基础的地槽,可按块石基础底宽每边增加0.15m工作面计算。(2)砖基础的地槽,可按砖基础底宽每边增加0.20m工作面计算。(3)需支模板的混凝土基础或垫层,可按基础或垫层底宽每边增加0.30m工作面计算。(4)基础需用卷材或防水砂浆做垂直防水或防潮层时,可将基础有防水层或防潮层的一侧增加1.00m工作面计算。(5)管沟的宽度可按下表计算。管径(mm)混凝土及钢筋混凝土管其他材质管管沟底宽度(m)50~750.800.60100~2000.900.70250~3501.000.80400~4501.301.00500~6001.501.30700~8001.801.60900~10002.001.801100~12002.302.001300~14002.602.2013、挖土底部为斜坡形时,其挖土深度按平均深度计算。14、计算放坡挖土工程量时,在交接处所产生重复工程量可不予扣除。在同一槽(沟)或坑内,如遇土壤类别不同时,应根据地质勘测资料分别计算,其放坡系数可按各类土壤的放坡系数与各类土壤占其全部深度的百分比加权计算。15、挖沟槽、基坑土方需放坡时,放坡系数按下表规定计算。16、挖沟槽、基坑因支挡土板增加工作面,其挖土工程量按地槽、地沟、地坑增加工作面以后底宽,单面加0.10m,双面加0.20m计算,对支挡土板的土方工程,不再计算放坡的工程量。17、人工挖桩孔土方工程量按设计图示桩孔中心线深度(至扩大头底)分段乘以不同断面积后的体积计算。18、石方一般开挖及平整,按设计图示尺寸以m3计算。19、石方沟槽或地坑开挖,按设计图示尺寸另加允许超挖量以m3计算。允许超挖厚度:较软岩按0.20m计算,较硬岩按0.18m计算,坚硬岩按0.15m计算。20、土、石方运输的运距,应按下列规定计算:(1)装载机、推土机推土运距:按挖方区重心至回填区(或堆放地点)重心之间的直线距离计算。(2)铲运机运土运距:按挖方区重心至卸土区重心加转向距离45m计算。(3)自卸汽车运土、石运距:按挖方区重心至填土区(或堆放地点)重心的最短距离计算。21、挖掘机挖土方的定额项目内已综合了机械挖不到需人工开...

1、当您付费下载文档后,您只拥有了使用权限,并不意味着购买了版权,文档只能用于自身使用,不得用于其他商业用途(如 [转卖]进行直接盈利或[编辑后售卖]进行间接盈利)。
2、本站所有内容均由合作方或网友上传,本站不对文档的完整性、权威性及其观点立场正确性做任何保证或承诺!文档内容仅供研究参考,付费前请自行鉴别。
3、如文档内容存在违规,或者侵犯商业秘密、侵犯著作权等,请点击“违规举报”。

碎片内容

2013年甘肃建筑与装饰工程预算定额说明含章节说明

文库响当当+ 关注
实名认证
内容提供者

该用户很懒,什么也没介绍

确认删除?
VIP
微信客服
  • 扫码咨询
会员Q群
  • 会员专属群点击这里加入QQ群
客服邮箱
回到顶部