电脑桌面
添加小米粒文库到电脑桌面
安装后可以在桌面快捷访问

2016初中物理中考复习各章节基本知识题VIP免费

2016初中物理中考复习各章节基本知识题_第1页
1/50
2016初中物理中考复习各章节基本知识题_第2页
2/50
2016初中物理中考复习各章节基本知识题_第3页
3/50
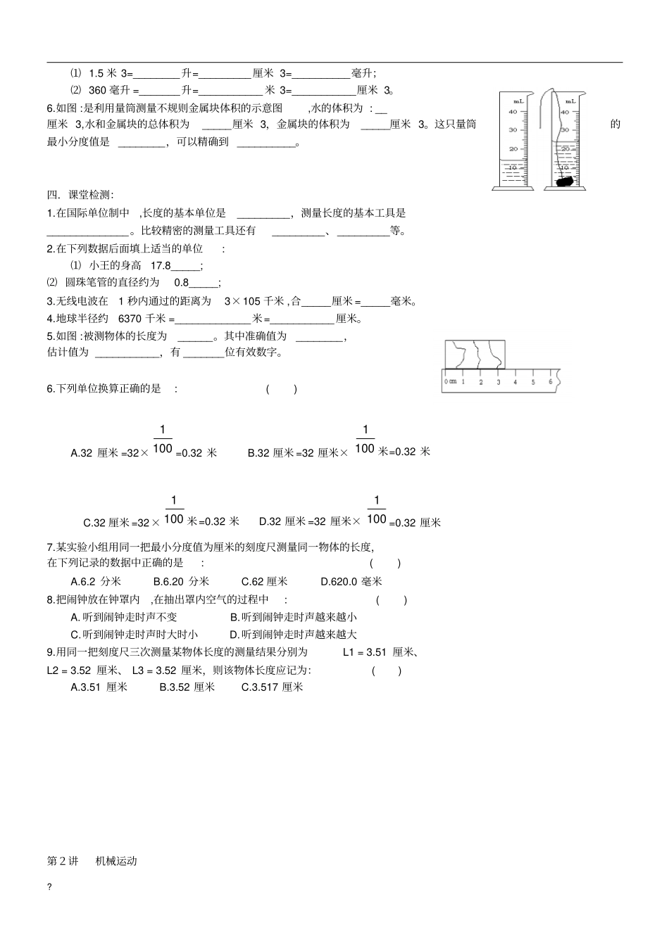
?第1讲测量声现象一.学习目标:1.知道测量结果由数值和单位组成。2.知道测量长度的基本工具是刻度尺,会用刻度尺测量长度。3.会用量筒(杯)测量物体的体积。4.会进行长度及体积的单位换算。5.知道声音的发生及传播条件;知道声音在空气中的传播速度。二.知识整理:(一)长度测量:1.单位:在国际单位制中,长度的基本单位是_______;常用的还有、、、、和_等。它们之间的换算关系为:1m=_______Km=_______dm=_______cm=______mm=__________nm。2.工具:测量长度的基本工具是_________,使用它测量物体的长度时要做到:齐:靠:正:准:(二)体积测量:1.在实验室里常用_______________或________________来测物体的体积。2.用量筒测液体体积时,视线要跟凹形液面的___________部或凸形液面的____________部相平(即平视)。3._________________叫做误差,它是_________(填“可以”或“不可以”)完全避免的。(三)声音的产生和传播:1.声音是由于___________________________而产生的。2.声音的传播需要__________,__________不能传声,声音在空气中的传播速度是_________米/秒。3.乐音的三要素是指:______、______和_______。____________跟声源的振动的频率有关;______________跟声源的振动幅度有关。三.例题及巩固练习:1.单位换算(要求写出换算过程)⑴0.56米=____________________=__________厘米;⑵35毫米=____________________=__________米;⑶1.53×106千米=______________=__________毫米;⑷4.76×104微米=______________=__________米。⑸0.5纳米=_________米=_________毫米=________微米(不写过程)。2.下列空格中填上合适的单位:⑴某同学身高为1.64________;⑵物理课本一张纸的厚度约为70_______;⑶窗玻璃的厚度为2.5_______;⑷一号干电池的长度约为6_____。3.如图:使用刻度尺测量物体长度,其中正确的是:()ABCD4.如图所示:物体的长度是____________________。5.单位换算:?⑴1.5米3=________升=_________厘米3=__________毫升;⑵360毫升=_______升=___________米3=___________厘米3。6.如图:是利用量筒测量不规则金属块体积的示意图,水的体积为:__厘米3,水和金属块的总体积为_____厘米3,金属块的体积为_____厘米3。这只量筒的最小分度值是________,可以精确到__________。四.课堂检测:1.在国际单位制中,长度的基本单位是_________,测量长度的基本工具是______________。比较精密的测量工具还有_________、_________等。2.在下列数据后面填上适当的单位:⑴小王的身高17.8_____;⑵圆珠笔管的直径约为0.8_____;3.无线电波在1秒内通过的距离为3×105千米,合_____厘米=_____毫米。4.地球半径约6370千米=_____________米=___________厘米。5.如图:被测物体的长度为______。其中准确值为________,估计值为___________,有_______位有效数字。6.下列单位换算正确的是:()A.32厘米=32×1001=0.32米B.32厘米=32厘米×1001米=0.32米C.32厘米=32×1001米=0.32米D.32厘米=32厘米×1001=0.32厘米7.某实验小组用同一把最小分度值为厘米的刻度尺测量同一物体的长度,在下列记录的数据中正确的是:()A.6.2分米B.6.20分米C.62厘米D.620.0毫米8.把闹钟放在钟罩内,在抽出罩内空气的过程中:()A.听到闹钟走时声不变B.听到闹钟走时声越来越小C.听到闹钟走时声时大时小D.听到闹钟走时声越来越大9.用同一把刻度尺三次测量某物体长度的测量结果分别为L1=3.51厘米、L2=3.52厘米、L3=3.52厘米,则该物体长度应记为:()A.3.51厘米B.3.52厘米C.3.517厘米第2讲机械运动?一.学习目标:1.知道机械运动;知道运动和静止的相对性。2.知道匀速直线运动。3.理解速度的概念、公式及其单位。4.知道平均速度。二.知识整理:1.机械运动的分类:匀速直线运动直线运动机械运动变速直线运动曲线运动2._____________________叫机械运动;___________________叫参照物。3.物理学中常用速度来表示物体运动的_____________________。4.___________________________叫做速度,速度的单位是___________,读作__________________。5.速度的公式是:______________;式中每个字母分别代表哪个物理量:_______________________________...

1、当您付费下载文档后,您只拥有了使用权限,并不意味着购买了版权,文档只能用于自身使用,不得用于其他商业用途(如 [转卖]进行直接盈利或[编辑后售卖]进行间接盈利)。
2、本站所有内容均由合作方或网友上传,本站不对文档的完整性、权威性及其观点立场正确性做任何保证或承诺!文档内容仅供研究参考,付费前请自行鉴别。
3、如文档内容存在违规,或者侵犯商业秘密、侵犯著作权等,请点击“违规举报”。

碎片内容

2016初中物理中考复习各章节基本知识题

确认删除?
VIP
微信客服
  • 扫码咨询
会员Q群
  • 会员专属群点击这里加入QQ群
客服邮箱
回到顶部