电脑桌面
添加小米粒文库到电脑桌面
安装后可以在桌面快捷访问

PB管施工工法VIP免费

PB管施工工法_第1页
1/7
PB管施工工法_第2页
2/7
PB管施工工法_第3页
3/7
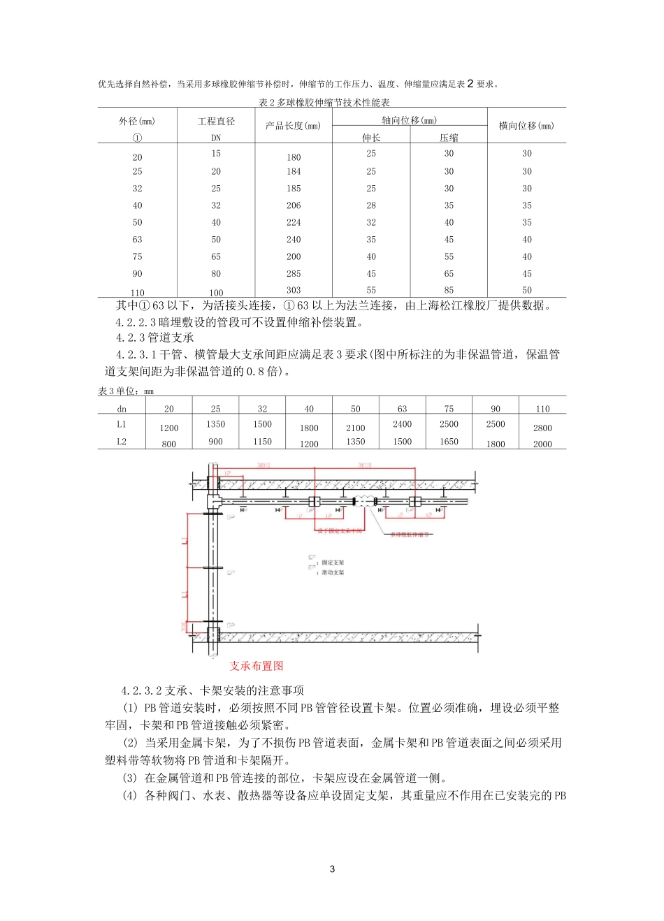
1PB管安装工法(JS/BZ-GF04/SN-04)1前言PB管采用聚丁烯制成,在任何温度及压力下比其他塑料管材的使用寿命长,是国际上广泛认可的产品。目前,PB管应用范围越来越广阔,包括在室内的冷热水系统、室内的采暖系统、直接饮用的纯净水供水系统、工业用管、农业用管、园艺用管、空调冷冻水管、冷凝水管、冷却水管等。根据以往的施工经验,结合相关资料,总结形成本工法。2工法特点该工法详细说明了PB管材的施工工艺,包括管道连接、管道伸缩、管道支承等,也针对劳动组织、机具设备、质量控制、安全措施等作出了详细的阐述,能保证PB管道安装的质量、进度以及施工安全,实现现场生产效率的提高,具有较强的可操作性。3适用范围该工法适用于室内各种管道的安装,包括冷水系统、热水系统、室内的采暖系统、直接饮用的纯净水供水系统等。4施工工艺4.1工艺原理4.1.1与其他塑料管不同,PB管耐冻裂、耐热性强、抗冲击;管材弹性大,耐腐蚀性强,柔韧性好;自重轻、强度大,比其他管材轻且柔软,无须施力即可自然弯曲,因此易在狭窄空间施工。4.1.2插接连接将卡环的强结合力和“0”型环的防漏水效果结合为一体,连接件在连接管材和接头后,还可以旋转360度,故可以在敷设困难的狭窄场地进行安装;连接件采用0.1mm误差允许范围内进行质量控制,精度高,误差小。4.2施工工艺4.2.1PB管连接方式4.2.1.1当管径较小,嵌墙或沿垫层敷设时,采用热熔连接,热熔连接PB管、管件加热操作如图1所示:(因隐藏在墙或垫层内,不得采用法兰连接、插接连接)。(1)热熔连接前热熔机具必须先接通电源,达到工作温度后(250〜270°C)指示灯亮后才能开始操作;2PB管连接方法详图(2)其连接方式无需热熔连接、丝接,为插入即可的连接方式插接连接,接头零件包括“0”型环、阻圈、卡环、盖子,容易插入,增加了连接的强度,提高了安装的精密度。4.2.1.3管径较大且安装困难场合时,可以采用电熔连接或法兰连接。4.2.2PB管道伸缩补偿4.2.2.1PB管作为塑料给水管道,长度伸缩受管内水温影响较大,应合理设置伸缩补偿和支承,以控制管道伸缩方向,补偿管道伸缩;管道伸缩长度按照下式计算:AL=T・L・a式中:AL:计算管段伸缩长度(mm)T:计算温度(°C)L:计算管段长度(m)a:线膨胀系数(mm/m.C),取0.154.2.2.2常用的伸缩补偿包括利用管道折角自然补偿、多球橡胶伸缩节等。有条件时应142534217344328442165165226667231849318511(2)切割管材,公称外径热熔深度加热时间加工时间冷却时间22.1138.4.2.1.2管径较大且明装(明装干、立管)时,可以采用插接连接(1)工艺流程切割管推接支撑套管f接头涂润滑油f管材推接接头f管道安装PB管插接连接非常简单,如下图所示:(OfiABnfNGjA、WBfSPACEHWASMH)i斗■子号一碾|3优先选择自然补偿,当采用多球橡胶伸缩节补偿时,伸缩节的工作压力、温度、伸缩量应满足表2要求。表2多球橡胶伸缩节技术性能表外径(mm)①工程直径DN产品长度(mm)轴向位移(mm)横向位移(mm)伸长压缩20151802530302520184253030322518525303040322062835355040224324035635024035454075652004055409080285456545110100303558550其中①63以下,为活接头连接,①63以上为法兰连接,由上海松江橡胶厂提供数据。4.2.2.3暗埋敷设的管段可不设置伸缩补偿装置。4.2.3管道支承4.2.3.1干管、横管最大支承间距应满足表3要求(图中所标注的为非保温管道,保温管道支架间距为非保温管道的0.8倍)。表3单位:mmdn2025324050637590110L1120013501500180021002400250025002800L28009001150120013501500165018002000支承布置图4.2.3.2支承、卡架安装的注意事项(1)PB管道安装时,必须按照不同PB管管径设置卡架。位置必须准确,埋设必须平整牢固,卡架和PB管道接触必须紧密。(2)当采用金属卡架,为了不损伤PB管道表面,金属卡架和PB管道表面之间必须采用塑料带等软物将PB管道和卡架隔开。(3)在金属管道和PB管连接的部位,卡架应设在金属管道一侧。(4)各种阀门、水表、散热器等设备应单设固定支架,其重量应不作用在已安装完的PB4膨胀螺管£直管接管管焊接部位应机械爭除锈后方可焊接管道上。4.2.3.3管道支承大样图(1)固定支架固定支...

1、当您付费下载文档后,您只拥有了使用权限,并不意味着购买了版权,文档只能用于自身使用,不得用于其他商业用途(如 [转卖]进行直接盈利或[编辑后售卖]进行间接盈利)。
2、本站所有内容均由合作方或网友上传,本站不对文档的完整性、权威性及其观点立场正确性做任何保证或承诺!文档内容仅供研究参考,付费前请自行鉴别。
3、如文档内容存在违规,或者侵犯商业秘密、侵犯著作权等,请点击“违规举报”。

碎片内容

PB管施工工法

确认删除?
VIP
微信客服
  • 扫码咨询
会员Q群
  • 会员专属群点击这里加入QQ群
客服邮箱
回到顶部