电脑桌面
添加小米粒文库到电脑桌面
安装后可以在桌面快捷访问

九年级物理电流和电流表的使用同步练习题VIP免费

九年级物理电流和电流表的使用同步练习题_第1页
1/7
九年级物理电流和电流表的使用同步练习题_第2页
2/7
九年级物理电流和电流表的使用同步练习题_第3页
3/7
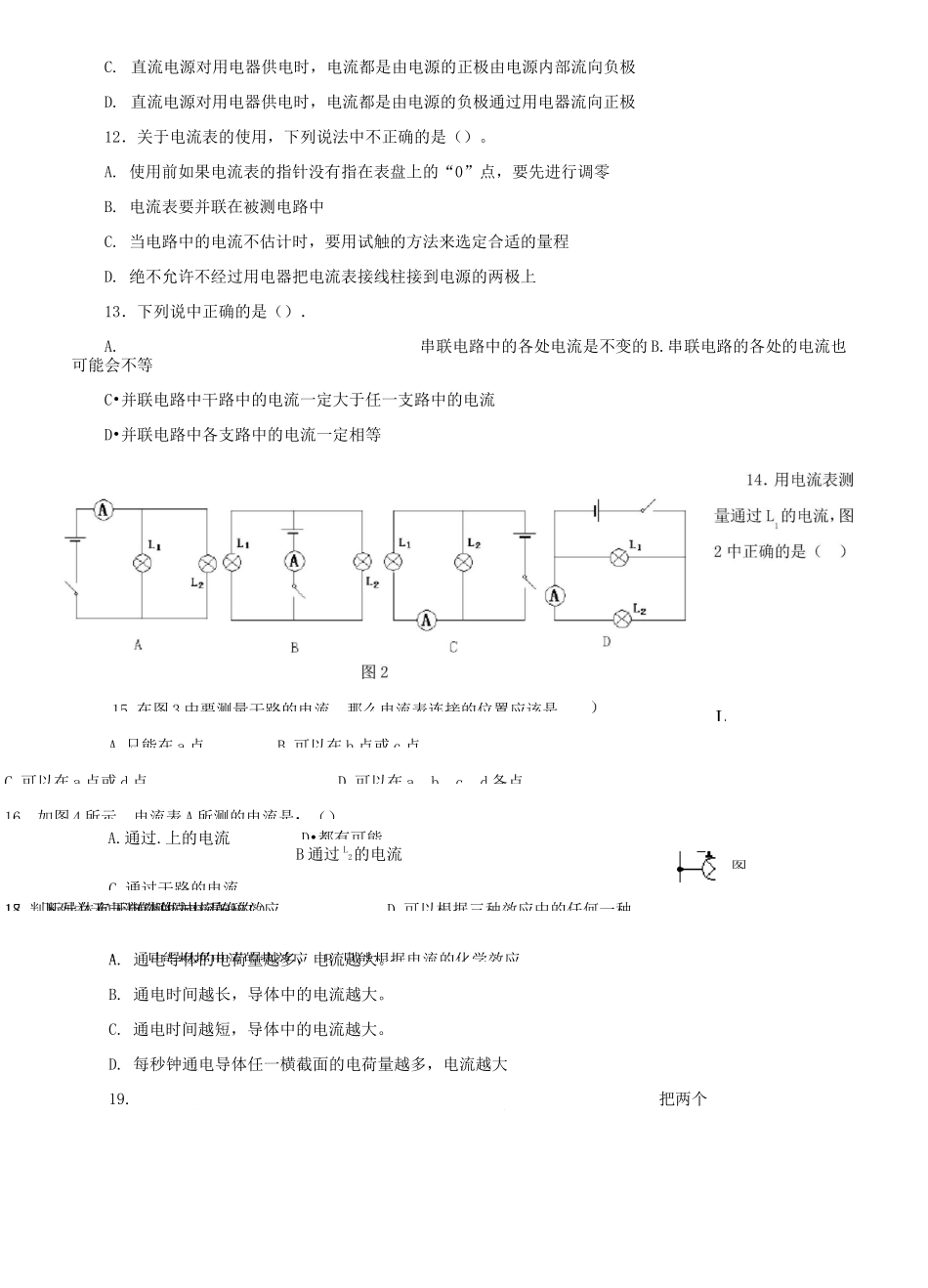
电流电流表的使用”测试题基础训练(A级)填空题1._______________________________电流的大小用来表示,字母符号是,在国际单位制中它的单位是。2.物理学中规定电荷定向移动的方向为电流方向,金属中自由电子实际定向移动的方向和电流方向。3.360HA=mA=A;0.2A=mA=HA.4.测量电流的的专门仪表叫,它在电路中的符号是.电流表在使用之前应先检查指针是否指零,如有偏差则要用螺丝刀旋转表盘上的,将指针调至零位。5.______________________________________________正确使用电流表的规则为:(1)电流表要联在电路中;(2)电流必须从接线柱流进电流表;(3)被测电流不要超过电流表的,将电流表接入电路中时,应先用至安培的量程,若指针示数小于A,再改用至A的量程;(4)绝对不允许而把电流表直接接在电源两极上。6.在用电流表测电路中的电流之前,估计所测的电路中的电流约为0.4A〜0.5A,所用的电流表有“-、0.6A、3A”三个接线柱,测量时应把和两接线柱接入电路,这样测得的结果较为准确.7.如图1所示,该表是表,由图可知,它有两个量程是和,当选第1个量程时,指针所指的电流为A,选第2个量程时,指针所指的电流为A.8._______________________________________电子手表中的电流约为1.5〜2,电子计算器工作时的电流约为0.15:日光灯发光时的电流约为0.15。断开的电路中的特点是电路中电流填“有”或“没有”)。9.在串联电路中,各处的电流;在并联电路中,干路中的总电流等于。10.电流通过导体时会产生多种效应,我们可以根据产生的效应来判断的存在.电流通过灯泡时,灯丝变热而发光,这是电流的效应.二、选择题11.关于电流方向的下列说法中正确的是()。A.电源对用电器供电时,电流都是由电源的正极通过用电器流向负极图B.直流电源对用电器供电时,电流都是由电源的正极通过用电器流向负极LA.只能在a点B.可以在b点或c点C.可以在a点或d点D.可以在a、b、c、d各点16、如图4所示,电流表A所测的电流是:()..A.通过.上的电流B通过L2的电流C.通过干路的电流D•都有可能17.判断导体有无电流的方法是:()A.只能根据电流的热效应。B.只能根据电流的化学效应。C.只有根据电流的磁效应。D.可以根据三种效应中的任何一种。18.下列关于电流的说法中正确的A.通电导体的电荷量越多,电流越大。B.通电时间越长,导体中的电流越大。C.通电时间越短,导体中的电流越大。D.每秒钟通电导体任一横截面的电荷量越多,电流越大19.把两个灯泡串联后接到电源上,合上开关S后,会发现LI比L2亮,贝y()C.直流电源对用电器供电时,电流都是由电源的正极由电源内部流向负极D.直流电源对用电器供电时,电流都是由电源的负极通过用电器流向正极12.关于电流表的使用,下列说法中不正确的是()。A.使用前如果电流表的指针没有指在表盘上的“0”点,要先进行调零B.电流表要并联在被测电路中C.当电路中的电流不估计时,要用试触的方法来选定合适的量程D.绝不允许不经过用电器把电流表接线柱接到电源的两极上13.下列说中正确的是().A.串联电路中的各处电流是不变的B.串联电路的各处的电流也可能会不等C•并联电路中干路中的电流一定大于任一支路中的电流D•并联电路中各支路中的电流一定相等15.在图3中要测量干路的电流,那么电流表连接的位置应该是图C.通过乙导线的电流强度大D.通过乙导线的电量大A.通过.的电流大C.通过两灯的电流一样大B通过L的电流大D.无法判断能力提升(B级)一、填空题1.连接在同一电路中的甲、乙两灯,已知lmin内通过甲灯的电量是12C,1S内通过乙灯的电量是0.3C。则通2._____________________________________________________电风扇工作时的电流是300mA,5min通过它的电荷是c。3.如图6所示,通过灯L、L、L的电流分别为0.1A,0.2A,0.3A,则电流表A的1231示数为A,A?的示数为Ao4.某同学家中有一台电视机、一台电冰箱、一盏日光灯和一台电风扇,它们工流强度是安。5.____________________________________________________________________某同学在用电流表测量电流很大,越过了有刻度的部分,指在没有刻度的地方,这是因为;还有一个同学发现指针偏转角度很小,他应该o6.如图6所示,通...

1、当您付费下载文档后,您只拥有了使用权限,并不意味着购买了版权,文档只能用于自身使用,不得用于其他商业用途(如 [转卖]进行直接盈利或[编辑后售卖]进行间接盈利)。
2、本站所有内容均由合作方或网友上传,本站不对文档的完整性、权威性及其观点立场正确性做任何保证或承诺!文档内容仅供研究参考,付费前请自行鉴别。
3、如文档内容存在违规,或者侵犯商业秘密、侵犯著作权等,请点击“违规举报”。

碎片内容

九年级物理电流和电流表的使用同步练习题

wxg+ 关注
实名认证
内容提供者

该用户很懒,什么也没介绍

确认删除?
VIP
微信客服
  • 扫码咨询
会员Q群
  • 会员专属群点击这里加入QQ群
客服邮箱
回到顶部