电脑桌面
添加小米粒文库到电脑桌面
安装后可以在桌面快捷访问

北师大版生物七年级下册第九章人体内的物质运输第1节血液精品导学案设计VIP免费

北师大版生物七年级下册第九章人体内的物质运输第1节血液精品导学案设计_第1页
1/6
北师大版生物七年级下册第九章人体内的物质运输第1节血液精品导学案设计_第2页
2/6
北师大版生物七年级下册第九章人体内的物质运输第1节血液精品导学案设计_第3页
3/6
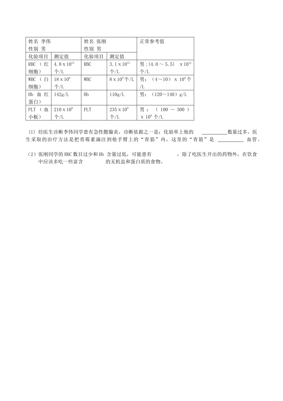
第九章人体内的物质运输第1节血液【学习目标】1、概述血液的组成和功能。2、识别关于血型和输血的有关知识。3、观察血液的成分和人血的永久涂片,培养观察能力。4、解读和识别血常规化验单,体验生活和科学的紧密联系。5、认识血液的重要性,树立正确的健康观。6、认同我国的无偿献血制度,培养社会责任感和奉献精神。学习重难点1、血液的组成和功能。2、血红蛋白的特性。【知识准备】预习【学习内容】一、导入:血液是人体的“生命之源”,在我们的日常生活中也经常听说过或者看到过血液。它在我们的体内起着至关重要的作用。一旦我们的血液出现了问题,那么带给我们的将是危难。b5E2RGbCAP二、学习过程【一】请同学们观察加入抗凝剂已分层的血液(教师课前准备好),思考下列问题。1、血液有和组成。2、血浆是一种色液体,占血液的。3、血浆中以上的是水,其余为、、等。4、血浆的主要功能是,和。p1EanqFDPw【二】请同学们观察人血的永久涂片(教师课前准备好),思考下列问题。1、血细胞包括、、和。2、三种血细胞的比较:项目红细胞白细胞血小板形态、结构呈双面凹的状,细胞核。比红细胞,呈圆球状,细胞核。最的血细胞,形状不规则且细胞核。功能运输。有的作用。有和加速的作用。临床上的应用红细胞数量过少得。白细胞数量过多有。3、血红蛋白是一种色含的蛋白质,在氧含量的地方容易与氧;相反,容易与氧。DXDiTa9E3d4、血清和血浆的区别是。RTCrpUDGiT【三】请同学们自学“输血与血型”,回答下列问题。1、成年人的血量占体重的,一个健康成年人一次失血超过血液总量的,就会有生命危险。5PCzVD7HxA2、ABO血型系统,把血液分为型、、B型和。3、一般来说,输血应以为原则,如找不到同型血,O型血的人为万能,AB型血的人为万能。jLBHrnAILg4、一个健康成年人,一次失血不超过毫升,血浆和血细胞可以在短期内回复正常;一次献血毫升,不影响健康,而且有利于提高自身造血功能。xHAQX74J0X【学习小结】【达标检测】1、当身体由于意外而轻微出血时,具有止血和凝血作用的血液成分是()A、血浆B、红细胞C、白细胞D、血小板2、赵刚在一次事故急需输血,化验后他的血型为AB型,在正常情况下,应给他输入()A、B型B、A型C、O型D、AB型3、皮肤擦伤、血液凝固和加入柠檬酸钠的血液静置后,都会出现淡黄色的液体,它们依次是()A、血清,血浆,组织液B、组织液,血清,血浆C、血浆,血清,组织液D、组织液,血浆,血清4、说明人体血液具有防御保护功能的是()①某些白细胞能吞噬病毒②调节体温③血液将药物送到全身达到治疗的目的④伤口处凝血反应防止出血和病菌侵入A、①②B、②③C、③④D、①④5、观察放入抗凝剂的血液的实验中,将10ml新鲜的人体血液和抗凝剂混合,24小时后,出现了如图所示的分层现象。据图回答问题:LDAYtRyKfE(1)血液中运输养料和废物的成分是图中所示的部分,其主要成分是,除上述功能外,还具有的功能。Zzz6ZB2Ltk(2)氧气进入血液以后,主要有图中血细胞来运输。(3)能吞噬病毒的血细胞存在于图中的部分,能止血和加速凝血的血细胞存在于图中的部分。(4)静置一段时间后,量筒中的C部分会变成色原因是6、(2007,湘潭中考)下表为两位男性患者血常规化验单,请将化验结果与正常值进行对比,分析回答下列问题:dvzfvkwMI1姓名李伟性别男姓名张刚性别男正常参考值化验项目测定值化验项目测定值RBC(红细胞)4.8ⅹ1012个/LRBC3.1ⅹ1012个/L男;(4.0~5.5)ⅹ1012个/LWBC(白细胞)18ⅹ109个/LWBC8ⅹ109个/L男:(4~10)ⅹ109个/LHb血红蛋白)142g/LHb110g/L男:(120~140)g/LPLT(血小板)210ⅹ109个/LPLT235ⅹ109个/L男:(100~300)ⅹ109个/L(1)经医生诊断李伟同学患有急性腮腺炎,诊断依据之一是:化验单上他的数量过多,医生采取的治疗方法是把青霉素滴注到他手臂上的“青筋”内,这里的“青筋”是血管。rqyn14ZNXI(2)张刚同学的RBC数目过少和Hb含量过低,可能患有,除了吃医生开出的药物外,在饮食中应该多吃一些富含的无机盐和蛋白质的食物。EmxvxOtOco

1、当您付费下载文档后,您只拥有了使用权限,并不意味着购买了版权,文档只能用于自身使用,不得用于其他商业用途(如 [转卖]进行直接盈利或[编辑后售卖]进行间接盈利)。
2、本站所有内容均由合作方或网友上传,本站不对文档的完整性、权威性及其观点立场正确性做任何保证或承诺!文档内容仅供研究参考,付费前请自行鉴别。
3、如文档内容存在违规,或者侵犯商业秘密、侵犯著作权等,请点击“违规举报”。

碎片内容

北师大版生物七年级下册第九章人体内的物质运输第1节血液精品导学案设计

文章天下+ 关注
实名认证
内容提供者

各种文档应有尽有

确认删除?
VIP
微信客服
  • 扫码咨询
会员Q群
  • 会员专属群点击这里加入QQ群
客服邮箱
回到顶部