电脑桌面
添加小米粒文库到电脑桌面
安装后可以在桌面快捷访问

2018年湖南普通高中学业水平考试试卷化学真题含答案VIP免费

2018年湖南普通高中学业水平考试试卷化学真题含答案_第1页
1/5
2018年湖南普通高中学业水平考试试卷化学真题含答案_第2页
2/5
2018年湖南普通高中学业水平考试试卷化学真题含答案_第3页
3/5
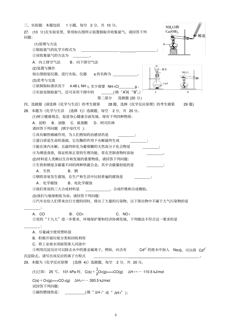
12018年湖南省普通高中学业水平考试化学真题卷可能用到的相对原子质量:H—1C—12N—14O—16Na—23Cl—35.5Ca—40第一部分必做题(80分)一、选择题(本题包括22小题,每小题2分,共44分。每小题只有一个选项符合题意)1.天然气是目前推广使用的清洁燃料,它的主要成分是:A.COB.H2C.CH4D.CH3OH2.下列气体中,对人体无毒害作用的是:A.Cl2B.SO2C.NO2D.O23.贴有右图所示标志的槽罐车内可能装有:A.液氯B.汽油C.浓硫酸D.四氯化碳4.用激光笔照射烧杯中的豆浆时,可看见一条光亮的“通路”,该豆浆属于:A.悬浊液B.乳浊液C.胶体D.溶液5.实验室里的药品是分类存放的。现有一瓶稀盐酸,应放入下列哪个药品柜:药品柜ABCD药品Fe粉Zn粒稀HNO3稀H2SO4KOH溶液NaOH溶液BaCl2溶液Na2SO4溶液6.下列各组微粒,互称为同位素的是:A.63Li和73LiB.146C和147NC.O2和O3D.H2O和H2O27.下列有机物中,不属于烃类的是:A.CH3CH3B.C6H6C.CH2===CH2D.CH3COOH8.芯片是各种计算机、手机和微电子产品的核心部件,它的主要材料是:A.SiB.SiO2C.H2SiO3D.Na2SiO39.向盛有Fe2(SO4)3溶液的试管中滴入几滴KSCN溶液后,溶液呈:A.无色B.黄色C.红色D.浅绿色10.在溶液中,下列离子能与CO2-3大量共存的是:A.H+B.Na+C.Ca2+D.Ba2+11.将一小块钠投入水中,发生反应:2Na+2H2O===2NaOH+H2↑,该反应的还原剂是:A.NaB.H2OC.NaOHD.H212.从海水资源中提取下列物质,不用化学方法可能得到的是:A.MgB.Br2C.I2D.NaCl13.下列物质中,不能发生水解反应的是:A.葡萄糖B.蔗糖C.油脂D.纤维素14.下列有关物质用途的叙述中,错误的是:A.氧化铝可用于制造耐火坩埚B.二氧化硫可用来漂白食品C.氧化铁可用作红色油漆和涂料D.硅酸钠溶液可用作木材防火剂15.为探究Al(OH)3的性质,某同学取两支洁净的试管,加入适量Al(OH)3悬浊液,然后分别滴加足量的:①稀盐酸;②NaOH溶液。下列有关实验现象的描述正确的是:A.①、②都澄清B.①、②都浑浊C.①澄清,②浑浊D.①浑浊,②澄清16.下列金属的冶炼方法中,属于热还原法的是:A.2Ag2O=====△4Ag+O2↑B.Fe+CuSO4===FeSO4+CuC.Fe2O3+3CO=====高温2Fe+3CO2D.MgCl2(熔融)=====电解Mg+Cl2↑17.硫酸工业的重要反应之一:2SO2(g)+O2(g)催化剂加热2SO3(g),下列有关叙述错误的是:A.升高温度,反应速率加快B.使用合适的催化剂,反应速率加快C.平衡时,SO2的转化率为100%D.平衡时,SO3的浓度不再改变18.下列反应中,属于加成反应的是:A.CH2===CH2+H2――→一定条件CH3CH3B.C.CH3CH2OH+3O2――→点燃2CO2+3H2OD.CH3COOH+CH3CH2OHCH3COOCH2CH3+H2O19.下列化学用语表述正确的是:浓H2SO4△2A.含有2个中子的氢原子:21HB.Na的原子结构示意图:C.HCl的电子式:D.氧化铁的化学式:FeO20.右图为氢氧燃料电池装置示意图,下列有关说法正确的是:A.电极A为正极B.产物为水,属于环境友好电池C.电子流向:电极B→导线→电极AD.该电池的化学能可以100%转化为电能21.下列离子方程式中,正确的是:A.铁片插入稀盐酸中:2Fe+6H+===2Fe3++3H2↑B.稀硝酸滴在石灰石上:2H++CO2-3===H2O+CO2↑C.氯气通入氯化亚铁溶液中:Cl2+Fe2+===2Cl-+Fe3+D.氯化钡溶液滴入硫酸钠溶液中:Ba2++SO2-4===BaSO4↓22.关于1molH2O的下列说法中,错误的是(NA表示阿伏加德罗常数的值):A.质量为18gB.含氧原子数为NAC.含电子数为10NAD.标准状况下的体积为22.4L二、填空题(本题包括4小题,每空2分,共26分)23.(6分)化学是一门实用性很强的科学。根据题意填空:(1)古代锻造刀剑时,将炽热的刀剑快速投入水中“淬火”,反应为:3Fe+4H2O(g)=====△Fe3O4+4H2。该反应中H2O作__________(填“氧化剂”或“还原剂”);(2)某同学炒菜时发现,汤汁溅到液化气的火焰上时,火焰呈黄色。据此他判断汤汁中含有________(填“钠”或“钾”)元素;(3)海水提镁的重要步骤之一是用沉淀剂将海水中的Mg2+沉淀。该沉淀剂是__________(填“生石灰”或“盐酸”)。24.(6分)乙烯是一种重要的基础化工原料,在一定条件下可发生下列转化:――→H2O催化剂――...

1、当您付费下载文档后,您只拥有了使用权限,并不意味着购买了版权,文档只能用于自身使用,不得用于其他商业用途(如 [转卖]进行直接盈利或[编辑后售卖]进行间接盈利)。
2、本站所有内容均由合作方或网友上传,本站不对文档的完整性、权威性及其观点立场正确性做任何保证或承诺!文档内容仅供研究参考,付费前请自行鉴别。
3、如文档内容存在违规,或者侵犯商业秘密、侵犯著作权等,请点击“违规举报”。

碎片内容

2018年湖南普通高中学业水平考试试卷化学真题含答案

您可能关注的文档

确认删除?
VIP
微信客服
  • 扫码咨询
会员Q群
  • 会员专属群点击这里加入QQ群
客服邮箱
回到顶部