电脑桌面
添加小米粒文库到电脑桌面
安装后可以在桌面快捷访问

单片机课程设计-99秒倒计时VIP免费

单片机课程设计-99秒倒计时_第1页
1/5
单片机课程设计-99秒倒计时_第2页
2/5
单片机课程设计-99秒倒计时_第3页
3/5
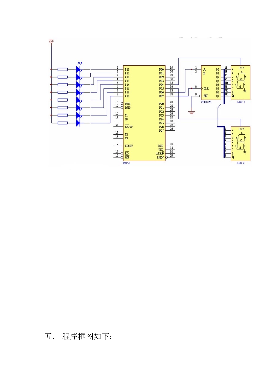
单片机应用技术课程设计指导书合肥通用职业技术学院电气与计算机系二OO九年11月单片机应用是一门很重要的专业课,它涉及到的理论及技术在工业过程控制、智能仪器仪表及家用电器中有非常广泛的应用,本课程设计的意义和目的在于:通过具体的应用实例,进一步将课本知识与实际应用融会、贯通,以达到理论与实践相结合的教学目的。一.设计题目99秒倒计时的设计二.总体要求1.仔细阅读设计任务,根据设计的任务画出硬件电路原理图2.用汇编语言编写出相应的程序,并上机编译,纠错。3.将程序写入单片机,在学习板中试运行。4.写出本课程设计的实际体会。5.完成本课程设计报告(在报告中要有设计题目设计任务、设计要求、硬件电路图、软件程序和实际体会)三.设计任务用两位共阳极数码管显示一99秒倒计时时钟,要求计时时间准确,能实现动态显示。四.系统的硬件电路原理图如下:五.程序框图如下:程序:MIAOEQU30HGEWEIEQU31HSHIWEIEQU32HSCANLEDEQU20HBUFF_164equ34hDAT164BITP0.6CLK164BITP0.7ORG000HJMPSTARTORG0BHJMPTIMER0ORG100HSTART:MOVSP,#40HMOVR0,#20HMOVR5,#20CLR0:MOV@R0,#00HINCR0DJNZR5,CLR0MOVTMOD,#01HMOVTH0,#HIGH(65536-5000)MOVTL0,#LOW(65536-5000)SETBTR0MOVIE,#10000010BMOVR7,#200MOVP0,#0FFHMOVP1,#0FFHMOVP2,#0FFHMOVP3,#0FFHMOVMIAO,#63HAJMP$TIMER0:PUSHACCPUSHPSWMOVTH0,#HIGH(65536-5000)MOVTL0,#LOW(65536-5000)DJNZR7,A2MOVR7,#200MOVA,MIAODECAMOVMIAO,ACJNEA,#0FFH,A2MOVMIAO,#63HA2:MOVA,MIAOLCALLBIN_BCDMOVSHIWEI,AMOVGEWEI,BincSCANLEDJBSCANLED.0,SCAN_L1SCAN_L2:movp0,#11011111BMOVA,GEWEIJMPEND_SCANSCAN_L1:movp0,#11101111BMOVA,SHIWEIEND_SCAN:MOVDPTR,#TABLEMOVCA,@A+DPTRlcallsend164POPPSWPOPACCRETISEND164:MOVBUFF_164,#08;发送数据到74164PUSHACCSND164_LP:CLRCLK164RLCAMOVDAT164,CSETBCLK164DJNZBUFF_164,SND164_LPPOPACCRETBIN_BCD:MOVB,#10DIVABRETTABLE:DB0C0H,0F9H,0A4H,0B0H,99H,92H,82H,0F8H,80H,90HEND

1、当您付费下载文档后,您只拥有了使用权限,并不意味着购买了版权,文档只能用于自身使用,不得用于其他商业用途(如 [转卖]进行直接盈利或[编辑后售卖]进行间接盈利)。
2、本站所有内容均由合作方或网友上传,本站不对文档的完整性、权威性及其观点立场正确性做任何保证或承诺!文档内容仅供研究参考,付费前请自行鉴别。
3、如文档内容存在违规,或者侵犯商业秘密、侵犯著作权等,请点击“违规举报”。

碎片内容

单片机课程设计-99秒倒计时

您可能关注的文档

文章天下+ 关注
实名认证
内容提供者

各种文档应有尽有

确认删除?
VIP
微信客服
  • 扫码咨询
会员Q群
  • 会员专属群点击这里加入QQ群
客服邮箱
回到顶部