电脑桌面
添加小米粒文库到电脑桌面
安装后可以在桌面快捷访问

民用爆炸物品仓库突发事件应急救援预案(DOC)VIP免费

民用爆炸物品仓库突发事件应急救援预案(DOC)_第1页
1/11
民用爆炸物品仓库突发事件应急救援预案(DOC)_第2页
2/11
民用爆炸物品仓库突发事件应急救援预案(DOC)_第3页
3/11
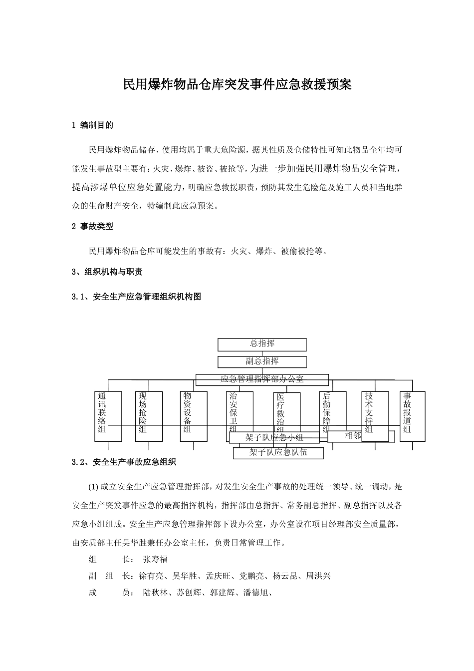
民用爆炸物品仓库突发事件应急救援预案1编制目的民用爆炸物品储存、使用均属于重大危险源,据其性质及仓储特性可知此物品全年均可能发生事故型主要有:火灾、爆炸、被盗、被抢等,为进一步加强民用爆炸物品安全管理,提高涉爆单位应急处置能力,明确应急救援职责,预防其发生危险危及施工人员和当地群众的生命财产安全,特编制此应急预案。2事故类型民用爆炸物品仓库可能发生的事故有:火灾、爆炸、被偷被抢等。3、组织机构与职责3.1、安全生产应急管理组织机构图3.2、安全生产事故应急组织(1)成立安全生产应急管理指挥部,对发生安全生产事故的处理统一领导、统一调动,是安全生产突发事件应急的最高指挥机构,指挥部由总指挥、常务副总指挥、副总指挥以及各应急小组组成。安全生产应急管理指挥部下设办公室,办公室设在项目经理部安全质量部,由安质部主任吴华胜兼任办公室主任,负责日常管理工作。组长:张寿福副组长:徐有亮、吴华胜、孟庆旺、党鹏亮、杨云昆、周洪兴成员:陆秋林、苏创辉、郭建辉、潘德旭、后勤保障组医疗救治组治安保卫组物资设备组现场抢险组通讯联络组架子队应急小组架子队应急队伍相邻工区技术支持组事故报道组总指挥副总指挥应急管理指挥部办公室王军营、姜学壮、崔凯、安全生产应急管理领导小组办公室主任:吴华胜电话:13678357480(2)安全生产应急管理工作小组如下:①通信联络组:组长为朗俊勇,成员为征地拆迁办人员、安质部相关人员。②技术支持组:组长为杨道德,成员为技术部、安质部相关人员。③施工抢险组:组长为赵绍龙,成员为参加抢险的各单位。④物资设备组:组长为李东卫,成员为综合管理部、物资设备部和事故单位相关人员。⑤治安保卫组:组长为吴华胜,成员为安质部相关人员。⑥医疗救治组:组长为苏创辉,成员为综合管理部人员。⑦后勤保障组:组长为孟庆旺,成员为财务部、计划合同部、物资设备部相关人员。⑧事故信息报道组:组长苏创辉,成员为综合管理部人员、安质部相关人员。(3)安全生产应急管理指挥部职责:①安全生产应急管理指挥部的主要职责:统一领导安全生产应急管理工作;协调各部室及所属各作业单位应急指挥机构之间的关系;研究应急管理工作的重大决策和部署;审查批准安全生产应急预案,发布应急工作指令。②总指挥职责:1)总指挥对项目经理部的安全生产突发事件负有领导责任,对事故现场的组织进行领导和决策。2)实施场外应急计划,确定抢险组织机构,指挥人员、设备、物资的调配,在不受事故影响的地方直接领导控制。3)决定是否存在或可能存在重大紧急事故,决定是否要求应急服务机构或社会救援机构帮助。4)判断事故可能发展的方向,并与指挥部成员共同指挥现场人员的撤离和机械设备转移等。③副总指挥职责:1)对所分管的施工安全负责。发生安全事故后,在总指挥领导下积极进行抢险救援工作,按照总指挥的分工,负责分管的救援抢险人员组织、物资调配、安全保卫以及技术支持组织落实等工作。2)积极与地方政府有关部门联系,按照总指挥的安排,落实请求社会救援机构的救援抢险人员、物资调配、安全保卫、技术支持等。3)协调相关部门,落实现场人员抢救、撤离,机械设备转移、物资调配、安全保卫和救援技术方案支持工作。(4)应急管理指挥部办公室的职责:组织落实应急管理指挥部部署的各项任务;组织制定安全生产应急管理的工作制度;落实安全生产应急管理的相关工作,督察各参建单位应急预案的制定和贯彻执行情况,协调应急管理工作的相关事宜;做好各类应急防护和救援知识的教育宣传工作。(5)项目经理部各应急管理工作小组职责①通信联络组1)在接到施工现场安全生产事故报告后,迅速报告有关领导,确保与最高领导者和外部的联系畅通、内外信息反馈迅速。2)确保通讯设施的设备处于良好状态。3)负责应急过程的记录与整理及对外联络。②现场抢险组1)负责抢险队伍、抢险物资、抢险机械设备的组织协调,按照应急方案和措施进行施工抢险、控制事故的扩大。2)组织抢救事故受伤害人员、转移物资机械设备。3)抢险结束后,确认人员、设备、材料安全后,撤离现场抢险救援人员和救援设备,安排事故现场正常生产工作...

1、当您付费下载文档后,您只拥有了使用权限,并不意味着购买了版权,文档只能用于自身使用,不得用于其他商业用途(如 [转卖]进行直接盈利或[编辑后售卖]进行间接盈利)。
2、本站所有内容均由合作方或网友上传,本站不对文档的完整性、权威性及其观点立场正确性做任何保证或承诺!文档内容仅供研究参考,付费前请自行鉴别。
3、如文档内容存在违规,或者侵犯商业秘密、侵犯著作权等,请点击“违规举报”。

碎片内容

民用爆炸物品仓库突发事件应急救援预案(DOC)

您可能关注的文档

确认删除?
VIP
微信客服
  • 扫码咨询
会员Q群
  • 会员专属群点击这里加入QQ群
客服邮箱
回到顶部