电脑桌面
添加小米粒文库到电脑桌面
安装后可以在桌面快捷访问

35KV架空输电线路初步设计方案VIP免费

35KV架空输电线路初步设计方案_第1页
1/24
35KV架空输电线路初步设计方案_第2页
2/24
35KV架空输电线路初步设计方案_第3页
3/24
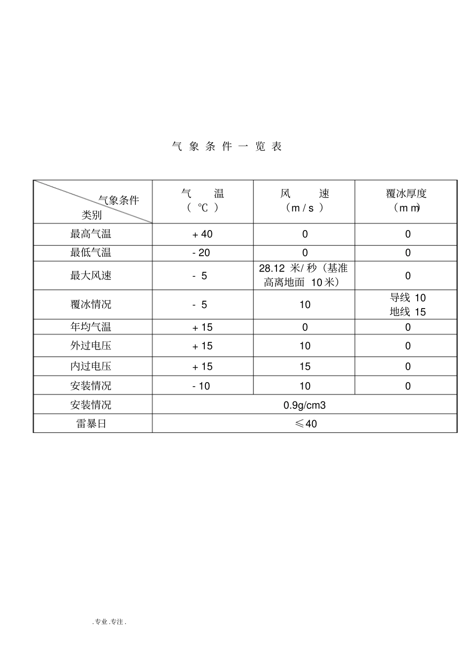
.专业.专注.35KV架空输电线路初步设计方案第二部分工程概况-、设计情况随着经济发展,负荷增加,近年来,用户对供电可靠性的要求不断提高,为避免因线路故障及检修造成对XX变电站停电及线路网架要求,该线路的建设必要性非常大。本工程线路全线经过地带为平原,沿线植被主要是农田、粮林间作带。根据通许县城城市整体规划,经过与县城规划部门实地查看,规划部门允许该线路走径。电压等级:35KV线路回数:本期采用单回路架设线路长度:35KV输电线路工程单回5.98kM。导地线型号:导线LGJ-185/30;二、气象条件根据本地区高压输电线路多年运行经验。本工程线路所选气象条件为线路所通过地区30年一遇的数值(其值详见下表)。.专业.专注.气象条件一览表气象条件类别气温(℃)风速(m/s)覆冰厚度(mm)最高气温+4000最低气温-2000最大风速-528.12米/秒(基准高离地面10米)0覆冰情况-510导线10地线15年均气温+1500外过电压+15100内过电压+15150安装情况-10100安装情况0.9g/cm3雷暴日≤40.专业.专注.第三部分设计说明书第一章.导线及避雷线部分导线是固定在杆塔上输送电流的金属线,由于经常承受着拉力和风、冰、雨、雪及温度变化的影响,同时还受空气中化学杂质的侵蚀,所以导线的材料除了应有良好的导电率外,还有足够的机械强度和防腐性能。导线和地线:根据规划,新建线路全部采用LGJ-185/30。导线:按GB1179-83标准推荐用LGJX-185/30钢芯铝(稀土)绞线。地线:根据Q/GDW179-2008)《地线采用镀锌钢绞线时与导线配合表》选用GJ-35(1×7)镀锌绞线。导地线定货标记:导线:LGJX-185/30GB1179-83稀土钢芯铝绞线地线:GJ-35:1×7-2.6.专业.专注.导地线参数表项目参数参数型号LGJX-185/30GJ-35标称截面铝/钢(mm2)185/3037.15结构根数/直径(mm)铝28/2.88钢7/2.507×2.6计算截面(mm2)铝181.34钢29.5937.15合计210.9337.15外径(mm)18.887.8直流电阻不大于(欧姆/千米)0.1592计算拉断力(N)6425043688计算质量(kg/千米)732.6318.2弹性系数(N/mm2)78400181300线膨胀系数(1/℃)18.8×10-611.5×10-6交货长度不小于(m)20001000.专业.专注.注:拉断力取计算拉断力的95%。线路设计规程规定,35kV线路设计气象条件,应根据沿线的气象资料和附近已有线路的运行经验考虑。在确定最大设计风速时,应按当地气象台(站),10min时距平均的年最大风速作样本,并宜采用极值I型分布作为概率统计值。35kV线路的最大设计风速不应低于28m/s。合理的选择导线截面,对电网安全运行和保障电能质量有重大意义,随着经济的高速发展,对电力的需求越来越大,我们在选择导线的时候,还要考虑线路投运后5年的发展需要。本设计中我们按照经济电流密度进行导线截面选择公式如下:LIsJ(其中S指导线截面;J指经济电流密度;LI指线路最大负荷电流)导地线使用条件导线:全段导线设计安全系数为3.0,导线综合拉断力为61104N,最大使用张力为20368N。地线:地线采用GJ-35镀锌钢绞线,综合拉断力为43688N,安全系数按规定宜大于导线安全系数K=3。导地线布置:导线采用上字形及平行排列方式。地线全线采用水平排列方式。.专业.专注.导线与导线间,导线与地线间的最小水平距离和最垂直距离满足规程要求,导线与导线间,导线与地线间的水平偏移满足0.5米的规程要求。第二章.导线的应力及弧垂架空线路的导线和避雷线,周期性的遭受外部荷载的作用,在导线和避雷线上产生不同的应力。在架空线路机械计算时,应用“比载”计算机械荷载比较方便。架空线路中相邻两直线杆塔中心线间的水平距离,称档距L。导线悬挂点到导线最低点的垂直距离,称为弧垂。当气象条件变化时,导线受温度和荷载的作用,导线材料的应力,弧垂及线长也将随着变化,不同的气象条件下导线的应力。也可以根据状态方程进行计算。查表及资料可知,导线计算截面S=167.37m㎡,导线计算直径d=16.72mm单位质量q=589Kg/Km最大风速Vmax=30m/s覆冰厚度b=10mmTmax=40℃Tmin=-20℃覆冰风速V=10m/s一、计算比载1.自重比载Nsqg(108.9312./mmm)2.冰重比载Nsdbdg(10)(208.27322./mmm)3.垂直总比载)./(2213mmmNggg.专业.专注.4.无冰风压比载Nsacdvg(106125...

1、当您付费下载文档后,您只拥有了使用权限,并不意味着购买了版权,文档只能用于自身使用,不得用于其他商业用途(如 [转卖]进行直接盈利或[编辑后售卖]进行间接盈利)。
2、本站所有内容均由合作方或网友上传,本站不对文档的完整性、权威性及其观点立场正确性做任何保证或承诺!文档内容仅供研究参考,付费前请自行鉴别。
3、如文档内容存在违规,或者侵犯商业秘密、侵犯著作权等,请点击“违规举报”。

碎片内容

35KV架空输电线路初步设计方案

您可能关注的文档

确认删除?
VIP
微信客服
  • 扫码咨询
会员Q群
  • 会员专属群点击这里加入QQ群
客服邮箱
回到顶部