电脑桌面
添加小米粒文库到电脑桌面
安装后可以在桌面快捷访问

计算机控制系统考试VIP免费

计算机控制系统考试_第1页
1/8
计算机控制系统考试_第2页
2/8
计算机控制系统考试_第3页
3/8
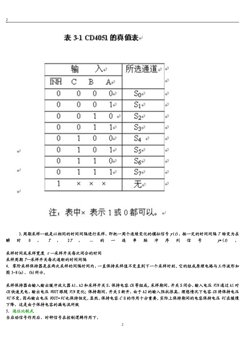
第一章1.计算机控制系统与常规仪表控制系统的主要异同点是什么?2.分析说明图1-3计算机控制系统的硬件组成及其作用。3.计算机控制系统的软件由哪些部分构成?4.按控制方案来分,计算机控制系统划分成那几大类?5.计算机控制装置可以分成哪几种机型?可编程控制器可编程调节器总线式工控机单片微型计算机1.计算机控制系统及工程应用--是把计算机技术与自动化控制系统融为一体的一门综合性学问,是以计算机为核心部件的过程控制系统和运动控制系统。从计算机应用的角度出发,自动化控制工程是其重要的一个应用领域;而从自动化控制工程来看,计算机技术又是一个主要的实现手段。计算机控制系统是由常规仪表控制系统演变而来的;2.计算机控制系统硬件一般包括:主机--CPU+RAM+ROM+系统总线常规外部设备--输入/输出设备、外存储器等过程输入输出通道—AI、AO、DI、DO人机接口设备—CRT、LED、LCD、打印机等通信设备—交换机、modem、集线器等CPURAMROM输入设备输出设备外存储器通信设备操作台接口接口接口接口接口系统总线工业对象接口接口接口接口换转换转开关输出开关输入测量变送驱动执行过程输入输出通道计算机基本系统主机常规外部设备图1-4计算机控制系统硬件组成框图D/AA/D3.软件通常分为系统软件和应用软件两大类;系统软件一般由计算机厂家提供,专门用来使用和管理计算机本身的程序;应用软件是用户针对生产过程要求而编制的各种应用程序。4.数据采集系统(DAS)操作指导控制系统(OGC)直接数字控制系统(DDC)计算机监督控制系统(SCC)分散控制系统(DCS现场总线控制系统(FCS)5.可编程控制器可编程调节器总线式工控机单片微型计算机第二章8、结合图2-3,分析说明DAC0832的内部结构组成及其作用DAC0832主要由8位输入寄存器、8位DAC寄存器、8位D/A转换器以及输入控制电路四部分组成。8位输入寄存器用于存放主机送来的数字量,使输入数字量得到缓冲和锁存,由LE1加以控制;8位DAC寄存器用于存放待转换的数字量,由LE2加以控制;8位D/A转换器输出与数字量成正比的模拟电流;由与门、非与门组成的输入控制电路来控制2个寄存器的选通或锁存状态。第三章2.分析说明8路模拟开关CD4051的结构原理图,结合真值表设计出两个CD4051扩展为一个8路双端模拟开关的示意图。3.什么叫周期采样?采样时间?采样周期?4.分析图3-8采样保持器的原理电路及工作过程。5.简述逐位逼近式、双积分式、电压/频率式的A/D转换原理。6.结合图3-13与图3-14,分析说明ADC0809的结构组成及其引脚作用。8.分析说明图3-19的8路12位A/D转换模板的工作原理。2.CD4051由电平转换、译码驱动及开关电路三部分组成。。当禁止端为“1”时,前后级通道断开,即S0~S7端与Sm端不可能接通;当为“0”时,则通道可以被接通,通过改变控制输入端C、B、A的数值,就可选通8个通道S0~S7中的一路。比如:当C、B、A=000时,通道S0选通;当C、B、A=001时,通道S1通;……当C、B、A=111时,通道S7选通。其真值表如表3-1所示11图2-3CD4051结构原理图0S2S3S4S5S6S7S1S动驱码译换转平电ABCINHmS3.周期采样--就是以相同的时间间隔进行采样,即把一周个连续变化的模拟信号y(t),按一定的时间间隔T转变为在瞬时0,T,2T,…的一连串脉冲序列信号y*(t),0t0T2T3Tt采样器y(t)*y(t)*y(t)y(t)T图2-7信号的采样过程采样时间或采样宽度τ--采样开关每次闭合的时间采样周期T--采样开关每次通断的时间间隔4.零阶采样保持器是在两次采样的间隔时间内,一直保持采样值不变直到下一个采样时刻。它的组成原理电路与工作波形如图3-8(a)、(b)所示。INV1A2A--HCOUTVSOUTVINVtt-2-8采样保持器路电理原)a(性波作工)b(采样保持采样保持器由输入输出缓冲放大器A1、A2和采样开关S、保持电容CH等组成。采样期间,开关S闭合,输入电压VIN通过A1对CH快速充电,输出电压VOUT跟随VIN变化;保持期间,开关S断开,由于A2的输入阻抗很高,理想情况下电容CH将保持电压VC不变,因而输出电压VOUT=VC也保持恒定。显然,保持电容CH的作用十分重要。实际上保持期间的电容保持电压VC在缓慢下降,这是由于保持电容的漏电流所致5.逐位比较式当启动信号作用...

1、当您付费下载文档后,您只拥有了使用权限,并不意味着购买了版权,文档只能用于自身使用,不得用于其他商业用途(如 [转卖]进行直接盈利或[编辑后售卖]进行间接盈利)。
2、本站所有内容均由合作方或网友上传,本站不对文档的完整性、权威性及其观点立场正确性做任何保证或承诺!文档内容仅供研究参考,付费前请自行鉴别。
3、如文档内容存在违规,或者侵犯商业秘密、侵犯著作权等,请点击“违规举报”。

碎片内容

计算机控制系统考试

您可能关注的文档

确认删除?
VIP
微信客服
  • 扫码咨询
会员Q群
  • 会员专属群点击这里加入QQ群
客服邮箱
回到顶部