电脑桌面
添加小米粒文库到电脑桌面
安装后可以在桌面快捷访问

516计量标准的重复性及稳定性考核记录资料VIP免费

516计量标准的重复性及稳定性考核记录资料_第1页
1/8
516计量标准的重复性及稳定性考核记录资料_第2页
2/8
516计量标准的重复性及稳定性考核记录资料_第3页
3/8
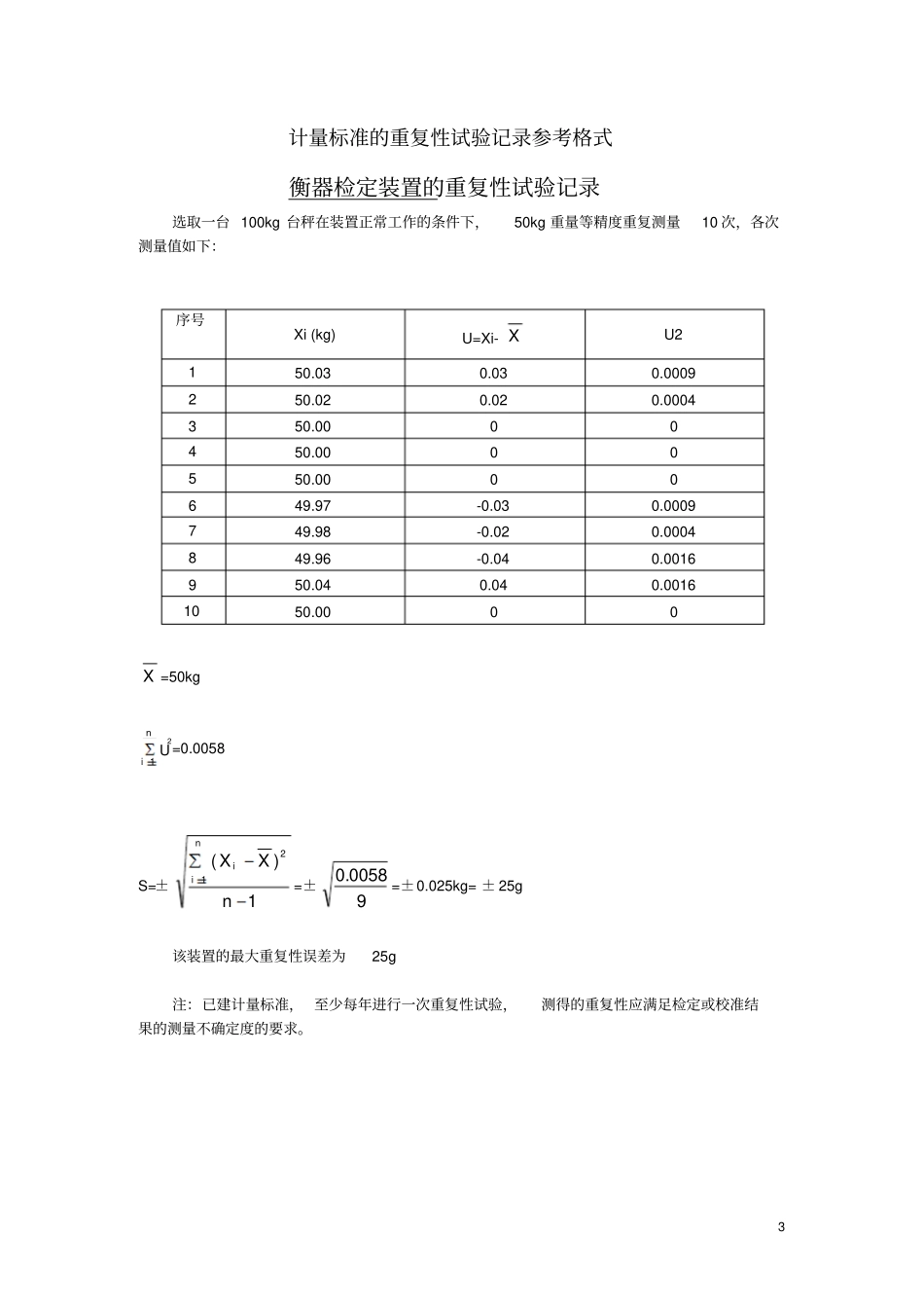
1计量标准的重复性试验记录参考格式检定游标量具标准组的重复性试验记录选一把分度值0.02mm,量程为(0-300)mm的游标卡尺,在标准器组正常工作的条件下,等精度测量重复5次,各次测量值如下:其标准偏差:21()1niiSnv=2.33μm注:已建计量标准,至少每年进行一次重复性试验,测得的重复性应满足检定或校准结果的测量不确定度的要求。序号测量值Xi(mm)1291.802291.803291.824291.805291.806291.827291.808291.809291.8010291.82___X291.8062计量标准的稳定性考核记录参考格式检定游标量具标准组的稳定性考核记录用此套标准装置对300mm游标卡尺121.80点测量,编号0061,在规定的间隔时间内,进行4次等精度测量,测量数据如下:测量时间2011年6月2011年8月2011年10月2011年12月测量次数10次10次10次10次测量值(单位:mm)1121.80121.80121.80121.802121.80121.80121.80121.803121.80121.80121.80121.804121.80121.80121.80121.805121.80121.80121.80121.806121.80121.80121.80121.807121.80121.80121.80121.808121.80121.80121.80121.809121.80121.80121.80121.8010121.80121.80121.80121.80平均值121.80121.80121.80121.80考核人员罗琦郑义罗琦郑义最大值与最小值之差:0mm根据上述测量数据可知,测量结果的最大值与最小值之差为121.80-121.80=0mm,其值小于本计量标准的最大允许误差的绝对值0.02mm结论:该计量标准的稳定性符合要求。注:若计量标准在使用中采用标称值或示值,则稳定性应小于计量标准的最大允许误差的绝对值;如加修正值使用,则应小于修正值的扩展不确定度。3计量标准的重复性试验记录参考格式衡器检定装置的重复性试验记录选取一台100kg台秤在装置正常工作的条件下,50kg重量等精度重复测量10次,各次测量值如下:序号Xi(kg)U=Xi-XU2150.030.030.0009250.020.020.0004350.0000450.0000550.0000649.97-0.030.0009749.98-0.020.0004849.96-0.040.0016950.040.040.00161050.0000X=50kgni1U2=0.0058S=±1)(12nXXnii=±90058.0=±0.025kg=±25g该装置的最大重复性误差为25g注:已建计量标准,至少每年进行一次重复性试验,测得的重复性应满足检定或校准结果的测量不确定度的要求。4计量标准的稳定性考核记录参考格式衡器检定装置的稳定性考核记录选取一台100kg台秤分度值为0.05kg,在装置正常工作的条件下称量50kg重量,在规定的间隔时间内,进行4次等精度测量,测量数据如下:测量时间2011年6月2011年8月2011年10月2011年12月测量次数10次10次10次10次测量值(单位:mm)150.0050.0050.0050.00250.0050.0050.0050.00350.0050.0050.0050.00450.0050.0050.0050.00550.0050.0050.0050.00650.0050.0050.0050.00750.0050.0050.0050.00850.0050.0050.0050.00950.0050.0050.0050.001050.0050.0050.0050.00平均值50.0050.0050.0050.00考核人员罗琦郑义罗琦郑义最大值与最小值之差:0.00kg根据上述测量数据可知,测量结果的最大值与最小值之差为50.00-50.00=0kg,其值小于本计量标准的最大允许误差的绝对值。结论:该计量标准的稳定性符合要求。注:若计量标准在使用中采用标称值或示值,则稳定性应小于计量标准的最大允许误差的绝对值;如加修正值使用,则应小于修正值的扩展不确定度。5计量标准的重复性试验记录参考格式温湿度计(表)检定装置的重复性试验记录温湿度表,编号为:0203,测量时环境温度为60%RH,在本装置正常工作条件下,在其60%RH测量点上等精度重复测量10次,测量结果如下:序号测量值xi(g)ui=xi-x(mg)ui2(mg)160-0.50.252610.50.25360-0.50.254610.50.25560-0.50.256610.50.25760-0.50.258610.50.25960-0.50.2510610.50.25x60.591101212iinixiUnxs0.5%RH结论:1.经过温湿度表测量结果的不确定度U95=2.1%RH2.在重复性条件下,温湿度表重复测量10次,其重复性误差为s=0.53%RH3.由于s=0.53%RH满足JJG205-2005要求计量标准的重复性考核合格,该计量标准重复性可靠满足JJG205-2005计量标准考核规范的要求。注:已建计量标准,至少每年进行一次重复性试验,测得的重复性应满足检定或校准结果的测量不确定度的要求。6计量标准的稳定性考核记录参考格式温湿度计(...

1、当您付费下载文档后,您只拥有了使用权限,并不意味着购买了版权,文档只能用于自身使用,不得用于其他商业用途(如 [转卖]进行直接盈利或[编辑后售卖]进行间接盈利)。
2、本站所有内容均由合作方或网友上传,本站不对文档的完整性、权威性及其观点立场正确性做任何保证或承诺!文档内容仅供研究参考,付费前请自行鉴别。
3、如文档内容存在违规,或者侵犯商业秘密、侵犯著作权等,请点击“违规举报”。

碎片内容

516计量标准的重复性及稳定性考核记录资料

您可能关注的文档

确认删除?
VIP
微信客服
  • 扫码咨询
会员Q群
  • 会员专属群点击这里加入QQ群
客服邮箱
回到顶部