电脑桌面
添加小米粒文库到电脑桌面
安装后可以在桌面快捷访问

含磷酸盐废水处理设备简介VIP免费

含磷酸盐废水处理设备简介_第1页
1/3
含磷酸盐废水处理设备简介_第2页
2/3
含磷酸盐废水处理设备简介_第3页
3/3
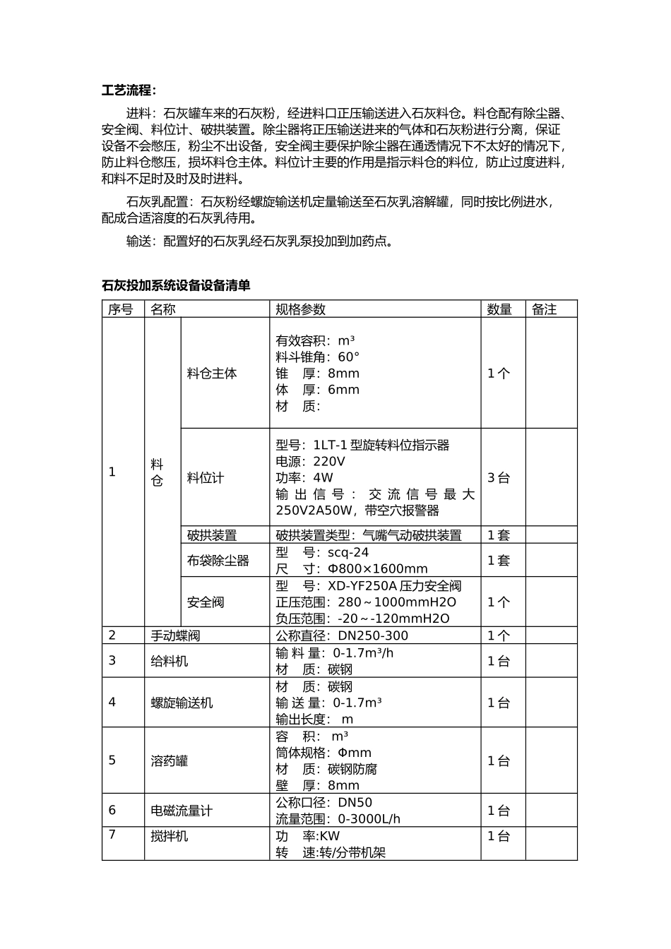
含磷废水的处理设备简介磷酸盐在工业中和农业中都有特别广泛的应用,比如,磷酸盐是植物的三种主要养肥之一,所以,磷酸盐在农业中常用在肥料中。在工业中,磷酸盐又是一种许多工业行业中不可缺少的组成部分,比如,磷酸盐结合剂是以酸性正磷酸盐或缩聚磷酸盐为主要化合物并具有胶凝性能的耐火材料结合剂,所以被广泛用作不定形耐火材料和不烧耐火材料的结合剂;磷酸盐还可以作为清洁剂中的软水剂;还可以用作化学镀剂,工业防腐剂,油田阻垢剂,食品,工业锅炉水添加剂,化学反应催化剂,纺织物整理及医药行业的抗氧剂,防脱色剂等等。由于磷酸盐在工业中和生活中应用广泛,并且大部分的磷酸盐均易溶于水,进而导致了含磷废水的产生,含磷废水如果不经处理,随意排放,将会对环境,对人体产生极大的危害,所以,含磷废水在排放前,必须经过处理,满足排放要求后才能进行排放。现阶段,常用的处理含磷废水的方法为用石灰处理,石灰中的钙离子与磷酸盐结合,生成沉淀物,能有效的去除废水中的磷酸盐。常规的处理方法为手动将生石灰投入到含磷废水中,这样做的缺点为费时费力,不仅需要的员工人数多,并且不能连续投加,造成了物力财力的浪费。现在,许多污水处理项目越来越多的使用石灰自动投加系统进行石灰投加,石灰投加系统主要包含石灰料仓,螺旋输送器,溶解罐,平衡水罐以及石灰乳浆泵等组成。水处理系统磷酸盐废水处理过程中,中和调节PH值过程时常用石灰制乳后进行投加。其投加过程要求连续性强,采用人工投加劳动强度大,为适应市场需要,现向环保水处理市场提供具有设备操作简单、连续投加、投加量稳定的石灰乳投加装置。工作原理石灰乳投加装置是一种将生石灰粉剂储存、配置并投加的设备。石灰粉剂在石灰仓内贮存,均匀下料至喂料机,螺旋输送给料机将石灰粉剂送入溶解桶进行溶解,溶解桶搅拌机对溶液进行充分搅匀,制备后的溶液由石灰乳泵送至用户使用点。工艺流程:进料:石灰罐车来的石灰粉,经进料口正压输送进入石灰料仓。料仓配有除尘器、安全阀、料位计、破拱装置。除尘器将正压输送进来的气体和石灰粉进行分离,保证设备不会憋压,粉尘不出设备,安全阀主要保护除尘器在通透情况下不太好的情况下,防止料仓憋压,损坏料仓主体。料位计主要的作用是指示料仓的料位,防止过度进料,和料不足时及时及时进料。石灰乳配置:石灰粉经螺旋输送机定量输送至石灰乳溶解罐,同时按比例进水,配成合适溶度的石灰乳待用。输送:配置好的石灰乳经石灰乳泵投加到加药点。石灰投加系统设备设备清单序号名称规格参数数量备注1料仓料仓主体有效容积:m³料斗锥角:60°锥厚:8mm体厚:6mm材质:1个料位计型号:1LT-1型旋转料位指示器电源:220V功率:4W输出信号:交流信号最大250V2A50W,带空穴报警器3台破拱装置破拱装置类型:气嘴气动破拱装置1套布袋除尘器型号:scq-24尺寸:Ф800×1600mm1套安全阀型号:XD-YF250A压力安全阀正压范围:280~1000mmH2O负压范围:-20~-120mmH2O1个2手动蝶阀公称直径:DN250-3001个3给料机输料量:0-1.7m³/h材质:碳钢1台4螺旋输送机材质:碳钢输送量:0-1.7m³输出长度:m1台5溶药罐容积:m³筒体规格:Φmm材质:碳钢防腐壁厚:8mm1台6电磁流量计公称口径:DN50流量范围:0-3000L/h1台7搅拌机功率:KW转速:转/分带机架1台轴长:米桨叶直:mm二叶折浆式双层8乳渣分离器配套1台9石灰乳渣浆泵型号:流量:m³/h功率:Kw过流部件材质:不锈钢3042台10电气控制系统采用PLC及触摸屏控制系统,采用变频器控制喂量,接收外界信号控制变频控制计量泵投加量1套继电器控制逻辑说明石灰投加系统继电器控制主要包括,料位,液位报警及连锁。料位报警:石灰料仓装有阻旋式料位计,料位到达高料位时,发出声光报警器,提示停止进料。正常运转时,料位低于低料位,发出声光报警,提示储料不足,准备进料!液位连锁:石灰乳罐配有倒装式磁翻板液位计,液位到达高液位时,自动停止进水,进料(先关闭插板阀,关闭后延迟2分钟后进水阀、螺旋输送机自动停止)允许石灰乳泵开启,待液位低于低液位时,进水阀和螺旋输送机自动打开(螺旋输送机完全启动后再开启出料...

1、当您付费下载文档后,您只拥有了使用权限,并不意味着购买了版权,文档只能用于自身使用,不得用于其他商业用途(如 [转卖]进行直接盈利或[编辑后售卖]进行间接盈利)。
2、本站所有内容均由合作方或网友上传,本站不对文档的完整性、权威性及其观点立场正确性做任何保证或承诺!文档内容仅供研究参考,付费前请自行鉴别。
3、如文档内容存在违规,或者侵犯商业秘密、侵犯著作权等,请点击“违规举报”。

碎片内容

含磷酸盐废水处理设备简介

您可能关注的文档

确认删除?
VIP
微信客服
  • 扫码咨询
会员Q群
  • 会员专属群点击这里加入QQ群
客服邮箱
回到顶部