电脑桌面
添加小米粒文库到电脑桌面
安装后可以在桌面快捷访问

焊接工艺评定201404VIP专享VIP免费

焊接工艺评定201404_第1页
1/14
焊接工艺评定201404_第2页
2/14
焊接工艺评定201404_第3页
3/14
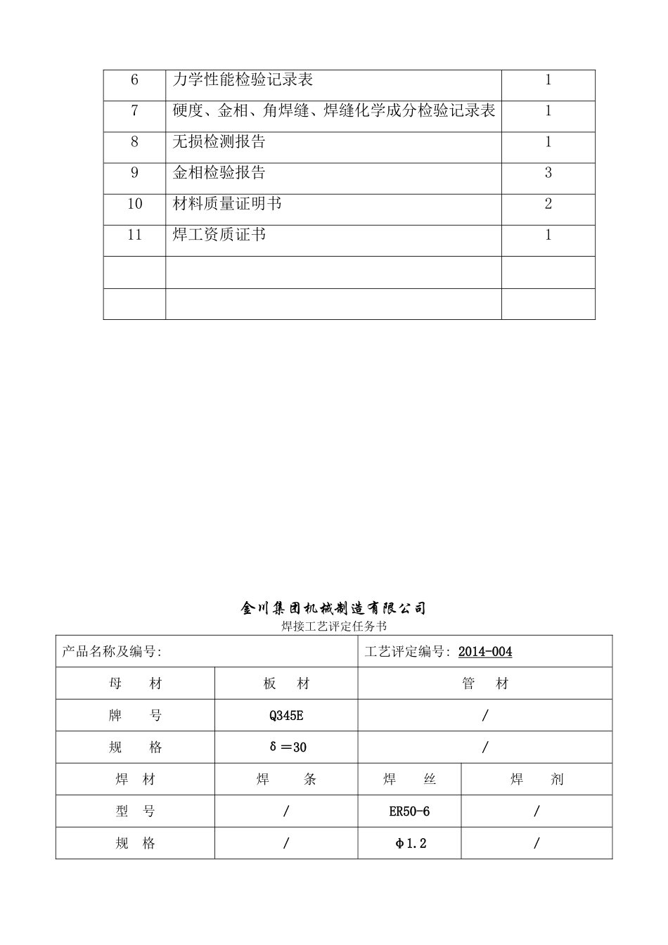
焊接工艺评定报告编号:2014-004焊接工艺评定项目:T型角焊缝CO2气体保护焊焊接工艺评定材质:Q345E——Q345E编制:审核:批准:实施单位:金川集团机械制造有限公司2014年5月焊接工艺评定目录序号内容页数1焊接工艺评定任务书12预焊接工艺规程23焊接工艺评定报告34焊评试验施焊记录表15外观和无损检测记录表16力学性能检验记录表17硬度、金相、角焊缝、焊缝化学成分检验记录表18无损检测报告19金相检验报告310材料质量证明书211焊工资质证书1金川集团机械制造有限公司焊接工艺评定任务书产品名称及编号:工艺评定编号:2014-004母材板材管材牌号Q345E/规格δ=30/焊材焊条焊丝焊剂型号/ER50-6/规格/φ1.2/焊接接头型式焊接方法焊接位置T角焊缝GMAW/预热和焊后热处理要求/评定标准按NB/T47014-2011《承压设备焊接工艺评定》进行评定要求检验项目外观检验无损探伤:射线()、超声(√)、渗透()、磁粉()力学及弯曲性能试验项目拉伸弯曲冲击试验数量全厚度面弯背弯侧弯焊缝熔合区热影响区试验温度////////宏观金相/微观金相√硬度测试/熔敷金属化学成分/其他项目/编制:日期:审核:日期:预焊接工艺规程单位名称金川集团机械制造有限公司焊接工艺指导书编号2014-004焊接工艺评定报告编号2014-004日期焊接方法GMAW机械化程度手工焊接接头:简图:(接头形式、坡口形式与尺寸、焊层、焊道布置及顺序)坡口形式T型角焊缝衬垫(材料及规格)/其他:/母材:类别号Fe-1组别号Fe-1-2与类别号Fe-1组别号Fe-1-2相焊及标准号GB/T1591钢号Q345E与标准号GB/T1591钢号Q345E相焊厚度范围:母材对接焊缝5~60mm角焊缝不限管子直径、壁厚范围对接焊缝/角焊缝/焊缝金属厚度范围对接焊缝0~60mm角焊缝不限其他:允许返修焊、补焊,但最多不得超过两次。焊接材料:焊材类别焊丝焊剂焊材标准GB/T8110-2008/填充金属尺寸φ1.2/焊材型号ER50-6/焊材牌号CHW-50C6/其他//耐蚀堆焊金属化学成分(%)CSiMnPSCrNiMoVTiNb///////////其他:焊接位置:焊后热处理:对接焊缝位置温度范围(℃):/焊接方向:/角焊缝位置/保温时间(h):/焊接方向:/预热保护气体:预热(℃):(允许最低值)/气体种类混合比流量(L/min)层间温度(℃)(允许最高值)/保护气CO2//保持预热时间/尾部保护气///加热方式/背面保护气///电特性:电流种类:交流极性:/焊接电流范围(A):200~260电弧电压(V):30~40(按所焊位置和厚度,分别列出电流和电压范围,记录下表)焊道/焊层焊接方法填充材料焊接电流电弧电压(V)焊接速度(m/h)线能量(kJ/cm)牌号直径极性电流(A)1GMAWER50-6φ1.2交流200~26030~402.5~3.079.22GMAWER50-6φ1.2交流200~26030~402.5~3.079.2反面碳弧气刨清根,角磨机打磨磨出金属光泽3GMAWER50-6φ1.2交流200~26030~402.5~3.079.24GMAWER50-6φ1.2交流200~26030~402.5~3.079.25GMAWER50-6φ1.2交流200~26030~402.5~3.079.26GMAWER50-6φ1.2交流200~26030~402.5~3.079.2钨极类型及直径:/喷嘴直径:/熔滴过渡形式:/焊丝送进速度:/技术措施:摆动焊或不摆动焊:摆动摆动参数:焊前清理和层间清理:清理背面清根方法:碳弧气刨单道焊或多道焊(每面):单道焊单丝焊或多丝焊:/导电嘴至工件距离(mm):/锤击:/其他:编制:日期审核:日期批准:日期焊接工艺评定报告单位名称:金川集团机械制造有限公司焊接工艺评定报告编号2014-004预焊接工艺规程编号2014-004焊接方法GMAW机械化程度半自动接头简图:(坡口形式、尺寸、衬垫、每种焊接方法或焊接工艺敷焊缝金属厚度)母材:焊后热处理:材料标准:GB/T1591热处理温度(℃):/钢号Q345E保温时间(h):/类、组别号:Fe-1-2与类、组别号:Fe-1-2相焊厚度:T=30保护气体:直径:气体种类混合比流量(L/min)其他:保护气体CO2//尾部保护气///背面保护气///填充金属:电特性:焊材标准:GB/T8110-2008电流种类:交流焊材型号:ER50-6极性:/钨极尺寸:/焊材规格:φ1.2焊接电流(A):200~260焊缝金属厚度:t=30电弧电压(V):30~40其他:其他:焊接位置:技术措施:对接焊缝位置:/方向(向...

1、当您付费下载文档后,您只拥有了使用权限,并不意味着购买了版权,文档只能用于自身使用,不得用于其他商业用途(如 [转卖]进行直接盈利或[编辑后售卖]进行间接盈利)。
2、本站所有内容均由合作方或网友上传,本站不对文档的完整性、权威性及其观点立场正确性做任何保证或承诺!文档内容仅供研究参考,付费前请自行鉴别。
3、如文档内容存在违规,或者侵犯商业秘密、侵犯著作权等,请点击“违规举报”。

碎片内容

焊接工艺评定201404

确认删除?
VIP
微信客服
  • 扫码咨询
会员Q群
  • 会员专属群点击这里加入QQ群
客服邮箱
回到顶部