电脑桌面
添加小米粒文库到电脑桌面
安装后可以在桌面快捷访问

北理工微机原理实验三--使用8251A的串行接口应用实验VIP免费

北理工微机原理实验三--使用8251A的串行接口应用实验_第1页
1/13
北理工微机原理实验三--使用8251A的串行接口应用实验_第2页
2/13
北理工微机原理实验三--使用8251A的串行接口应用实验_第3页
3/13
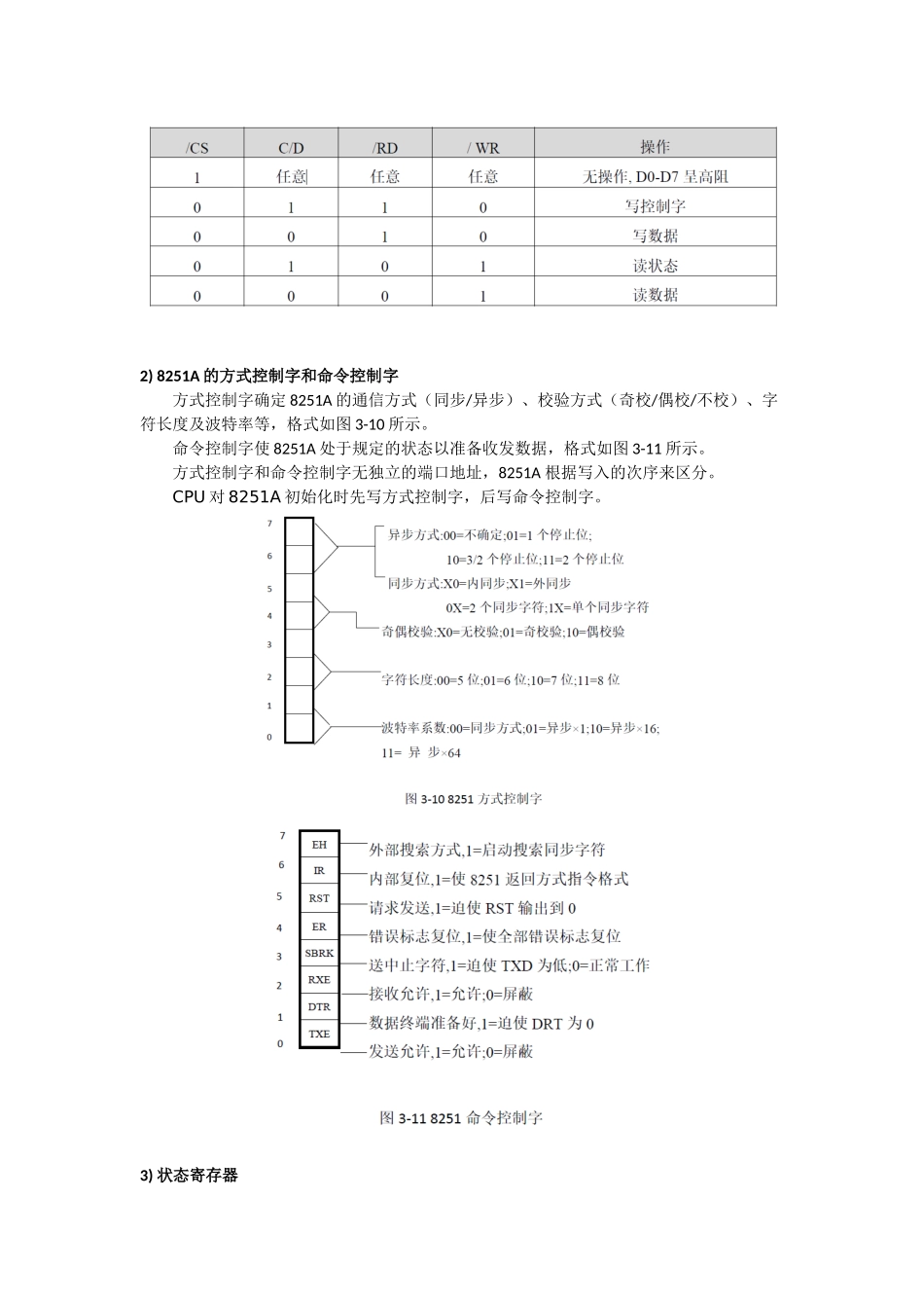
本科实验报告实验名称:实验三使用8251A的串行接口应用实验课程名称:计算机原理与应用实验实验时间:任课教师:实验地点:实验教师:实验类型:□原理验证■综合设计□自主创新学生姓名:学号/班组级:号:学院:同组搭档:专业:成绩:1.实验目的1)掌握串行通信原理及半双工和全双工的编程方法;2)掌握用8251A接口芯片实现微机间的同步和异步通信;3)掌握8251A芯片与微机的接口技术和编程方法。2.实验原理和内容8251A是一种可编程的同步/异步串行通信接口芯片,具有独立的接收器和发送器,能实现单工、半双工、双工通信。1)8251A内部结构8251A通过引脚D0~D7和系统数据总线直接接口,用于和CPU传递命令、数据、状态信息。读写控制逻辑用来接收CPU的控制信号、控制数据传送方向。CPU对8251A的读写操作控制表如表3-4所示。表3-4CPU对8251A的读写操作控制表2)8251A的方式控制字和命令控制字方式控制字确定8251A的通信方式(同步/异步)、校验方式(奇校/偶校/不校)、字符长度及波特率等,格式如图3-10所示。命令控制字使8251A处于规定的状态以准备收发数据,格式如图3-11所示。方式控制字和命令控制字无独立的端口地址,8251A根据写入的次序来区分。CPU对8251A初始化时先写方式控制字,后写命令控制字。3)状态寄存器8251状态寄存器用于寄存8251A的状态信息,供CPU查询,定义如图3-12所示。TXRDY位:当数据缓冲器空时置位,而TXRDY引脚只有当条件(数据缓冲器空•/CTS•TXE)成立时才置位。溢出错误:CPU没读走前一个字符,下一个字符又接收到,称为溢出错误。帧错误:在字符结尾没检测到停止位,称为帧错误。4)PC机寄存器的端口地址其中:线路控制寄存器第七位:DLAB=0;线路控制寄存器第七位:DLAB=1。5)波特率和除数因子对照表实验硬件连接方法:通过计算机点到点三线制串口通信线,掌握接线的方法以及RS-232标准的机械、电气规范。3.实验连接方法按图连接好电路,其中8254计数器用于产生8251的发送和接收时钟,TXD和RXD连在一起。1)8254/CLK0连接时钟/1MHz;2)8254/CS连接I/O译码/Y0(280H---287H);3)8254/OUT0连接8251/TX/RXCLK;4)8254/GATE0连接+5V;5)8251/TXD连接8251/RXD;6)8251/CS连接I/O译码/Y7(2B8H---2BFH。4.编程提示8251的控制口地址为2B9H,数据口地址为2B8H。8254计数器的计数初值=时钟频率/(波特率X波特率因子),这里的时钟频率接1MHz,波特率若选1200,波特率因子16,则计数器初值52。1MHz=1000000Hz基于8251芯片实现异步串行通信一般有两种方式,一种是查询方式,另一种是中断方式,使用哪种方式取决于进行初始化时寄存器的设置。8254计数器的计数初值=时钟频率/(波特率×波特率因子),这里的时钟频率接1MHz,波特率若选1200,波特率因子若选16,则计数器初值为52。本实验采用8251A异步方式发送,利用8086汇编语言实验计算机点到点的串口通信,设置:波特率为1200bps、数据位7位、停止位1位、偶校验方式,利用查询方式或中断方式实现双机通信,能够传输多个字符。程序具体设计如下:1)基础型实验:从键盘输入一个文件或打开已有的文件发送出去,再接收回来在屏幕上显示,实现自发自收。2)提高型实验:设计发送方和接收方两个程序,要求将某汇编语言传送到接收方,接收方收到后将源程序写入指定磁盘或屏幕显示。5.实验代码发送端代码:STACKSEGMENTPARASTACKDB256DUP(0)STACKENDSCODESEGMENTASSUMECS:CODE,SS:STACKSTART:MOVDX,3FBH线路控制寄存器MOVAX,80H10000000B,DLAB=1,数据位,停止位,校验位,波特率因子OUTDX,ALMOVDX,3F8H波特率寄存器(低)MOVAX,60H查表OUTDX,ALMOVDX,3F9H波特率寄存器(高)MOVAX,0查表OUTDX,ALMOVDX,3FBH线路控制寄存器MOVAX,0AH00001010B,DLAB=0OUTDX,ALMOVDX,3FCH;调制解调器控制寄存器MOVAX,03H00000011B,OUT1,2均输出1,请求发送,数据已就绪OUTDX,ALMOVDX,3F9H中断允许寄存器MOVAX,0各种中断全部禁止OUTDX,ALFOREVER:用死循环不断检测8251状态MOVDX,3FDH;从线路状态寄存器读状态INAL,DXTESTAL,1EH死记JNZERROR;传输线状态寄存器全部都是0TESTAL,01H00000001B,检测接收缓存寄存器是否有数据JNZRECEIVE可以收了TESTAL,20H00100000B...

1、当您付费下载文档后,您只拥有了使用权限,并不意味着购买了版权,文档只能用于自身使用,不得用于其他商业用途(如 [转卖]进行直接盈利或[编辑后售卖]进行间接盈利)。
2、本站所有内容均由合作方或网友上传,本站不对文档的完整性、权威性及其观点立场正确性做任何保证或承诺!文档内容仅供研究参考,付费前请自行鉴别。
3、如文档内容存在违规,或者侵犯商业秘密、侵犯著作权等,请点击“违规举报”。

碎片内容

北理工微机原理实验三--使用8251A的串行接口应用实验

文章天下+ 关注
实名认证
内容提供者

各种文档应有尽有

确认删除?
VIP
微信客服
  • 扫码咨询
会员Q群
  • 会员专属群点击这里加入QQ群
客服邮箱
回到顶部