电脑桌面
添加小米粒文库到电脑桌面
安装后可以在桌面快捷访问

神经外科手册--7脑脊液VIP免费

神经外科手册--7脑脊液_第1页
1/8
神经外科手册--7脑脊液_第2页
2/8
神经外科手册--7脑脊液_第3页
3/8
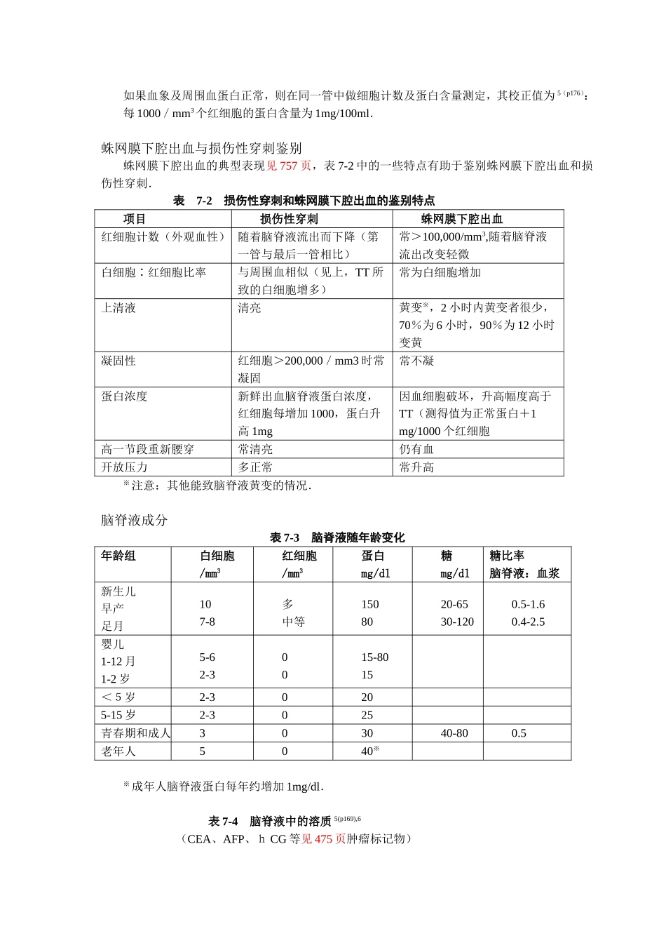
7脑脊液7.1总论产生正常脑脊液(CSF)为无色透明液体,密度为1.007,PH值约为7.33-7.35。80%的脑脊液由双侧侧脑室和第四脑室的脉络丛产生(其中,双侧侧脑室所产生的脑脊液占此部分的95%),其余主要在脑组织间质间隙内产生1,也有少部分脑脊液由脑室的室管膜内膜产生。椎管内脑脊液主要在神经根袖套部的硬脊膜处产生。表7-1显示脑脊液的产生、容积和压力。表7-1正常脑脊液的产生、量及压力项目―――――――儿童―――――――成人新生儿1-10岁总量(ml)5150(50%颅内,50%椎管)产生速度25ml/d约0.3-0.35ml/分(约450-750ml/天)压力※(cmH2o)9-12平均10正常<11成人:7-15(>18为异常)青年<18-20※侧卧位腰穿测压产生速度:成人,脑脊液产生速度为0.3ml/分(见表7-1),约450ml/24小时,这就是说脑脊液一天约更换3次。产生速度与颅内压无关2(颅内压增高致使脑血流减少时除外)。吸收脑脊液主要靠突入硬脑膜静脉窦的蛛网膜绒毛吸收,其他吸收部位包括脉络丛和淋巴管。吸收的速度与颅内压有关4。7.2脑脊液的成分脑室内脑脊液的成分与腰椎蛛网膜下腔的脑脊液略有差异,前者是脑脊液产生的主要部位。细胞成分正常成人脑脊液:淋巴细胞或单核细胞0-5/mm3,无多形核白细胞(PMNS)或红细胞。没有红细胞时,白细胞5-10/mm3为可疑,>10/mm3则为异常。损伤性穿刺脑脊液白细胞增多与损伤性穿刺所致白细胞增多的鉴别由于穿刺损伤致脑脊液中出现多量白细胞和红细胞时,应弄清白细胞升高比例是否高于红细胞或白细胞∶红细胞是否与周围血中白红细胞比例相同。非贫血病人,白细胞∶红细胞约为1-2∶1000(校正值5(P176):每1个白细胞对应700个红细胞)。贫血或周围血白细胞升高病人用Fishman公式方程7-1估计损伤性穿刺前脑脊液内的初始白细胞数目:WBCCSF初始=WBCCSF-WBCblood×RBCCSF/RBCblood方程7-1这里WBCCSF初始=损伤性穿刺(TT)前脑脊液的白细胞数,WBCCSF和RBCCSF=TT后脑脊液白细胞和红细胞计数。WBCblood和RBCblood=周围血白细胞、红细胞计数/mm3.估计损伤性穿刺后脑脊液的总蛋白含量如果血象及周围血蛋白正常,则在同一管中做细胞计数及蛋白含量测定,其校正值为5(p176):每1000/mm3个红细胞的蛋白含量为1mg/100ml.蛛网膜下腔出血与损伤性穿刺鉴别蛛网膜下腔出血的典型表现见757页,表7-2中的一些特点有助于鉴别蛛网膜下腔出血和损伤性穿刺.表7-2损伤性穿刺和蛛网膜下腔出血的鉴别特点项目损伤性穿刺蛛网膜下腔出血红细胞计数(外观血性)随着脑脊液流出而下降(第一管与最后一管相比)常>100,000/mm3,随着脑脊液流出改变轻微白细胞∶红细胞比率与周围血相似(见上,TT所致的白细胞增多)常为白细胞增加上清液清亮黄变※,2小时内黄变者很少,70%为6小时,90%为12小时变黄凝固性红细胞>200,000/mm3时常凝固常不凝蛋白浓度新鲜出血脑脊液蛋白浓度,红细胞每增加1000,蛋白升高1mg因血细胞破坏,升高幅度高于TT(测得值为正常蛋白+1mg/1000个红细胞高一节段重新腰穿常清亮仍有血开放压力多正常常升高※注意:其他能致脑脊液黄变的情况.脑脊液成分表7-3脑脊液随年龄变化年龄组白细胞/mm3红细胞/mm3蛋白mg/dl糖mg/dl糖比率脑脊液:血浆新生儿早产足月107-8多中等1508020-6530-1200.5-1.60.4-2.5婴儿1-12月1-2岁5-62-30015-8015<5岁2-30205-15岁2-3025青春期和成人303040-800.5老年人5040※※成年人脑脊液蛋白每年约增加1mg/dl.表7-4脑脊液中的溶质5(p169),6(CEA、AFP、hCG等见475页肿瘤标记物)数据来自表6-1"神经系统疾病的脑脊液变化",作者RobertA.Fishman,医学博士,1980,W.B.SaundersCo.,费城,PA,授权使用成分单位脑脊液血浆CSF:血浆比例渗透压mOsm/L2952951.0水含量99%93%钠mEq/L1381381.0钾mEq/L2.84.50.6氯mEq/L1191021.2钙mEq/L2.14.80.4pCO2mmHg4741#1.1pH7.337.41pO2mmHg43104#0.4糖mg/dl60900.67乳酸mEq/L1.61.0#1.6丙酮酸mEq/L0.080.11#0.73乳酸:丙酮酸2617.6#总蛋白*mg/dl3570000.005白蛋白mg/L155366000.004IgGmg/L12.398700.001#动脉血血浆*注意:脑室中脑脊液蛋白含量低于腰椎蛛网膜下腔的脑脊液蛋白含量。表7-5不...

1、当您付费下载文档后,您只拥有了使用权限,并不意味着购买了版权,文档只能用于自身使用,不得用于其他商业用途(如 [转卖]进行直接盈利或[编辑后售卖]进行间接盈利)。
2、本站所有内容均由合作方或网友上传,本站不对文档的完整性、权威性及其观点立场正确性做任何保证或承诺!文档内容仅供研究参考,付费前请自行鉴别。
3、如文档内容存在违规,或者侵犯商业秘密、侵犯著作权等,请点击“违规举报”。

碎片内容

神经外科手册--7脑脊液

确认删除?
VIP
微信客服
  • 扫码咨询
会员Q群
  • 会员专属群点击这里加入QQ群
客服邮箱
回到顶部