电脑桌面
添加小米粒文库到电脑桌面
安装后可以在桌面快捷访问

四象限变频器及普通能量回馈单元介绍VIP免费

四象限变频器及普通能量回馈单元介绍_第1页
1/5
四象限变频器及普通能量回馈单元介绍_第2页
2/5
四象限变频器及普通能量回馈单元介绍_第3页
3/5
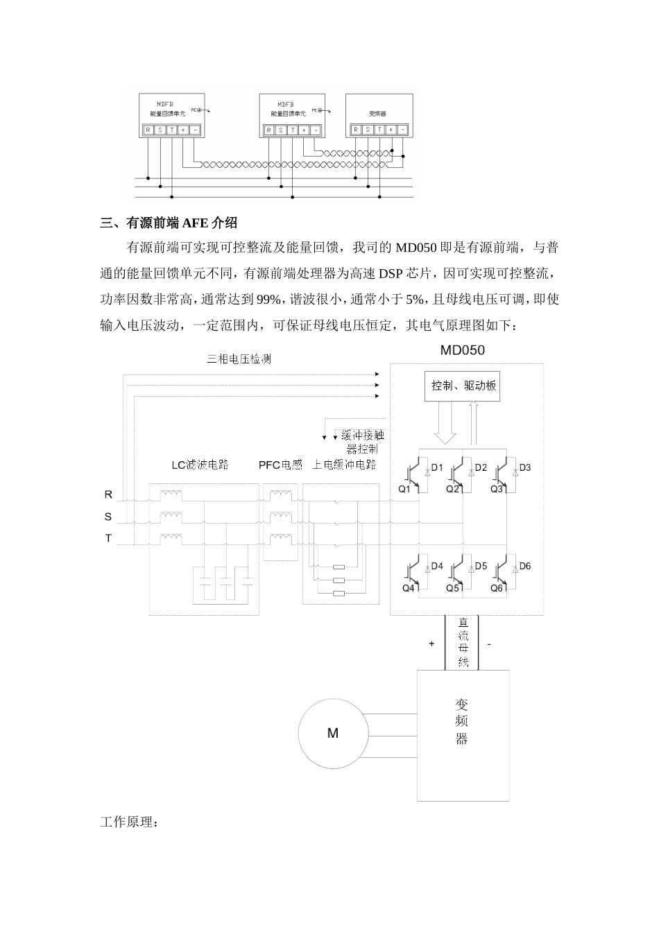
四象限变频器及普通能量回馈单元介绍一、四象限变频器简要介绍普通的变频器大都采用二极管整流桥将交流电转化成直流,然后采用IGBT逆变技术将直流转化成电压频率皆可调整的交流电。这种变频器只能工作在电动状态,所以称之为两象限变频器。由于两象限变频器采用二极管整流桥,无法实现能量的双向流动,所以没有办法将电机回馈系统的能量送回电网。在一些电动机要回馈能量的应用中,比如电梯,提升,离心机系统,只能在两象限变频器上增加电阻制动单元,将电动机回馈的能量消耗掉。另外,在一些大功率的应用中,二极管整流桥对电网产生严重的谐波污染。为了使变频器能工作在发电状态,将制动的能量回馈至电网,降低能耗,实现四象限运行,通常有两种做法:1、给变频器配一个或多个能量回馈单元,能量回馈单元可并联,可将能量回馈至电网,但对母线电压及谐波和功率因素无法自动调整,这种方式成本低,一定程度上可降低能耗,但效果相对较低,对变频器运行基本无优化和保护功能;2、给变频器配一个有源前端,就是常说的AFE,可实现可控整流及能量回馈,母线电压可调,功率因数可调,可有效降低谐波,一定范围内基本可忽略母线电压波动带来的影响,这种方式效果较好,但成本相对较高,通常用在功率因素要求较高或需频繁制动的场合,如:电梯、矿井提升下放、起重升降等。二、能量回馈单元介绍工作原理框图如下:能量回馈单元没有DSP处理器,所有控制由硬件完成,逆变功率部分采用IGBT,实际应用时电气连接图如下:回馈单元是将电机制动时产生并输入到变频器母线的能量逆变生成与电网同步同相位的交流正弦波,把电能回馈给电网。特点如下:1、能量只能从变频器直流母线流向电网,单向不可逆;2、所有控制功能由硬件完成,无DSP,因此功能单一,除回馈能量外无其他功能;3、与变频器主回路分开,各走各的,除了将变频器母线多余能量回馈至电网外,对变频器运行无其他优化功能。4、能量回馈单元可并联,各自独立工作,如下图:三、有源前端AFE介绍有源前端可实现可控整流及能量回馈,我司的MD050即是有源前端,与普通的能量回馈单元不同,有源前端处理器为高速DSP芯片,因可实现可控整流,功率因数非常高,通常达到99%,谐波很小,通常小于5%,且母线电压可调,即使输入电压波动,一定范围内,可保证母线电压恒定,其电气原理图如下:工作原理:1、不控整流:三相电源R、S、T经LC滤波电路、PFC电感、上电缓冲电路、进入MD050,经IGBT反并联二极管D1-D6整流后对母线电容进行充电,此时IGBT不工作,MD050只充当普通整流桥的角色;2、可控整流:三相电源R、S、T经LC滤波电路、PFC电感、上电缓冲电路、进入MD050,通过控制IGBTQ1-Q6的通断,配合二极管D1-D6,可实现对PFC电感的充放能及母线电容的充放电,举例说明工作原理:当电源R相处于正半周,T相处于负半周,开通Q3,此时电流由R相流过D1,Q3,流向T相,此时PFC电感充能;一定时间(很短)后,关断Q3,此是PFC电感上的电能需要泄放,电流由PFC电感、D1、母线电容、D6、PFC电感、T相、R相组成回路,因回路存在电感,电流无法突变,仍将保持原来的方向,这时除电源外,PFC电感上的电能也会充给母线电容,相当于母线电容上除电源外叠加了一个充电电源,如此反复多次,母线电容两端的电压会越充越高,控制电感充能的时间及次数可以控制母线电压的高低。如需将母线电压由高往低调,可停止对PFC电感充能,让母线电容上的能量逆变回电网或消耗在均压电阻上3、逆变通过控制IGBTQ1-Q6按一定规律通断,可将直流母线电压逆变成相位与幅值与电源电压相同的交流电,回馈至电网,即常说的能量回馈。逆变的原理与驱动电机类似,只是IGBT的开关方式略有不同。逆变时,因最终能量送回电网,因此PFC电感中的能量同样也送回电网,PFC电感起滤波的作用,可有效降低谐波。有源前端的特点:1、实现能量的双向流动,因此功率因数很高,可达99%;2、因可控整流,回路中又有LC滤波电路即PFC电感,谐波可降至很低,通常小于5%;注:同行产品(英威腾、微能等)通常无LC滤波电路,没有PFC电感,却配置了一个输入电抗器,这个输入电抗器也是电感,在回路中起的作...

1、当您付费下载文档后,您只拥有了使用权限,并不意味着购买了版权,文档只能用于自身使用,不得用于其他商业用途(如 [转卖]进行直接盈利或[编辑后售卖]进行间接盈利)。
2、本站所有内容均由合作方或网友上传,本站不对文档的完整性、权威性及其观点立场正确性做任何保证或承诺!文档内容仅供研究参考,付费前请自行鉴别。
3、如文档内容存在违规,或者侵犯商业秘密、侵犯著作权等,请点击“违规举报”。

碎片内容

四象限变频器及普通能量回馈单元介绍

确认删除?
VIP
微信客服
  • 扫码咨询
会员Q群
  • 会员专属群点击这里加入QQ群
客服邮箱
回到顶部