电脑桌面
添加小米粒文库到电脑桌面
安装后可以在桌面快捷访问

kV开关柜安装施工实施方案VIP免费

kV开关柜安装施工实施方案_第1页
1/13
kV开关柜安装施工实施方案_第2页
2/13
kV开关柜安装施工实施方案_第3页
3/13
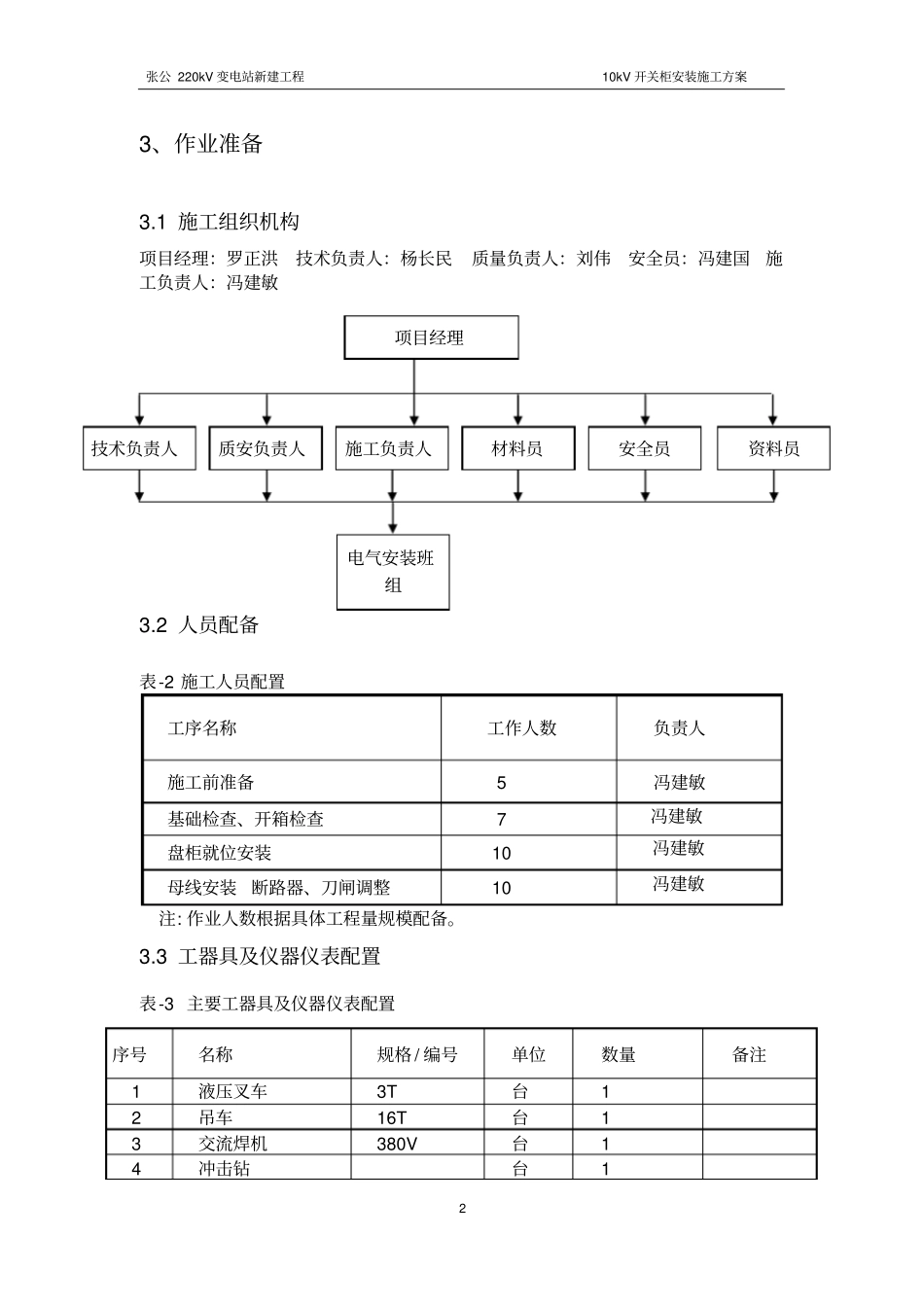
张公220kV变电站新建工程10kV开关柜安装施工方案1高压开关柜安装施工方案1、编写依据1、国家电网公司关于进一步提高工程建设安全质量和工艺水平的决定国家电网基建〔2011〕1515号2、国家电网公司基建质量管理规定(基建/2)112-20153、国家电网公司输变电工程优质工程评定管理办法国网(基建/3)182-20154、国家电网公司输变电工程验收管理办法国网(基建/3)188-20155、国家电网公司输变电工程标准工艺管理办法国网(基建/3)186-20156、国家电网公司输变电工程流动红旗竞赛管理办法国网(基建/3)189-20157、关于深化标准工艺研究与应用工作的重点措施和关于创优工作的重点措施基建质量〔2012〕20号8、国家电网公司输变电工程质量通病防治工作要求及技术措施基建质量〔2010〕19号9、关于应用《国家电网公司输变电工程施工工艺示范》光盘的通知基建质量〔2009〕290号10、电气装置安装工程质量检验及评定规程DL/TT5161.1-5161.17-200211、接地装置冲击特性参数测试导则DL/T266-201212、国家电网公司输变电工程施工安全风险识别、评估及预控措施管理办法2、工程概况10kV部分:1、主变进线开关柜二面,电容器出线开关柜八面,站用变出线开关柜二面,PT开关柜二面,出线柜八面,分段柜三面。采用单母线分段接线。2、10KV并联补偿电容器组2×(4×10008)KVar。,分别接于10kVⅡ、Ⅲ段母线上,每段母线4组,本期上两组站用变两台,分别接于10kVⅡ、Ⅲ段母线上。张公220kV变电站新建工程10kV开关柜安装施工方案23、作业准备3.1施工组织机构项目经理:罗正洪技术负责人:杨长民质量负责人:刘伟安全员:冯建国施工负责人:冯建敏3.2人员配备表-2施工人员配置工序名称工作人数负责人施工前准备5冯建敏基础检查、开箱检查7冯建敏盘柜就位安装10冯建敏母线安装断路器、刀闸调整10冯建敏注:作业人数根据具体工程量规模配备。3.3工器具及仪器仪表配置表-3主要工器具及仪器仪表配置序号名称规格/编号单位数量备注1液压叉车3T台12吊车16T台13交流焊机380V台14冲击钻台1项目经理施工负责人质安负责人技术负责人安全员材料员电气安装班组资料员张公220kV变电站新建工程10kV开关柜安装施工方案3序号名称规格/编号单位数量备注5移动式电源盘220V只16经纬仪台17套筒扳手套18力矩扳手把29棘轮扳手把210吊带8m对211钢卷尺50m把112短木方5cm厚根若干临时支垫13短木方10cm厚根若干临时支垫14螺丝刀一字把215螺丝刀十字把216锉刀圆形把117锉刀扁形把118撬杠根419手锤2磅把120垫铁1mm片若干21垫铁2mm片若干22垫铁3mm片若干23吸尘器台124数字游标卡尺把125角尺把126水平尺400mm把127棉线扎128脚手架H=1.9米付3带连接斜撑28脚手架H=1米付3带连接斜撑注:工器具及仪器仪表根据具体工程量规模配备。4、作业流程4.1作业(工序)流程图施工前准备基础检查、设备开箱检张公220kV变电站新建工程10kV开关柜安装施工方案45、作业方法5.1施工准备5.1.1用水平仪及钢卷尺对开关柜基础进行核对尺寸;5.1.2施工负责人按规程、厂家安装说明书、图纸、设计要求及施工措施对施工人员进行技术交底,交底要有针对性;5.1.3人员组织:技术负责人、安装负责人、安全质量负责人和技术工人;5.1.4机具的准备:按施工要求准备机具并对其性能及状态进行检查和维护;5.1.4施工材料准备:焊条、螺栓、油漆等。5.2基础检查5.2.1检查基础槽钢长度、宽度、标高及相对位置是否符合设计要求,以及检查基础槽钢的直线度和水平度,误差不得超过允许值;检查高压及控制电缆的孔洞是否对应开关柜的排列布置。5.2.2清除基础槽钢面上的灰砂,完成槽钢的接地工作,测量基础槽钢的水平度和不直度,找出最高点,并标注高差,开关柜宜从中间开始就位。交接试验盘柜就位安装母线安装断路器、刀闸调整结束张公220kV变电站新建工程10kV开关柜安装施工方案55.3搬运及开箱检查5.3.1现场搬运盘柜(1)开关柜的搬运设专人指挥,配备足够的施工人员,以保证人身和设备安全。(2)根据现场情况,设备的搬运、移动采用液压推车进行。搬运时,用吊车将开关柜吊到液压推车上,然后一人拉推车的把手,3人合力推柜体,1人专门负责观察推车行走的路线,防止推车的轮子掉到孔...

1、当您付费下载文档后,您只拥有了使用权限,并不意味着购买了版权,文档只能用于自身使用,不得用于其他商业用途(如 [转卖]进行直接盈利或[编辑后售卖]进行间接盈利)。
2、本站所有内容均由合作方或网友上传,本站不对文档的完整性、权威性及其观点立场正确性做任何保证或承诺!文档内容仅供研究参考,付费前请自行鉴别。
3、如文档内容存在违规,或者侵犯商业秘密、侵犯著作权等,请点击“违规举报”。

碎片内容

kV开关柜安装施工实施方案

确认删除?
VIP
微信客服
  • 扫码咨询
会员Q群
  • 会员专属群点击这里加入QQ群
客服邮箱
回到顶部