电脑桌面
添加小米粒文库到电脑桌面
安装后可以在桌面快捷访问

MW东方发电机安装说明书VIP免费

MW东方发电机安装说明书_第1页
1/50
MW东方发电机安装说明书_第2页
2/50
MW东方发电机安装说明书_第3页
3/50
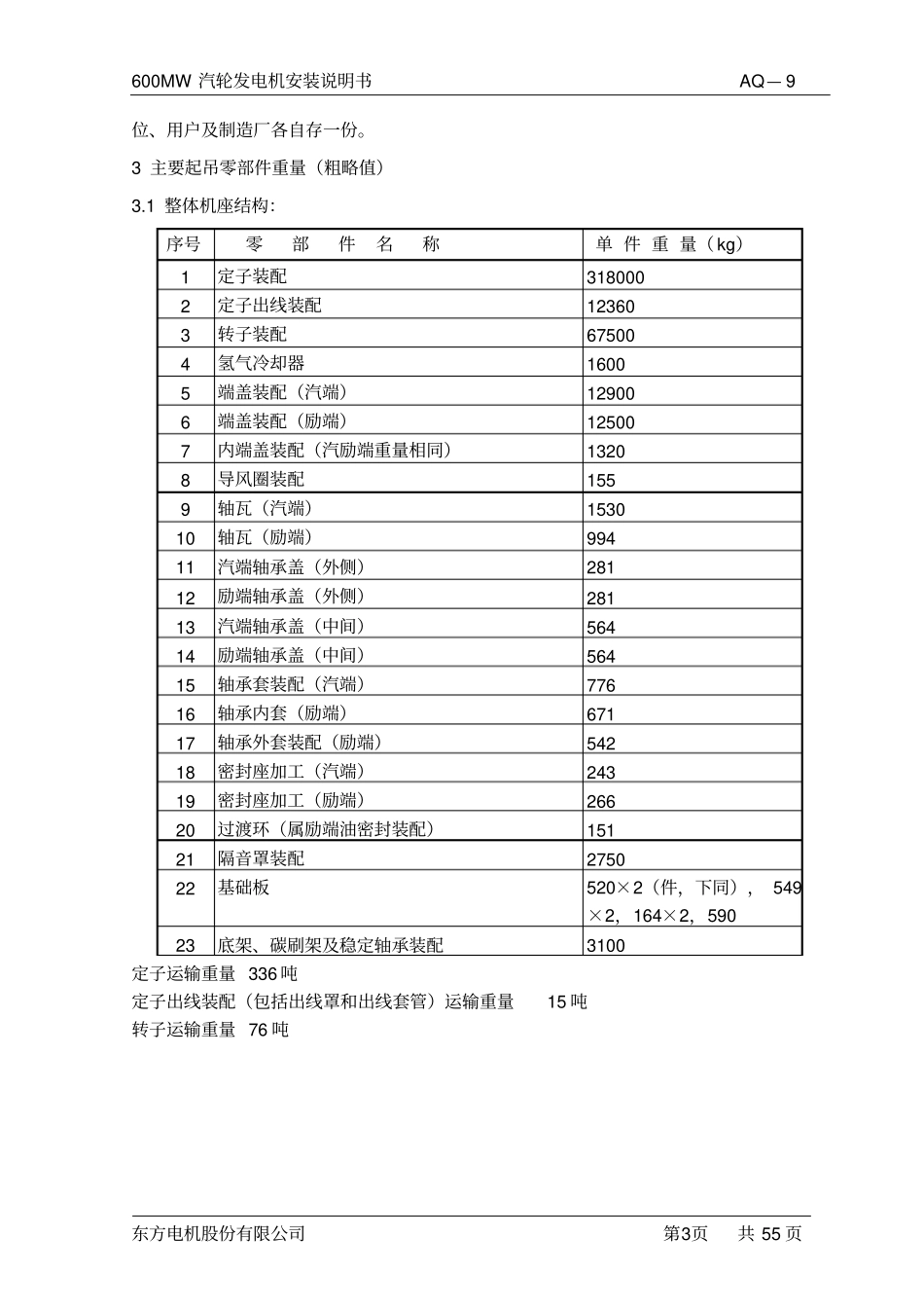
600MW汽轮发电机安装说明书AQ—9东方电机股份有限公司第2页共55页600MW汽轮发电机安装说明书第一篇:总论本安装说明书用于东方型600MW汽轮发电机,包含如下几种结构:整体机座结构内外机座结构三段式机座结构提示:本安装说明书系现场安装、调试的指导性文件。如果本说明书与产品设计图纸不一致,请以产品图纸或更改通知单(工作联系单)为准。1.设备的清点验收及现场保管1.1所有零部件、安装工具和随机资料运到安装现场后,安装单位应按发运清单检验货物件数及包装外观完整情况,如发现货物与清单不符或包装破损及部件损坏或丢失,应立即向铁路运输部门提出书面报告并作好备忘录。1.2安装单位收到货物后,应及时通知制造厂并在到货后两个月内由电厂、安装单位、监理公司及制造厂等一起进行开箱清点验收,作好验收记录,各方签字生效。1.3所有零部件应尽可能在室内储存,对室外保管的设备应有防雨、防尘措施。定子、转子、出线罩装配的存放应有防冻、防潮、防尘、防鼠害等措施,库房应保持通风干燥,环境温度应保持在+5℃以上。1.4对海滨、盐雾地区和有腐蚀性的环境,应采取特殊措施防止设备锈蚀。1.5放置发电机转子时,其大齿应在竖直方向上,小齿在水平线上,每月检查一次转子轴颈和集电环部位有无锈蚀情况(湿度较大地区或保管条件较差地区半月一次),并重新对其涂防锈油,定期(一般间隔要求一个月)对转子翻转180存放。1.6定子和转子在开箱后应进行绝缘检查,若存放时间较长(超过半年)应每月测量其绝缘电阻、吸收比(针对定子)并作好记录,观查比较绝缘电阻值的变化情况。1.7有关设备的保管除上述外,应按电力行业标准《电力建设施工及验收技术规范汽轮机篇》执行。2安装前的准备工作及施工要求2.1承担安装施工工作的单位,须指派专业人员提前熟悉制造厂及设计单位提供的有关技术文件和图纸,针对每道工序的安装技术要求制定相应的技术措施及安全措施,以确保安装质量的可靠和人身、设备的安全。2.2安装工人应熟阅图纸并按规定操作和施工。2.3安装施工过程中,对每项安装、检查和测试结果都必须有详细的正式记录,安装单外机座整体发运结构外机座分段(五段)发运结构600MW汽轮发电机安装说明书AQ—9东方电机股份有限公司第3页共55页位、用户及制造厂各自存一份。3主要起吊零部件重量(粗略值)3.1整体机座结构:序号零部件名称单件重量(kg)1定子装配3180002定子出线装配123603转子装配675004氢气冷却器16005端盖装配(汽端)129006端盖装配(励端)125007内端盖装配(汽励端重量相同)13208导风圈装配1559轴瓦(汽端)153010轴瓦(励端)99411汽端轴承盖(外侧)28112励端轴承盖(外侧)28113汽端轴承盖(中间)56414励端轴承盖(中间)56415轴承套装配(汽端)77616轴承内套(励端)67117轴承外套装配(励端)54218密封座加工(汽端)24319密封座加工(励端)26620过渡环(属励端油密封装配)15121隔音罩装配275022基础板520×2(件,下同),549×2,164×2,59023底架、碳刷架及稳定轴承装配3100定子运输重量336吨定子出线装配(包括出线罩和出线套管)运输重量15吨转子运输重量76吨600MW汽轮发电机安装说明书AQ—9东方电机股份有限公司第4页共55页3.2内、外机座结构:序号零部件名称单件重量(kg)1内定子装配2241662外机座装配1035003定子出线装配124004转子装配675005氢气冷却器16006端盖装配(汽端)129007端盖装配(励端)125008内端盖装配(汽励端重量相同)17209导风圈装配15510轴瓦(汽端)153011轴瓦(励端)99412汽端轴承盖(外侧)28113励端轴承盖(外侧)28114汽端轴承盖(中间)56415励端轴承盖(中间)56416轴承套装配(汽端)77617轴承内套(励端)67118轴承外套装配(励端)54219密封座加工(汽端)24320密封座加工(励端)26621过渡环(属励端油密封装配)15122隔音罩装配275023基础板390×6,370×2,389×2,164×2,59024底架、碳刷架及稳定轴承装配3100内定子装配运输重量232吨外机座装配运输重量110吨(五段组合后)定子出线装配运输重量14吨转子运输重量73吨600MW汽轮发电机安装说明书AQ—9东方电机股份有限公司第5页共55页3.3三段式机座结...

1、当您付费下载文档后,您只拥有了使用权限,并不意味着购买了版权,文档只能用于自身使用,不得用于其他商业用途(如 [转卖]进行直接盈利或[编辑后售卖]进行间接盈利)。
2、本站所有内容均由合作方或网友上传,本站不对文档的完整性、权威性及其观点立场正确性做任何保证或承诺!文档内容仅供研究参考,付费前请自行鉴别。
3、如文档内容存在违规,或者侵犯商业秘密、侵犯著作权等,请点击“违规举报”。

碎片内容

MW东方发电机安装说明书

确认删除?
VIP
微信客服
  • 扫码咨询
会员Q群
  • 会员专属群点击这里加入QQ群
客服邮箱
回到顶部