电脑桌面
添加小米粒文库到电脑桌面
安装后可以在桌面快捷访问

液压系统的设计计算VIP免费

液压系统的设计计算_第1页
1/11
液压系统的设计计算_第2页
2/11
液压系统的设计计算_第3页
3/11
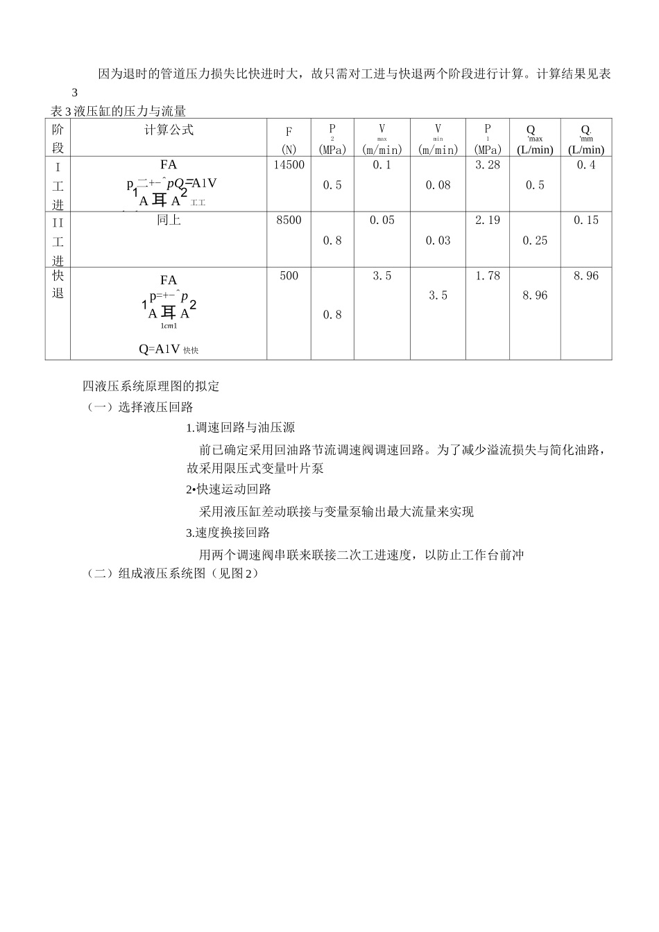
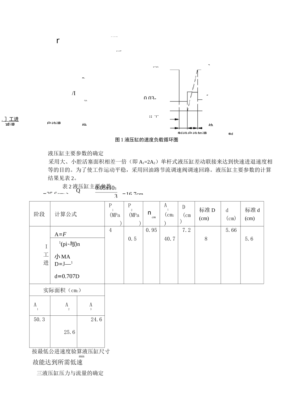
液压系统的设计计算2题目:一台加工铸铁变速箱箱体的多轴钻孔组合机床,动力滑台的动作顺序为快速趋进工件-I工进一II工进一加工结束块退一原位停止。滑台移动部件的总重量为5000N,加减速时间为0.2S。采用平导轨,静摩擦系数为0.2,动摩擦系数为0.1。快进行程为200MM,快进与快退速度相等均为'血/min。【工进行程为100mm,工进速度为80〜100mm/min,轴向工作负载为1400N°II工进行程为0.5mm,工进速度为30~50mm/min,轴向工作负载为800N。工作性能要求运动平稳,试设计动力滑台的液压系统。解:一工况分析工作循环各阶段外载荷与运动时间的计算结果列于表1表1外载荷与运动时间阶段速度V(m/min)运动时间t(s)外载荷F(N)启动加速0〜3.50.2厂厂厂"CC50003.5「F-F+F-5000x0.2+114fsi9.860x0.2差动快进3.502.•60-3.433.5F-F-5000x0.1-500fdI工进0.08〜0.175〜60F-F-5000x0.1-500fdII工进0.03〜0.05100〜60F-F+F-14000+5000x0.1-14500wfd反向启动0〜3.50.2F-F+F-1149fsi快退3.53.43F-F-500fd液压缸的速度、负载循环图见图1r145S303.2/I50LI.U8-0.03-启动速快.]工进减速制=25.6cm2>Q——0.05x1033=16.7cm2图1液压缸的速度负载循环圏液压缸主要参数的确定采用大、小腔活塞面积相差一倍(即A1=2A2)单杆式液压缸差动联接来达到快速进退速度相等的目的。为了使工作运动平稳,采用回油路节流调速阀调速回路。液压缸主要参数的计算结果见表2。表2液压缸主要参数阶段计算公式P1(MPa)P2(MPa)ncmA1(cm2)D(cm)标准D(cm)d(cm)标准d(cm)I工进A=F40.50.9540.77.285.665.61(pi-与)n小MAD=J—1d=0.707D实际面积(cm2)A1A2A350.325.624.6按最低公进速度验算液压缸尺寸min故能达到所需低速三液压缸压力与流量的确定5ii工快制动启动加速因为退时的管道压力损失比快进时大,故只需对工进与快退两个阶段进行计算。计算结果见表3表3液压缸的压力与流量阶段计算公式F(N)P2(MPa)Vmax(m/min)Vmin(m/min)P1(MPa)Q'max(L/min)Q.'mm(L/min)I工进FAp二+-^pQ=A1V1A耳A2工工1cm1145000.50.10.083.280.50.4II工进同上85000.80.050.032.190.250.15快退FAp=+-^p1A耳A21cm1Q=A1V快快5000.83.53.51.788.968.96四液压系统原理图的拟定(一)选择液压回路1.调速回路与油压源前已确定采用回油路节流调速阀调速回路。为了减少溢流损失与简化油路,故采用限压式变量叶片泵2•快速运动回路采用液压缸差动联接与变量泵输出最大流量来实现3.速度换接回路用两个调速阀串联来联接二次工进速度,以防止工作台前冲(二)组成液压系统图(见图2)圈己植匡慕纹歸:e囲电磁铁动作表1DT2DT3DT41DT差动快进+一++I工进+一一+II工进+一一一快退一+++电动机停止工作时,为了防止系统中的压力油经液压泵倒流回油箱,以免空气进入系统,在液压泵出口处加一个单向阀。五液压元件规格的选择(一)选择液压泵液压泵的工作压力与流量计算结果见表4表4液压泵的工作压力与流量阶段计算公式工ApkPp(MPa)Q'pmax(L/min)Q.、pmm(L/min)标准pr(cm)标准Qr(cm)I工进p=p+工App1Qp=kQ工01.13.280.550.446.321II工进同上01.12.190.280.176.321快退p=p+乂App1Qp=kQ快0.61.12.389.99.96.321查产品样本,选用YBX-16限压式变量叶片泵,p=6.3MPa,q=16mL/r,np=1450r/min,rn二0.9。它的特性曲线如图3所示。pv工作点①为快退,此时p=2.38MPa,Q=9.9L/min;工作点②为I工进,此时pp_p=3.28MPa,Q=0.55L/min;工作点③为II工进,此时p=2.19MPa,Q=0.28L/min。实际工作pppp曲线如图3中虚线所示,由于工作点②的压力大于工作点③,故实际工作曲线按工作点②调图3YBX—吒特性整。21035快退2.38x10-x9.9x10-0.7x-0x10-3=0.561KW工3.28x10-x0.55x10-30.08x-0x10-3二0.38KWII工3.31x10-x0.28x10-30.04x-0x10-32选择电动机型号根据快退时功率0.514KW,选用Y802-4型电动机,功率P=0.75KW,转速n=1390r/minrr厂pQ2.48x10-x9.9x10-3P=—b_b=——n0.7x-0•••所选用的电动机功率足够。x10-3=0.58KW<2x0.75=1.5KW(三)选择液液压系统中的最高工作压力为p二3.33MPa,通过阀的最大流量为9.9L/min,故选c用p二6.3MPa,Q二10L/min的中低压阀类。液控顺序阀因没有10L/min规格,rr故选用25L/min规格。滤油器按...

1、当您付费下载文档后,您只拥有了使用权限,并不意味着购买了版权,文档只能用于自身使用,不得用于其他商业用途(如 [转卖]进行直接盈利或[编辑后售卖]进行间接盈利)。
2、本站所有内容均由合作方或网友上传,本站不对文档的完整性、权威性及其观点立场正确性做任何保证或承诺!文档内容仅供研究参考,付费前请自行鉴别。
3、如文档内容存在违规,或者侵犯商业秘密、侵犯著作权等,请点击“违规举报”。

碎片内容

液压系统的设计计算

您可能关注的文档

确认删除?
VIP
微信客服
  • 扫码咨询
会员Q群
  • 会员专属群点击这里加入QQ群
客服邮箱
回到顶部