电脑桌面
添加小米粒文库到电脑桌面
安装后可以在桌面快捷访问

三管高压旋喷桩专项施工方案VIP免费

三管高压旋喷桩专项施工方案_第1页
1/17
三管高压旋喷桩专项施工方案_第2页
2/17
三管高压旋喷桩专项施工方案_第3页
3/17
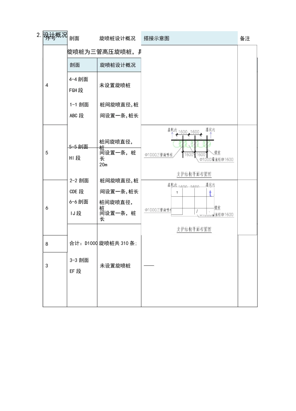
目录一、工程概况错误!未定义书签。1.项目概况错误!未定义书签2.设计概况错误!未定义书签二、编制依据错误!未定义书签1.编制依据错误!未定义书签2.依据国家和行业规范、标准错误!未定义书签三、施工部署错误!未定义书签1.施工部署错误!未定义书签2.施工准备错误!未定义书签3.施工机械和材料计划错误!未定义书签4.施工进度计划安排错误!未定义书签四、三管高压旋喷桩施工错误!未定义书签1.三管旋喷桩设计概况错误!未定义书签2.三管旋喷止水帷幕工艺错误!未定义书签五、质量控制错误!未定义书签六、施工中的常见问题及处理方法错误!未定义书签1.施工中常见问题和处理方法错误!未定义书签2.漏水补救措施错误!未定义书签七、安全消防保证措施错误!未定义书签1.安全管理方针目标错误!未定义书签2.安全施工技术措施错误!未定义书签3.消防保卫管理措施错误!未定义书签八、文明施工及环境保护措施错误!未定义书签九、应急措施错误!未定义书签1.组织机构错误!未定义书签2.管理职责错误!未定义书签3.预测与预警机制的建立错误!未定义书签4.急救错误!未定义书签。工程概况1.项目概况工程名称前海合作区19单元3街坊01-05地块基坑工程工程地址广东省深圳市南山区前海深港合作区十九单兀3街坊建设单位深圳市前海开发投资控股有限公司监理单位深圳市恒浩建工程项目管理有限公司施工单位中国建筑第一工程局有限公司基坑设计单位深圳市工勘岩土集团有限公司勘察单位深圳市工勘岩土集团有限公司施工工期总工期215天,并在2015年2月5日前完成基坑支护体系和基坑开挖至米标咼,仅预留一个施工坡道的节点工期要求。本基坑工程位于深圳市南山区前海深港合作区十九单元3街坊,临海大道与兴海大道交汇口东南侧。基坑四周比较平坦,北侧距离临海大道约50m,西侧距离兴海大道约50m,基坑南侧为运行的铁路,铁路距离基坑约30m。基坑东侧与世茂地块和香江地块相邻。项目地理位置前海合作区19单元3街坊01〜05地块基坑开挖面积约万m2,开挖深度约,基坑支护的边长约,土石方工程挖方量约万m3。2.设计概况剖面4-4剖面FGH段5-5剖面HI段6-6剖面IJ段合计:D1000旋喷桩共310条;未设置旋喷桩20m备注旋喷桩设计概况桩间旋喷直径,桩间设置一条,桩长桩间旋喷直径,桩间设置一条,桩长1t/oO、分区剖面区段旋喷桩一区1-1ABC51根(d=1m)2-2CDE64根(d=1m)3-3EF4-4FGH二区5-5HI139根(d=1m)6-6IJ56根(d=1m)编制依据1.编制依据1)前海合作区19单元3街坊01〜05地块基坑工程招标文件2)前海合作区19单元3街坊01〜05地块基坑工程投标文件3)前海合作区19单元3街坊01〜05地块基坑工程施工组织设计4)前海合作区19单元3街坊01〜05地块基坑支护工程岩土工程勘察(详细勘察)报告5)前海合作区19单元3街坊01〜05地块基坑工程施工蓝图6)现场踏勘成果及我司其它相关工程的工程经验;2.依据国家和行业规范、标准依据国家和广东省现行建安施工规范、规程与现行的建筑施工验收规范和建筑质量检验评定标准以及依据国家与地方的有关法律法规及相关技术规范等进行施工。主要规范如下:序号名称编号或文号1建筑基坑支护技术规程JGJ120-20122深圳市基坑支护技术规范SJG05-20113建筑桩基技术规范JGJ94-20084建筑地基基础设计规范(广东省标准)DBJ15-31-20035混凝土质量控制标准GB50164-20116混凝土结构工程施工质量验收规范GBJ50204-20027施工现场临时用电安全技术规范JGJ46-20058工程测量规范GB50026-20079深圳市建筑基桩检测规程SJG09-200710硅酸盐水泥和普通硅酸盐水泥GB175-199911砼拌和用水标准JGJ63-89结合本工程具体工程旋喷桩数量和现场布置要求,下图为旋喷桩施工平面布置图:Xu三、施工部署1.施工部署1.1现场施工1.2施工组织原则1)熟悉设计图纸,组织专人负责各个工序施工。2)实行旋喷桩机、引孔机挂牌,人机配套的原则。3)返浆沟布设以不影响旋喷桩机调动,便于桩机行走。4)旋喷桩机施工应从服从现场工程师管理。2.施工准备2.1技术准备⑴编制施工方案:施工前组织技术人员,现场管理人员进行实地勘察,认真审阅地质勘察报告和施工图纸,编制切实可行的施工方案。⑵设计编制人员及技术主管同现场技术及施工人员召开会议、做详细技术交底及...

1、当您付费下载文档后,您只拥有了使用权限,并不意味着购买了版权,文档只能用于自身使用,不得用于其他商业用途(如 [转卖]进行直接盈利或[编辑后售卖]进行间接盈利)。
2、本站所有内容均由合作方或网友上传,本站不对文档的完整性、权威性及其观点立场正确性做任何保证或承诺!文档内容仅供研究参考,付费前请自行鉴别。
3、如文档内容存在违规,或者侵犯商业秘密、侵犯著作权等,请点击“违规举报”。

碎片内容

三管高压旋喷桩专项施工方案

您可能关注的文档

确认删除?
VIP
微信客服
  • 扫码咨询
会员Q群
  • 会员专属群点击这里加入QQ群
客服邮箱
回到顶部