电脑桌面
添加小米粒文库到电脑桌面
安装后可以在桌面快捷访问

单元工程质量评定表1VIP免费

单元工程质量评定表1_第1页
1/42
单元工程质量评定表1_第2页
2/42
单元工程质量评定表1_第3页
3/42
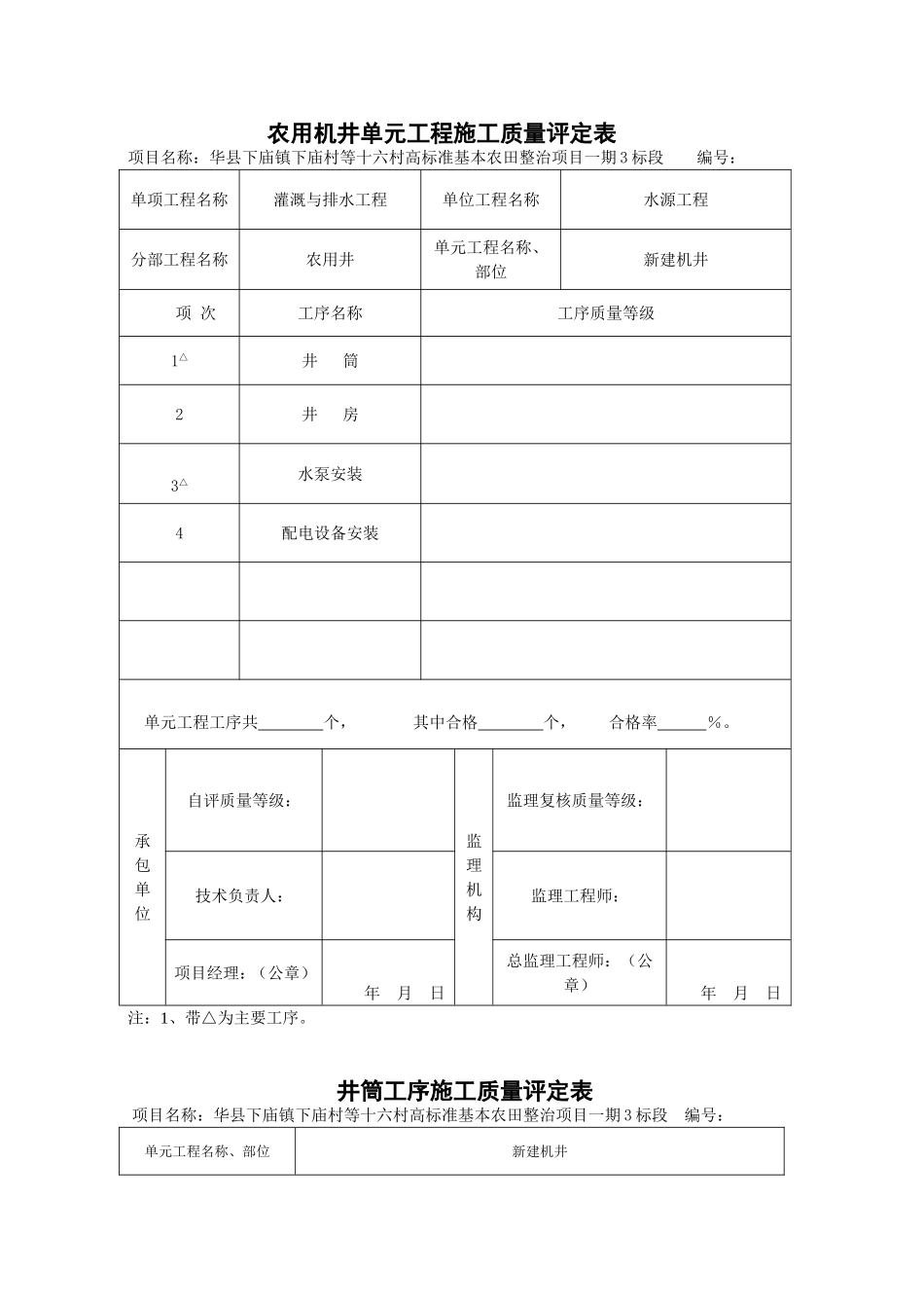
农用机井单元工程施工质量评定表项目名称:华县下庙镇下庙村等十六村高标准基本农田整治项目一期3标段编号:单项工程名称灌溉与排水工程单位工程名称水源工程分部工程名称农用井单元工程名称、部位新建机井项次工序名称工序质量等级1△井筒2井房3△水泵安装4配电设备安装单元工程工序共个,其中合格个,合格率%。承包单位自评质量等级:监理机构监理复核质量等级:技术负责人:监理工程师:项目经理:(公章)年月日总监理工程师:(公章)年月日注:1、带△为主要工序。井筒工序施工质量评定表项目名称:华县下庙镇下庙村等十六村高标准基本农田整治项目一期3标段编号:单元工程名称、部位新建机井项次检测项目质量标准检查结果1井位符合设计要求。2井径符合设计要求。3井管及安装井管内径、壁厚符合设计,外型园直,无蜂窝麻面、漏筋裂纹,安装对正接直、封闭严密,滤管包扎牢固。4滤料回填管周均匀连续。5相关资料地层记录、柱状图,抽水试验记录齐全。检查结果:主要检测项目,一般检测项目,项次检测项目设计值允许偏差实测值合格率(%)1△井深±5%H2含沙量中细砂含水层<1/20000粗砂、砾石、卵石含水层<1/500003垂直度<2°4井低沉淀厚度<1/200H检测结果:共检测点,其中合格点,合格率%承包单位自评质量等级:监理机构监理复核质量等级:技术负责人:监理工程师:项目经理:(公章)年月日总监理工程师:(公章)年月日注:带△符号为主要检查、检测项目。H为设计井深。井房(台)工序施工质量评定表项目名称:华县下庙镇下庙村等十六村高标准基本农田整治项目一期3标段编号:单元工程名称、部位新建机井项次检查项目质量标准检查结果1△外观平面、立面尺寸,墙砌体、地坪、散水等符合设计2门窗材料、尺寸、安装位置符合设计3△屋面处理符合设计要求4井台尺寸、砼(砌砖)质量符合设计5井盖尺寸及钢筋砼符合设计检查结果:主要检查项目,一般检查项目,项次检测项目允许偏差设计值实测值合格率(%)1Δ井房尺寸长度±20宽度±20高度±202屋面平整度±103Δ垟面平整度±104室内地坪高程±10检测结果:共检测点,其中合格点,合格率%承包单位自评质量等级:监理机构监理复核质量等级:技术负责人:监理工程师:项目经理:(公章)年月日总监理工程师:(公章)年月日注:带Δ为主要工序。水泵安装工序施工质量评定表项目名称:华县下庙镇下庙村等十六村高标准基本农田整治项目一期3标段编号:单元工程名称、部位新建机井项次检查项目质量标准检查结果1△机泵等设备质量有出厂合格证和产品说明书,规格型号符合设计。2△泵管连接管节连接紧固、密封、不漏水,在进口处用铁夹板固定牢靠。3电缆接头牢固、密封。4△出水管连接连接紧固、密封、不漏水。5电缆固定电缆固定牢靠、无松劲。6井口封闭井盖尺寸符合要求,封闭严密。7△试运行井泵运转正常,出水量符合机井技术规范(SL256-2000)的要求。检查结果:主要检查项目,一般检查项目。项次检测项目设计值允许偏差实测值合格率(%)1水泵安装深度≥设计值2△出水量不小于设计值的75%检测结果:共检测点,其中合格点,合格率%。承包单位自评质量等级:监理机构监理复核质量等级:技术负责人:监理工程师:项目经理:(公章)年月日总监理工程师:(公章)年月日注:带△符号为主要检查、检测项目。机井低压配电设备安装工序施工质量评定表项目名称:华县下庙镇下庙村等十六村高标准基本农田整治项目一期3标段编号:单元工程名称、部位新建机井项次检查项目质量标准检查结果1计量箱规格型号、安装位置符合设计及施工规范要求,仪表动作灵敏,指示正确。2配电柜规格型号符合设计,安装牢固牢靠,柜面垂直、水平。3启动设备接线正确,启动灵活,安装符合施工规范要求。4电缆敷设符合设计及施工规范要求。5电动机有出厂合格证,功率、转速符合设计。检查结果:主要检查项目,一般检查项目.项次检测项目设计值允许偏差实测值合格(%)1电动机对地绝缘不小于1MΩ2电动机相间绝缘不小于1MΩ3电气设备对地安全距离不小于规定值检测结果:共检测点,其中合格点,合格率%承包单位自评质量等级:监理机构监理复核质量等级:技术负责人:...

1、当您付费下载文档后,您只拥有了使用权限,并不意味着购买了版权,文档只能用于自身使用,不得用于其他商业用途(如 [转卖]进行直接盈利或[编辑后售卖]进行间接盈利)。
2、本站所有内容均由合作方或网友上传,本站不对文档的完整性、权威性及其观点立场正确性做任何保证或承诺!文档内容仅供研究参考,付费前请自行鉴别。
3、如文档内容存在违规,或者侵犯商业秘密、侵犯著作权等,请点击“违规举报”。

碎片内容

单元工程质量评定表1

文章天下+ 关注
实名认证
内容提供者

各种文档应有尽有

确认删除?
VIP
微信客服
  • 扫码咨询
会员Q群
  • 会员专属群点击这里加入QQ群
客服邮箱
回到顶部