电脑桌面
添加小米粒文库到电脑桌面
安装后可以在桌面快捷访问

卡尺使用规范VIP免费

卡尺使用规范_第1页
1/6
卡尺使用规范_第2页
2/6
卡尺使用规范_第3页
3/6
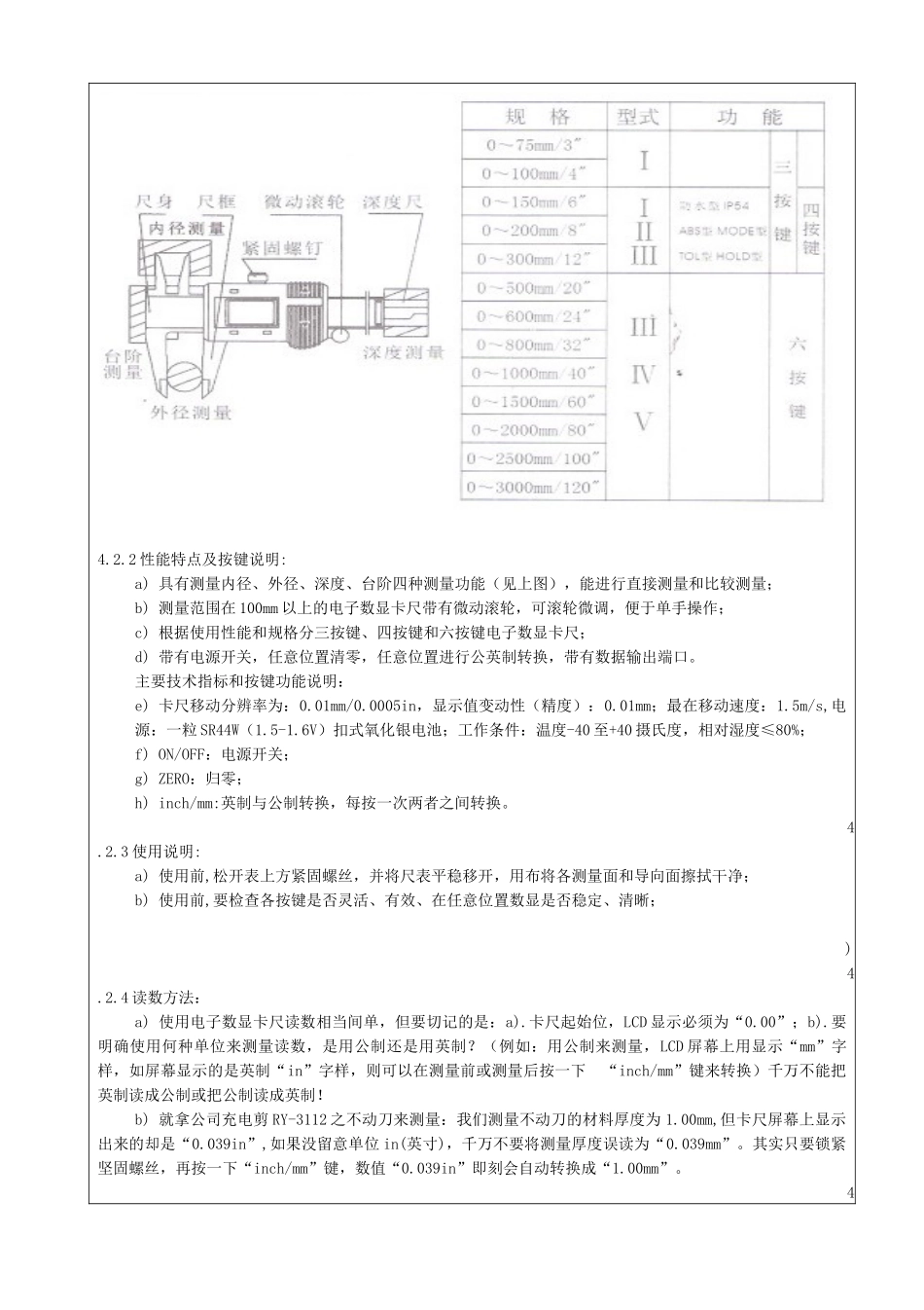
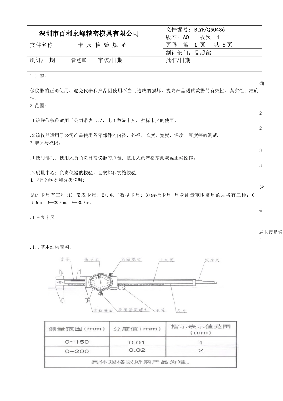
深圳市百利永峰精密模具有限公司文件编号:BLYF/QS0436版本:A0版次:1文件名称卡尺检验规范页码:第1页共6页制订部门:品质部制订/日期雷燕军审核/日期批准/日期1.目的:确保仪器的正确使用、避免仪器和产品因使用不当而造成的损坏,提高产品测试数据的有效性、真实性、准确性。2.范围:2.1该操作规范适用于公司带表卡尺,电子数显卡尺,游标卡尺的使用。2.2该仪器适用于公司产品使用各零部件的内径、外径、长度、宽度、深度、厚度等的测试.3.职责与权限:3.1使用部门:使用人员负责日常仪器的点检;使用人员严格按此规范正确操作。3.2质量中心:负责仪器的校验计划安排和实施校验.4.卡尺的种类和分类说明:常见的卡尺有三种:1).带表卡尺;2).电子数显卡尺;3)游标卡尺.尺身测量范围常用的规格有三种:0--150mm、0—200mm、0—300mm。4.1带表卡尺表卡尺是通过齿轮条传动系统4.1.1基本结构简图:4.1.2性能特点:a)具有测量内径、外径、深度、台阶四种测量功能(见下图),能进行直接测量和比较测量;b)不锈钢制造,刻线面无光镀铬,激光刻线、线纹清晰、耐磨;c)测量范围在200mm以上的带表卡尺带有微动滚轮,可滚轮微调,便于单手操作;d)指示表具有防震性能和外圈锁紧装置。4.1.3使用说明:a)使用前,松开表上方紧固螺丝,并将尺表平稳移开,用布将各测量面和导向面擦拭干净;)4.1.4读数方法:a)使用前先对好“0”位;)c)直接测量和比较测量:直接测量:用卡尺直接在工件上测量,按上述读数方法读出工件的测量值;较测量:将标准量块(或标准样件)置于两测量面之间量检查,将大大提高工件效率。4.1.4保养方法:a)使用前必须先擦干净测量面对好“零”,要保持卡尺测量面、齿条和其它传动部分的清洁、润滑。测量后应随手合上量爪,以防止灰尘、沙粒、金属切屑等物损坏齿条。b)测量工件应在静态下进行。使用时,测量力度要适当,有微动滚轮的卡尺应使用微动滚轮。)d)禁止将卡尺靠近磁场或放置在磁性物体上。如发现卡尺带有磁性,应及时退磁后方可使用。e)非专业人员不可拆卸卡尺传动部位,卡尺须做定期校验。4.2电子数显卡尺电子数显卡尺是利用容栅测量系统原理对两测量爪相对移动分隔的距离进行测量并通过LCD显示出测量值的一种长度测量工具。4.2.1基本结构简图:4.2.2性能特点及按键说明:a)具有测量内径、外径、深度、台阶四种测量功能(见上图),能进行直接测量和比较测量;b)测量范围在100mm以上的电子数显卡尺带有微动滚轮,可滚轮微调,便于单手操作;c)根据使用性能和规格分三按键、四按键和六按键电子数显卡尺;d)带有电源开关,任意位置清零,任意位置进行公英制转换,带有数据输出端口。主要技术指标和按键功能说明:e)卡尺移动分辨率为:0.01mm/0.0005in,显示值变动性(精度):0.01mm;最在移动速度:1.5m/s,电源:一粒SR44W(1.5-1.6V)扣式氧化银电池;工作条件:温度-40至+40摄氏度,相对湿度≤80%;f)ON/OFF:电源开关;g)ZERO:归零;h)inch/mm:英制与公制转换,每按一次两者之间转换。4.2.3使用说明:a)使用前,松开表上方紧固螺丝,并将尺表平稳移开,用布将各测量面和导向面擦拭干净;b)使用前,要检查各按键是否灵活、有效、在任意位置数显是否稳定、清晰;)4.2.4读数方法:a)使用电子数显卡尺读数相当间单,但要切记的是:a).卡尺起始位,LCD显示必须为“0.00”;b).要明确使用何种单位来测量读数,是用公制还是用英制?(例如:用公制来测量,LCD屏幕上用显示“mm”字样,如屏幕显示的是英制“in”字样,则可以在测量前或测量后按一下“inch/mm”键来转换)千万不能把英制读成公制或把公制读成英制!b)就拿公司充电剪RY-3112之不动刀来测量:我们测量不动刀的材料厚度为1.00mm,但卡尺屏幕上显示出来的却是“0.039in”,如果没留意单位in(英寸),千万不要将测量厚度误读为“0.039mm”。其实只要锁紧坚固螺丝,再按一下“inch/mm”键,数值“0.039in”即刻会自动转换成“1.00mm”。4.2.5保养方法:a)使用前必须先擦干净测量面,对好归“0.00mm或0.000in”,要保持卡尺测量面、LCD显示屏和其它传动部分的清洁。测量后应随手合上量爪,以防止灰尘、沙粒、金属切屑等物损坏...

1、当您付费下载文档后,您只拥有了使用权限,并不意味着购买了版权,文档只能用于自身使用,不得用于其他商业用途(如 [转卖]进行直接盈利或[编辑后售卖]进行间接盈利)。
2、本站所有内容均由合作方或网友上传,本站不对文档的完整性、权威性及其观点立场正确性做任何保证或承诺!文档内容仅供研究参考,付费前请自行鉴别。
3、如文档内容存在违规,或者侵犯商业秘密、侵犯著作权等,请点击“违规举报”。

碎片内容

卡尺使用规范

您可能关注的文档

确认删除?
VIP
微信客服
  • 扫码咨询
会员Q群
  • 会员专属群点击这里加入QQ群
客服邮箱
回到顶部