电脑桌面
添加小米粒文库到电脑桌面
安装后可以在桌面快捷访问

高中物理《实验 练习使用多用电表》导学案 教科版选修3-1-教科版高中选修3-1物理学案VIP免费

高中物理《实验 练习使用多用电表》导学案 教科版选修3-1-教科版高中选修3-1物理学案_第1页
1/7
高中物理《实验 练习使用多用电表》导学案 教科版选修3-1-教科版高中选修3-1物理学案_第2页
2/7
高中物理《实验 练习使用多用电表》导学案 教科版选修3-1-教科版高中选修3-1物理学案_第3页
3/7
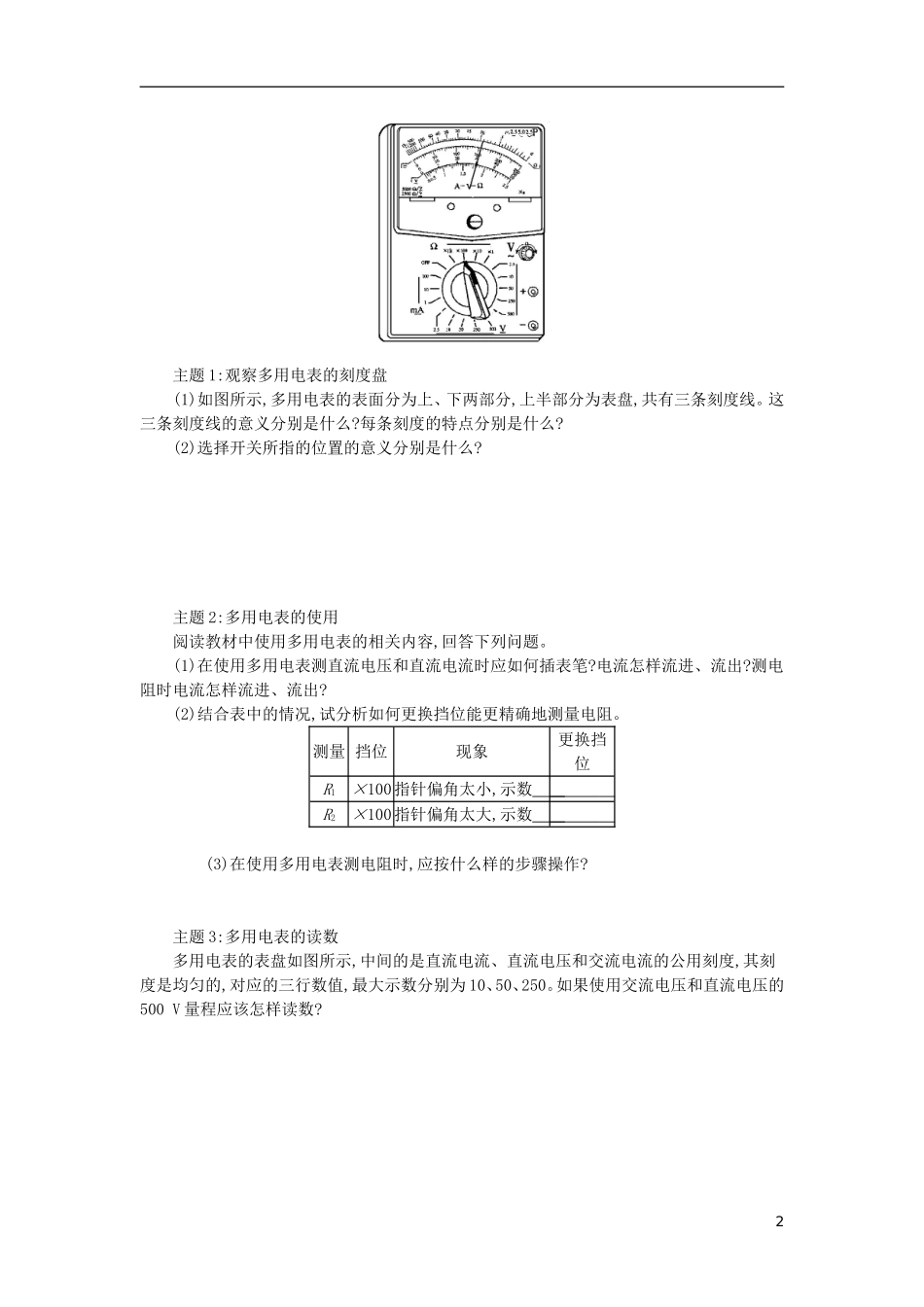
实验:练习使用多用电表1.通过观察了解多用电表的结构和测量功能,会根据测量需要正确选择挡位。2.通过实验操作学会使用多用电表测量电压、电流和电阻。养成良好的多用电表使用习惯。3.会用多用电表测量二极管的正反向电阻,并据此判断二极管的正、负极,会用多用电表探索简单黑箱中的电学元件。1.利用多用电表测量电压先将多用电表的选择开关旋至直流①电压挡,选择的量程应该②大于被测电压的估计值,测量时用两支表笔分别接触被测电路两端的接线柱,并使红表笔接触点的电势比黑表笔③高。2.利用多用电表测量电流先将多用电表的选择开关旋至直流④电流挡,选择的量程应该⑤大于被测电流的估计值,把多用电表⑥串联接在电路中,注意使电流从⑦红表笔流入电表。3.利用多用电表测量电阻先选择适当倍率的欧姆挡(使测量时表针落在刻度盘的⑧中间区域),再将两支表笔直接接触,调整⑨欧姆调零旋钮,使指针指在⑩0Ω刻度线,改变不同倍率的欧姆挡后必须重复这项操作。4.利用多用电表测量二极管的正反向电阻(1)二极管具有单向导电性,其特点是电流从正极流入时电阻比较小,从负极流入时电阻比较大。(2)欧姆表中的电流方向为从黑表笔流出,经过被测电阻,从红表笔流入。1主题1:观察多用电表的刻度盘(1)如图所示,多用电表的表面分为上、下两部分,上半部分为表盘,共有三条刻度线。这三条刻度线的意义分别是什么?每条刻度的特点分别是什么?(2)选择开关所指的位置的意义分别是什么?主题2:多用电表的使用阅读教材中使用多用电表的相关内容,回答下列问题。(1)在使用多用电表测直流电压和直流电流时应如何插表笔?电流怎样流进、流出?测电阻时电流怎样流进、流出?(2)结合表中的情况,试分析如何更换挡位能更精确地测量电阻。测量挡位现象更换挡位R1×100指针偏角太小,示数R2×100指针偏角太大,示数(3)在使用多用电表测电阻时,应按什么样的步骤操作?主题3:多用电表的读数多用电表的表盘如图所示,中间的是直流电流、直流电压和交流电流的公用刻度,其刻度是均匀的,对应的三行数值,最大示数分别为10、50、250。如果使用交流电压和直流电压的500V量程应该怎样读数?2主题4:研究二极管的单向导电性阅读教材中“测量二极管的正反向电阻”部分的内容,回答下列问题。(1)什么是二极管的单向导电性?(2)怎样判断二极管的正、负极?1.如图所示,电路图中E为电源,R1、R2为电阻,S为开关。现用多用电表测量流过电阻R2的电流,将多用电表的选择开关调至直流电流挡(内阻很小)以后,正确的接法是()。A.保持S闭合,将红表笔接在a处,黑表笔接在b处B.保持S闭合,将红表笔接在b处,黑表笔接在a处C.将S断开,红表笔接在a处,黑表笔接在b处D.将S断开,红表笔接在b处,黑表笔接在a处2.用多用电表欧姆挡测电阻时,有许多注意事项,下列说法中正确的是()。A.测量前必须调零,而且每测一次电阻都要重新调零B.每次换挡后必须电阻调零C.待测电阻如果是连接在某电路中,应先把它与其他元件断开,再进行测量D.两个表笔要与待测电阻接触良好才能测得较准确的结果,为此,应当用两只手分别将两个表笔及电阻的两端紧紧捏在一起33.一电学黑箱中有A、B、C三个接线柱,两个接线柱间最多只能接一个元件。黑箱内的元件是一只电阻和一只二极管。某同学用正确的操作方法利用多用电表的欧姆挡进行了6次测量,每次红、黑表笔的位置和测得的阻值如下表所示。可以判定:红表笔接ABBCAC黑表笔接BACBCA测得阻值(Ω)100100100.1k160100k60(1)电阻接在两点间,阻值为Ω。(2)二极管接在两点间,正极接在点。4.有一多用电表,其欧姆挡的四个量程分别为“×1”“×10”“×100”“×1k”。某学生把选择开关旋到“×100”挡测量一未知电阻时,发现指针偏转角度很大。为了减小误差,他应该()。A.换用“×1k”挡,不必重新调节调零旋钮B.换用“×10”挡,不必重新调节调零旋钮C.换用“×1k”挡,必须重新调节调零旋钮D.换用“×10”挡,必须重新调节调零旋钮拓展一、多用电表的读数1.图示是多用电表的刻度盘,当选量程为50mA的电流挡测量电流时,指针指在图示位置,则所测电流为mA;若选用倍率为“×100”的电阻挡测电阻时,指针也指在图示中同一位置,则所测电阻的阻值为Ω。如果要用此多用电表测量一个约2.0×104Ω的...

1、当您付费下载文档后,您只拥有了使用权限,并不意味着购买了版权,文档只能用于自身使用,不得用于其他商业用途(如 [转卖]进行直接盈利或[编辑后售卖]进行间接盈利)。
2、本站所有内容均由合作方或网友上传,本站不对文档的完整性、权威性及其观点立场正确性做任何保证或承诺!文档内容仅供研究参考,付费前请自行鉴别。
3、如文档内容存在违规,或者侵犯商业秘密、侵犯著作权等,请点击“违规举报”。

碎片内容

高中物理《实验 练习使用多用电表》导学案 教科版选修3-1-教科版高中选修3-1物理学案

您可能关注的文档

;绿洲书城+ 关注
实名认证
内容提供者

从事历史教学,热爱教育,高度负责。

确认删除?
VIP
微信客服
  • 扫码咨询
会员Q群
  • 会员专属群点击这里加入QQ群
客服邮箱
回到顶部