电脑桌面
添加小米粒文库到电脑桌面
安装后可以在桌面快捷访问

八年级物理下期期末复习 学案 (第七章---第十章) 沪科版VIP免费

八年级物理下期期末复习 学案 (第七章---第十章) 沪科版_第1页
1/24
八年级物理下期期末复习 学案 (第七章---第十章) 沪科版_第2页
2/24
八年级物理下期期末复习 学案 (第七章---第十章) 沪科版_第3页
3/24
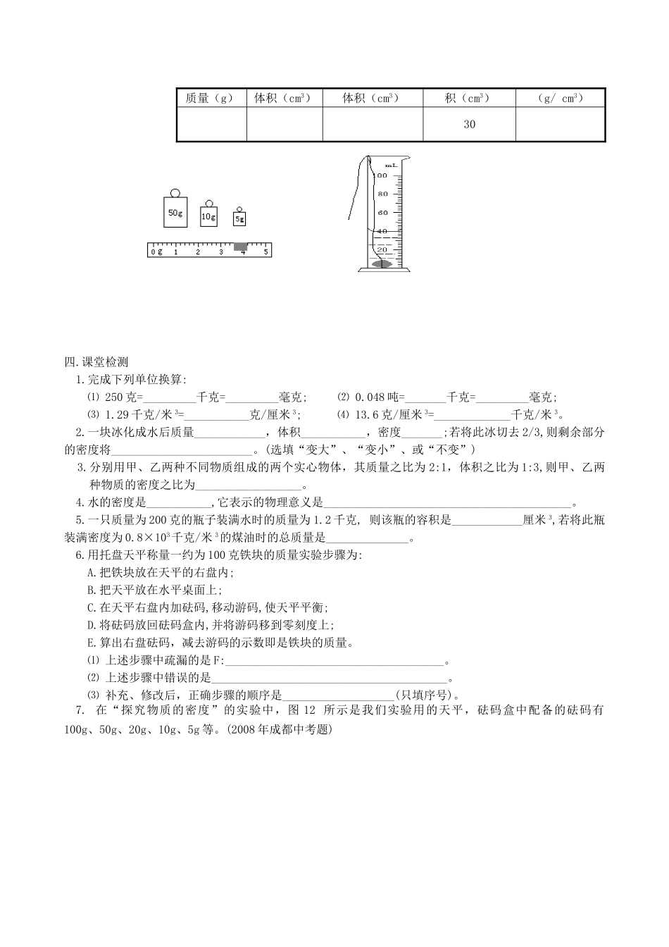
八年级下期期末复习物理(沪科版)学案(第七章---第十章)第一部分质量和密度一.学习目标:1.知道质量及其单位。2.理解密度的概念、单位及其应用。3.知道水的密度。4.会用天平称质量。5.会用天平和量筒测物质的密度。二.知识整理:(一)概念部分:1.质量:⑴定义:____________________________________________叫做质量。⑵质量是物体的一种基本属性,它不随物体的________、________、__________等的变化而变化。⑶单位:国际单位制中质量的基本单位是_________,常用的还有________、_______、________等。⑷测量工具:实验室常用__________________测量质量。2.密度:⑴定义:_________________________________叫做这种物质的密度。⑵公式:密度公式为___________,还可变形为_________和________。⑶单位:密度的国际单位是______,常用的有_____。1千克/米3=______克/厘米3;1克/厘米3=________千克/米3。⑷水的密度:水的密度是_____________,它表示的物理意义是______。(二)实验部分:1.质量测量──天平的使用:⑴水平调节:________________________________________________。⑵横梁平衡调节:________________________________________________________________。⑶称量时被测物体放在_______盘,砝码放在_______盘;横梁重新平衡时,被测物体的质量等于_______________________________。⑷取放砝码时要用__________夹取,不能用手拿。2.密度测量:⑴测定物质密度的原理是________________________。⑵实验中用________来称物体的质量,用________来测量物体的体积。⑶测定金属块密度的方法与步骤:①________________________________________________________________________;②____________________________________________________________________________;③__________________________________________________________________。⑷测定液体密度的方法与步骤:①_____________________________________________________________________________;②_____________________________________________________________________________;③_____________________________________________________________________________;④三.例题与巩固练习:1.单位换算:⑴氯原子的质量是1.7×10-27千克=____________克=_____________吨;⑵月球的质量约是7.4×1025克=_______吨=_______千克=______毫克。2.填上适当的单位:⑴一个初中生的质量大约是45_________;⑵一头大象的质量大约是5.8_________;⑶一只鸡的质量大约是2.0×106_______3.一铁块的质量是5千克,若把它轧成铁板,它的质量是________;若把它带到月球上时,它的质量是_________;若把它放在熔炉里完全熔成铁水时的质量是_________。4.一块铁质量是1.97吨,体积是0.25米3,铁的密度是_____千克/米3,合____克/厘米3;若将该铁块切去一半,则该铁块的密度为________.5.如图所示的甲、乙、丙三个杯中分别装入质量相等的水、硫酸、酒精,其中甲杯装的是_______,乙杯装的是_________,丙杯装的是________。甲乙丙6.一块1米3的冰熔化成水后,质量是___________,体积是_____________。7.一塑料桶最多能盛5千克的水,它的容积是________;用它盛装另一种液体,最多能盛4千克,这种液体的密度是________,它可能是_______。8.对密度公式ρ=m/V的理解,下列说法中错误的是:()A.体积相同,材料不同的实心物体,质量大的物体密度就大B.质量相同,材料不同的实心物体,体积大的物体密度就小C.同种物质组成的实心物体,其质量与体积成正比D.物质的密度与质量成正比,与它的体积成反比9.一个体积是0.5分米3的铁球,其质量为2.37千克,问:⑴它是实心的还是空心的?为什么?(ρ铁=7.9×103千克/米3)⑵若是空心的,则空心部分的体积是多大?10.在用天平和量筒测定金属块密度的实验中:⑴现有以下可供选择的实验步骤:A.将金属块投入盛水量筒中,记下水和金属块的总体积,记为Va;B.将金属块从量筒中取出,记下量筒中水的体积,记为Vb;C.调节好天平,用天平称出从量筒中取出的金属块的质量记为ma;D.调节好天平,用平天称出金属块的质量(尚未用量筒测体积)记为mb;...

1、当您付费下载文档后,您只拥有了使用权限,并不意味着购买了版权,文档只能用于自身使用,不得用于其他商业用途(如 [转卖]进行直接盈利或[编辑后售卖]进行间接盈利)。
2、本站所有内容均由合作方或网友上传,本站不对文档的完整性、权威性及其观点立场正确性做任何保证或承诺!文档内容仅供研究参考,付费前请自行鉴别。
3、如文档内容存在违规,或者侵犯商业秘密、侵犯著作权等,请点击“违规举报”。

碎片内容

八年级物理下期期末复习 学案 (第七章---第十章) 沪科版

您可能关注的文档

海博书城+ 关注
实名认证
内容提供者

从事历史教学,热爱教育,高度负责。

相关文档

确认删除?
VIP
微信客服
  • 扫码咨询
会员Q群
  • 会员专属群点击这里加入QQ群
客服邮箱
回到顶部