电脑桌面
添加小米粒文库到电脑桌面
安装后可以在桌面快捷访问

淤泥质土基坑工程防止桩基倾斜专项措施VIP免费

淤泥质土基坑工程防止桩基倾斜专项措施_第1页
1/6
淤泥质土基坑工程防止桩基倾斜专项措施_第2页
2/6
淤泥质土基坑工程防止桩基倾斜专项措施_第3页
3/6
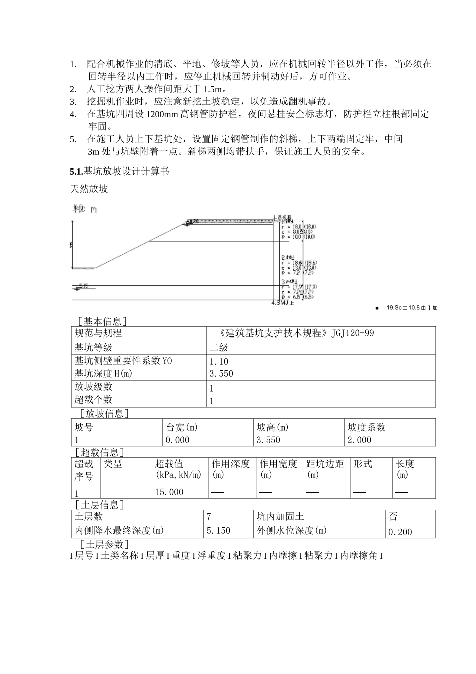
A淤泥质土基坑工程防止桩基倾斜专项措施一、施工难点分析本工程淤泥质土层厚,预应力管桩由于配筋率低,若挖方机械挖土未分层开挖,或挖土机铲斗碰撞管桩,或挖土机停靠在管桩头上,都会导致基坑中的预应力桩倾斜偏位,严重的产生断裂。基坑临近施工道路,造成该段坡底淤泥层承载力不足,并在道路运输动静荷载作用下向基坑内部挤动。二、施工措施为防止工程桩在开挖中发生倾斜,本工程土方开挖特采取以下措施:(1)设置钢板桩基坑支护,(2)基坑放缓坡至1:2。如需要保证施工道路,边坡最陡不超过1:1.5。(3)局部采用灰土固化护坡并用塑料布防雨,控制明水冲刷,以增强边坡抵抗变形能力,避免边坡土进一步向坑内滑移。(4)基坑土方宜斜面分层开挖,每层挖深1~2m,挖深3m以上的基坑,严禁“一步开挖到位”。(5)暂停挖土时,必须按台阶式留置缓坡,退台宽度不小于2m,坡度应在1:3以上。(6)严禁雨天开挖,基底留设300*300明沟、01000深1000集水井排水。(7)基坑挖土宜采取边挖、边浇(浇筑混凝土垫层)、边砌(在局部加深部位砌砖模,保护土坡并用作承台和地梁模板)的施工方法,保护基底土体不位移。(8)在局部深挖部位(如塔吊基座、电梯坑、集水坑)应先挖土卸载,避免一次开挖过度。三、问题桩处理措施开挖后发现大面积断桩、或桩基倾斜过大,无法纠偏的工程桩,应报监理及设计单位,协商处理措施。拟补打灌注桩并相应加大承台。A.1机械开挖安全及桩基保护措施(1)夜间挖土时,施工场地应有足够的照明;(2)开挖土方时,应有专人指挥,防止机械伤人或坠土伤人,挖土机的工作范围内,不准进行其它工作;(3)基坑开挖时,两人操作间距应大于2.5m。多台机械开挖,挖土机间距应大于10m。在挖土机工作范围内,不许进行其他作业;(4)挖土应自上而下,逐层进行,严禁先挖坡脚或逆坡挖土;(5)重物距边坡应有一定距离,汽车不小于3m,起重机不小于4m,土方堆放不小于1m,堆土高度部超过1.5m,材料堆放应不小于1m;(6)挖土机也按规定离坡边有一定的安全距离,以防塌方,造成翻车事故,一般距离不小于1至1.5m;(7)挖槽作业时由土建工长跟槽,严格控制挖土标高,并预先用白灰标识指示出基坑内的工程桩位置和标高防止扰动工程桩。(8)基础垫层底面标高上留100厚土层,改用人工开挖清槽,另外工程桩范围内的土体亦由人工剥离。A.2基坑开挖安全措施1.配合机械作业的清底、平地、修坡等人员,应在机械回转半径以外工作,当必须在回转半径以内工作时,应停止机械回转并制动好后,方可作业。2.人工挖方两人操作间距大于1.5m。3.挖掘机作业时,应注意新挖土坡稳定,以免造成翻机事故。4.在基坑四周设1200mm高钢管防护栏,夜间悬挂安全标志灯,防护栏立柱根部固定牢固。5.在施工人员上下基坑处,设置固定钢管制作的斜梯,上下两端固定牢,中间3m处与坑壁附着一点。斜梯两侧均带扶手,保证施工人员的安全。5.1.基坑放坡设计计算书天然放坡4.SMJ上■—-19.Sc二10.8由-】加[基本信息]规范与规程《建筑基坑支护技术规程》JGJ120-99基坑等级二级基坑侧壁重要性系数YO1.10基坑深度H(m)3.550放坡级数1超载个数1[放坡信息]坡号台宽(m)坡高(m)坡度系数10.0003.5502.000[超载信息]超载序号类型超载值(kPa,kN/m)作用深度(m)作用宽度(m)距坑边距(m)形式长度(m)115.000—————[土层信息]土层数7坑内加固土否内侧降水最终深度(m)5.150外侧水位深度(m)0.200[土层参数]I层号I土类名称I层厚I重度I浮重度I粘聚力I内摩擦I粘聚力I内摩擦角I(m)(kN/m3)(kN/m3)(kPa)角(度)水下(kPa)水下(度)1杂填土1.5018.08.08.0010.008.0010.002素填土3.4018.68.613.007.2013.007.203淤泥质土1.1017.97.97.216.807.216.804粘性土4.5019.89.8——10.8018.965淤泥质土3.5018.88.8——10.328.406粘性土1.0019.39.3——22.0010.007粉土3.5020.510.5——10.6426.10[设计结果][整体稳定验算]天然放坡计算条件:计算方法:瑞典条分法应力状态:总应力法基坑底面以下的截止计算深度:0.00m基坑底面以下滑裂面搜索步长:5.00m条分法中的土条宽度:0.50m天然放坡计算结果:道号整体稳定安全系数半径R(m)圆心坐标Xc(m)圆心坐标Yc(m)1100.0000.0000.00...

1、当您付费下载文档后,您只拥有了使用权限,并不意味着购买了版权,文档只能用于自身使用,不得用于其他商业用途(如 [转卖]进行直接盈利或[编辑后售卖]进行间接盈利)。
2、本站所有内容均由合作方或网友上传,本站不对文档的完整性、权威性及其观点立场正确性做任何保证或承诺!文档内容仅供研究参考,付费前请自行鉴别。
3、如文档内容存在违规,或者侵犯商业秘密、侵犯著作权等,请点击“违规举报”。

碎片内容

淤泥质土基坑工程防止桩基倾斜专项措施

您可能关注的文档

wxg+ 关注
实名认证
内容提供者

该用户很懒,什么也没介绍

确认删除?
VIP
微信客服
  • 扫码咨询
会员Q群
  • 会员专属群点击这里加入QQ群
客服邮箱
回到顶部