电脑桌面
添加小米粒文库到电脑桌面
安装后可以在桌面快捷访问

中小型机械平时检查记录表VIP免费

中小型机械平时检查记录表_第1页
1/3
中小型机械平时检查记录表_第2页
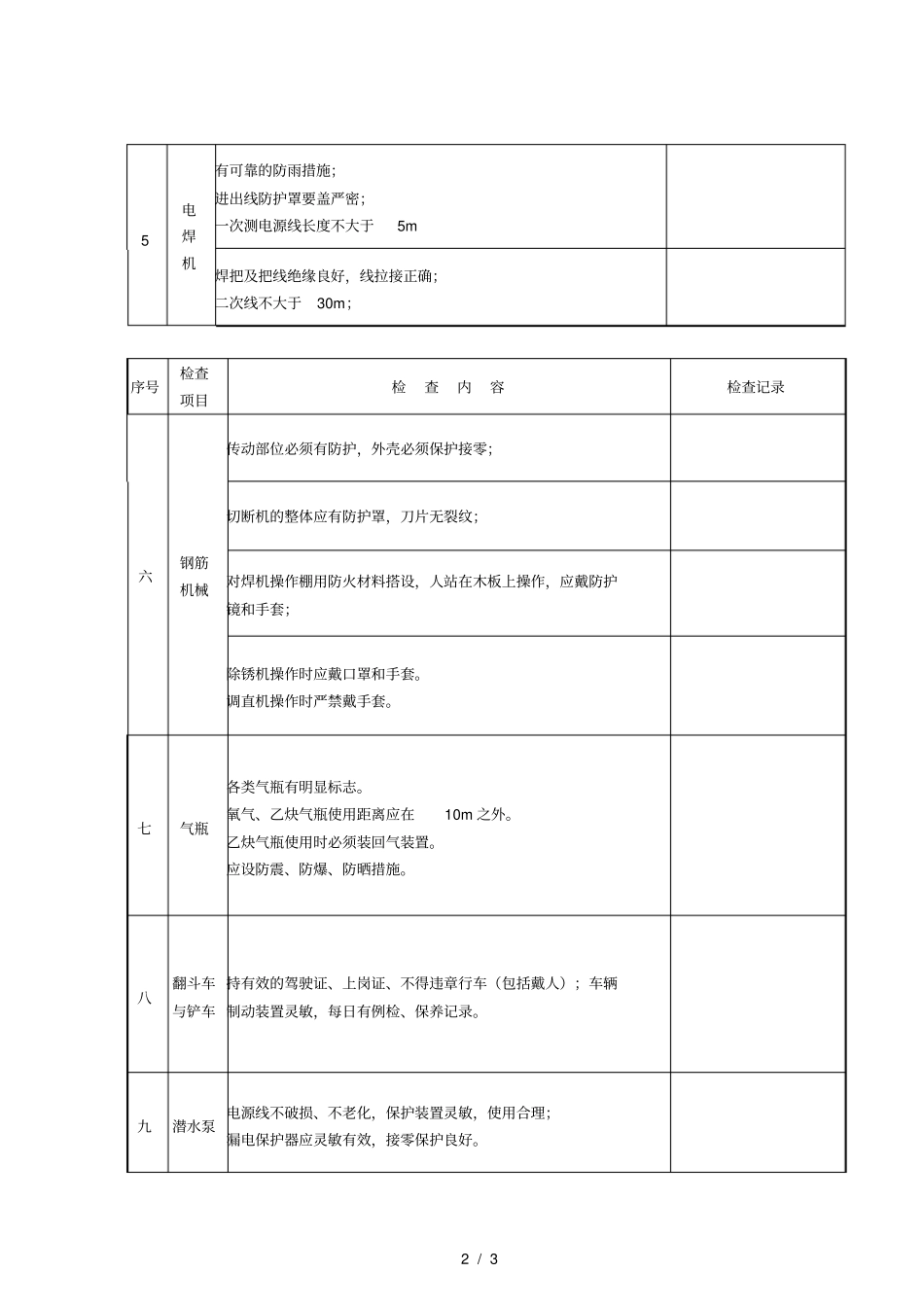
2/3
中小型机械平时检查记录表_第3页
3/3
1/3中小型机械平常检查记录表№33工程名称检查人年月日序号检查项目检查内容检查记录一搅拌机与砂浆机机体安装平稳,接零保护符合要求;操作棚符合防雨要求,挂安全操作规程牌,有排水措施;传动部位保护、离合器、制动器要符合规定,料斗钢丝绳到底必须保持三圈;防护罩、盖齐全有效,定机定人,持证操作;二木工平(轧)刨外露传动部位必须有防护罩。露天放置要有防雨棚;平刨刀刃处装有护手装置,轧刨设有防弹安全装置;漏电保护器灵敏有效,接地或接零保护符合要求;此表应一日一检查三电锯防护挡板装置及月牙罩要符合要求;传动部位防护罩装置齐全牢固;操作必须用单向手动开关;漏电保护器灵敏有效,接零保护良好四手持电动机具防护罩壳齐全有效,电缆不得破损;漏电保护器应安装正确且灵敏有效,接零保护良好;水磨石机电线应架空,操作者应穿绝缘鞋,戴绝缘手套;蛙式打夯机手把应装按钮开关,包绝缘材料,操作者应戴绝缘手套。2/35电焊机有可靠的防雨措施;进出线防护罩要盖严密;一次测电源线长度不大于5m焊把及把线绝缘良好,线拉接正确;二次线不大于30m;序号检查项目检查内容检查记录六钢筋机械传动部位必须有防护,外壳必须保护接零;切断机的整体应有防护罩,刀片无裂纹;对焊机操作棚用防火材料搭设,人站在木板上操作,应戴防护镜和手套;除锈机操作时应戴口罩和手套。调直机操作时严禁戴手套。七气瓶各类气瓶有明显标志。氧气、乙炔气瓶使用距离应在10m之外。乙炔气瓶使用时必须装回气装置。应设防震、防爆、防晒措施。八翻斗车与铲车持有效的驾驶证、上岗证、不得违章行车(包括戴人);车辆制动装置灵敏,每日有例检、保养记录。九潜水泵电源线不破损、不老化,保护装置灵敏,使用合理;漏电保护器应灵敏有效,接零保护良好。3/3整改措施整改人:自月日至月日复查意见复查人:自月日至月日注:此表填写不下者,可另附表。

1、当您付费下载文档后,您只拥有了使用权限,并不意味着购买了版权,文档只能用于自身使用,不得用于其他商业用途(如 [转卖]进行直接盈利或[编辑后售卖]进行间接盈利)。
2、本站所有内容均由合作方或网友上传,本站不对文档的完整性、权威性及其观点立场正确性做任何保证或承诺!文档内容仅供研究参考,付费前请自行鉴别。
3、如文档内容存在违规,或者侵犯商业秘密、侵犯著作权等,请点击“违规举报”。

碎片内容

中小型机械平时检查记录表

文库当当响+ 关注
实名认证
内容提供者

该用户很懒,什么也没介绍

确认删除?
VIP
微信客服
  • 扫码咨询
会员Q群
  • 会员专属群点击这里加入QQ群
客服邮箱
回到顶部