电脑桌面
添加小米粒文库到电脑桌面
安装后可以在桌面快捷访问

中考压强难题VIP免费

中考压强难题_第1页
1/4
中考压强难题_第2页
2/4
中考压强难题_第3页
3/4
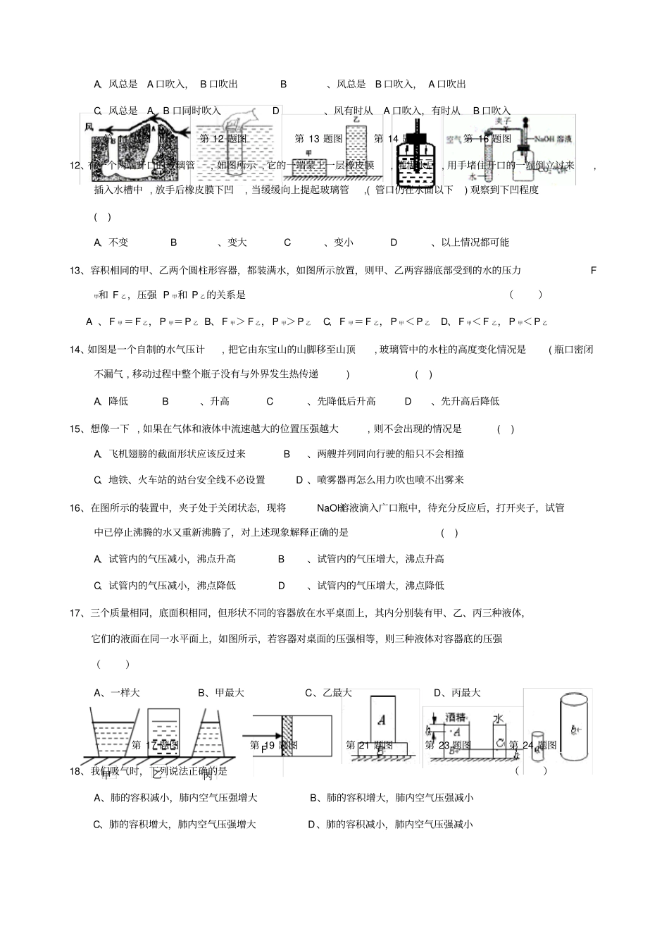
一、中考压强难题1、酒精的沸点是78.5℃,如果测出酒精的沸点是78℃,则当地的大气压________于76cmHg。2、在一个标准大气压下,水的沸点是100℃,如图中,小试管B装有热水,悬放在正在加热盛有沸水的烧杯A中,试管B中的水不能沸腾,要使试管中水沸腾,可采用的两种方法分别是:(1)___________________(2)_______________________。第2题图第3题图第4题图第7题图第9题图第10题图3、用相同材料制成的圆柱体A和B,已知A的高度是B的4倍,B放在水平地面上,A放在B的正中央,如图所示,若A对B的压强和B对地的压强相等,则A与B的底面积之比SA:SB=________。4、如图所示,正方体木块甲和乙边长之比为1:2,密度之比是4:1,将物块甲放在物块乙的中央,则物块甲对乙的压强P1与乙对地的压强P2之比为。5、塑料挂衣钩一侧的表面积是25cm2,如图所示,把挂衣钩紧贴在光滑的天花板上,在1标准大气压条件下,这个挂衣钩下端最多能挂约重N的物体。6、保温瓶中热水不满而盖紧瓶塞,过一段时间,瓶塞不易拔出。假定外界大气压为1.0×105Pa,瓶口截面积为10cm2,拔出瓶塞至少需20N的力,则瓶内气体压强是Pa。7、已知实验室所在地大气压为1标准大气压,在如图所示的托里拆利实验中,管内水银上方为真空,则管内A点的压强为_______毫米汞柱,槽内B点的压强为_______毫米汞柱。8、在案发现场留下了罪犯清楚的站立脚印,公安人员立即用蜡浇注了鞋模,测量蜡鞋模的平均厚度为3cm,质量675g,又经测试达到鞋印同深度压强为1.5×104Pa,罪犯的体重为Kg。(ρ蜡=0.9×103kg/m3)9、如图所示,容器A、B、C的底面积相等,内装同种液体且高度相同,则容器底部受到液体的压强pApBpC;压力FAFBFC;容器内液体的重力和对容器底的压力相比较:GAFA,GBFB,GcFc。(选填“>”、“=”、“<”=)10、如图是举重运动员小宇自制的训练器械,轻杆AB长15m,可绕固定点O在竖直平面内自由转动,A端用细绳通过滑轮悬挂着体积为0.015m3的沙袋,其中OA=1m,在B端施加竖直向上600N的作用力时,轻杆AB在水平位置平衡,则沙子的密度为kg/m3。(g取10N/kg,装沙的袋子体积和质量、绳重及摩擦不计)11、如图是北美草原犬鼠洞穴的横截面示意图。它有两个出口,当风吹过隆起洞口A表面时,风速较大,吹过平坦洞口B时,风速较小,从而给洞中的犬鼠带去习习凉风。则下列有关洞内风向分析正确的是()甲丙乙FA、风总是A口吹入,B口吹出B、风总是B口吹入,A口吹出C、风总是A、B口同时吹入D、风有时从A口吹入,有时从B口吹入第11题图第12题图第13题图第14题图第16题图12、有一个两端开口的玻璃管,如图所示,它的一端蒙上一层橡皮膜,灌满水后,用手堵住开口的一端倒立过来,插入水槽中,放手后橡皮膜下凹,当缓缓向上提起玻璃管,(管口仍在水面以下)观察到下凹程度()A、不变B、变大C、变小D、以上情况都可能13、容积相同的甲、乙两个圆柱形容器,都装满水,如图所示放置,则甲、乙两容器底部受到的水的压力F甲和F乙,压强P甲和P乙的关系是()A、F甲=F乙,P甲=P乙B、F甲>F乙,P甲>P乙C、F甲=F乙,P甲<P乙D、F甲<F乙,P甲<P乙14、如图是一个自制的水气压计,把它由东宝山的山脚移至山顶,玻璃管中的水柱的高度变化情况是(瓶口密闭不漏气,移动过程中整个瓶子没有与外界发生热传递)()A、降低B、升高C、先降低后升高D、先升高后降低15、想像一下,如果在气体和液体中流速越大的位置压强越大,则不会出现的情况是()A、飞机翅膀的截面形状应该反过来B、两艘并列同向行驶的船只不会相撞C、地铁、火车站的站台安全线不必设置D、喷雾器再怎么用力吹也喷不出雾来16、在图所示的装置中,夹子处于关闭状态,现将NaOH溶液滴入广口瓶中,待充分反应后,打开夹子,试管中已停止沸腾的水又重新沸腾了,对上述现象解释正确的是()A、试管内的气压减小,沸点升高B、试管内的气压增大,沸点升高C、试管内的气压减小,沸点降低D、试管内的气压增大,沸点降低17、三个质量相同,底面积相同,但形状不同的容器放在水平桌面上,其内分别装有甲、乙、丙三种液体,它们的液面在同一水平面上,如图所示,若容器对桌面的压强相等,则三种液体对容器底的压强()A、一样大B、甲最大C、乙最大D、...

1、当您付费下载文档后,您只拥有了使用权限,并不意味着购买了版权,文档只能用于自身使用,不得用于其他商业用途(如 [转卖]进行直接盈利或[编辑后售卖]进行间接盈利)。
2、本站所有内容均由合作方或网友上传,本站不对文档的完整性、权威性及其观点立场正确性做任何保证或承诺!文档内容仅供研究参考,付费前请自行鉴别。
3、如文档内容存在违规,或者侵犯商业秘密、侵犯著作权等,请点击“违规举报”。

碎片内容

中考压强难题

您可能关注的文档

文库响当当+ 关注
实名认证
内容提供者

该用户很懒,什么也没介绍

确认删除?
VIP
微信客服
  • 扫码咨询
会员Q群
  • 会员专属群点击这里加入QQ群
客服邮箱
回到顶部