电脑桌面
添加小米粒文库到电脑桌面
安装后可以在桌面快捷访问

乌兰木伦广场—璀璨之星B座钻孔灌注桩试桩工程施工组织VIP免费

乌兰木伦广场—璀璨之星B座钻孔灌注桩试桩工程施工组织_第1页
1/24
乌兰木伦广场—璀璨之星B座钻孔灌注桩试桩工程施工组织_第2页
2/24
乌兰木伦广场—璀璨之星B座钻孔灌注桩试桩工程施工组织_第3页
3/24
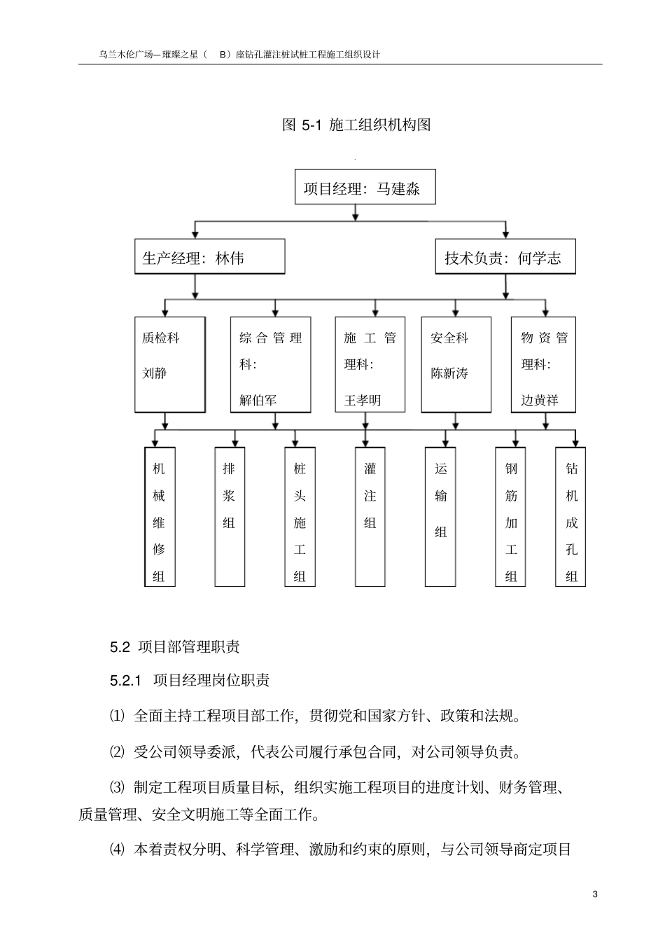
乌兰木伦广场—璀璨之星(B)座钻孔灌注桩试桩工程施工组织设计11.工程概况鄂尔多斯市乌兰木伦广场—璀璨之城(B)座钻孔灌注桩试桩工程,位于鄂尔多斯市伊旗高层区乌兰木伦河南岸D02地块。该试桩工程由3根(组)试桩及18根锚桩组成,采用¢800钻孔灌注桩桩长试桩33米、锚桩32.2米。建设单位:呼和浩特市福灵房地产开发有限公司监理单位:建研凯勃建设工程咨询有限公司2.场地工程地质、水文地质概况2.1地貌:本工程位于鄂尔多斯市伊旗。地貌单元属鄂尔多斯台地。2.2工程地质条件:详见“鄂尔多斯市乌兰木伦广场岩土工程勘察报告”。2.3水文地质条件:根据勘察报告,拟建场地地下水位为15米。3.施工组织设计编制依据3.1业主提供的材料(1)设计图纸;(2)塔B桩身详图3.2技术规范标准(1)《建筑桩基技术规范》JGJ94-2008(2)《建筑地基基础设计规范》GB50007-2002(3)《建筑地基基础工程施工质量验收规范》GB50202-2002(4)《混凝土结构工程施工质量验收规范》GB50204-2002(5)《钢筋焊接及验收规程》JGJ18-2003乌兰木伦广场—璀璨之星(B)座钻孔灌注桩试桩工程施工组织设计24.技术要求4.1试桩桩径Φ800mm灌注桩3根,桩身混凝土强度为C45,主筋为(Φ20)HRB400级钢,箍筋为(Φ8)HPB235级钢。有效桩长33m。桩端进入持力层不小于1.6m。2.2锚桩桩径Φ800mm灌注桩18根,桩身混凝土强度为C45,主筋为(Φ32)HRB400/335级钢,箍筋为(Φ8)HPB235级钢。有效桩长33m。桩端进入持力层不小于1.6m。4.3桩头处理桩身超灌高度2m,桩头施工必须对原桩身超灌区域混凝土凿除干净,新老混凝土处按施工缝处理。4.4工程量工程量见表3-1表3-15.施工组织机构5.1施工组织机构施工现场成立项目部,其组织机构见图5-1工程量桩型桩数(根)工程量(m3)桩头处理(个)计算施工凿除(φ1000)搭接(φ800)φ800灌注桩21340.93409.1121乌兰木伦广场—璀璨之星(B)座钻孔灌注桩试桩工程施工组织设计3图5-1施工组织机构图5.2项目部管理职责5.2.1项目经理岗位职责⑴全面主持工程项目部工作,贯彻党和国家方针、政策和法规。⑵受公司领导委派,代表公司履行承包合同,对公司领导负责。⑶制定工程项目质量目标,组织实施工程项目的进度计划、财务管理、质量管理、安全文明施工等全面工作。⑷本着责权分明、科学管理、激励和约束的原则,与公司领导商定项目项目经理:马建淼生产经理:林伟质检科刘静综合管理科:解伯军施工管理科:王孝明安全科陈新涛物资管理科:边黄祥机械维修组排浆组桩头施工组灌注组运输组钢筋加工组钻机成孔组技术负责:何学志乌兰木伦广场—璀璨之星(B)座钻孔灌注桩试桩工程施工组织设计4部管理机构,制定项目部规章制度。⑸熟知基建工程施工程序、工艺及标准。掌握国家、地方和行业的各类规程、规范及技术标准。⑹适应市场需要,依法经营,提高服务质量,圆满完成承包任务。⑺保证职工的合法权益,加强劳动保护,实现安全生产文明施工。⑻对职工进行精神文明教育,建设有理想、有道德、有文化、有纪律的职工队伍。⑼制定项目部的分配原则和奖励制度。⑽对职工违法乱纪、不服从分配的提出批评教育,必要时给予行政或经济处罚。⑾对重大质量事故,组织调查、分析及决策。⑿协调工程项目部与有关单位的工作关系。5.2.2项目副经理职责⑴协助项目经理负责本项目的管理工作。⑵负责生产质量计划的执行、资源配置、项目的分包管理、产品的保存、客户投诉等。5.2.3技术负责岗位职责⑴负责工程技术、质量、安全及文明施工管理。⑵协助项目经理进行资金、进度、质量、安全四大控制。⑶协助项目经理作好工程项目的招标、议标、定标工作。⑷负责工程施工中的技术协调工作。⑸负责组织工程全过程质量管理工作。⑹协助项目经理作好外部关系协调和政策处理工作。乌兰木伦广场—璀璨之星(B)座钻孔灌注桩试桩工程施工组织设计5⑺负责解决工程施工中的重大技术问题。审定施工质量检验项目划分,编写施工技术交底提纲,审核施工作业指导书。⑻负责审查工程总进度计划。5.2.4综合管理科职责⑴负责编制工程总体进度计划、月施工进度计划,汇总编制工程进度统计报表。⑵负责项目的成本控制,合...

1、当您付费下载文档后,您只拥有了使用权限,并不意味着购买了版权,文档只能用于自身使用,不得用于其他商业用途(如 [转卖]进行直接盈利或[编辑后售卖]进行间接盈利)。
2、本站所有内容均由合作方或网友上传,本站不对文档的完整性、权威性及其观点立场正确性做任何保证或承诺!文档内容仅供研究参考,付费前请自行鉴别。
3、如文档内容存在违规,或者侵犯商业秘密、侵犯著作权等,请点击“违规举报”。

碎片内容

乌兰木伦广场—璀璨之星B座钻孔灌注桩试桩工程施工组织

确认删除?
VIP
微信客服
  • 扫码咨询
会员Q群
  • 会员专属群点击这里加入QQ群
客服邮箱
回到顶部