电脑桌面
添加小米粒文库到电脑桌面
安装后可以在桌面快捷访问

九年级物理全册家庭用电学案新版沪科版VIP专享VIP免费

九年级物理全册家庭用电学案新版沪科版_第1页
1/4
九年级物理全册家庭用电学案新版沪科版_第2页
2/4
九年级物理全册家庭用电学案新版沪科版_第3页
3/4
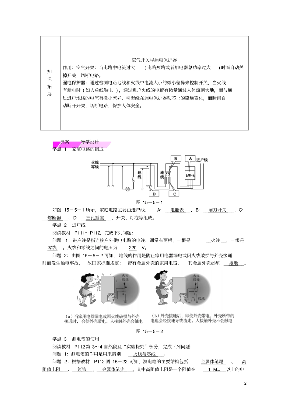
1第五节家庭用电教材解读本节内容涉及家庭电路的组成和安全用电知识,既是前面学过的电路和电路计算的知识延伸,又与实际生活相联系,充分体现“从生活走向物理,从物理走向社会”的理念。学好本节内容对于电的应用及安全用电有着重要的意义,因为这关系着人的生命安全。本节内容没有较深的知识点,但是比较琐碎、繁杂,有许多潜知识包含在其中,都是生活中的必备常识,因此教师可以结合实物介绍分析家庭电路的组成及一些注意事项,但是总体目标要求学生基本掌握即可。教学目标知识与技能①知道家庭电路的主要组成部分及作用。②了解火线、零线、测电笔的构造及使用。③了解安全用电常识。过程与方法在观察家庭实际电路(或教室实际电路)的过程中,归纳概括出家庭电路的主要特征。情感、态度与价值观有了解家庭电路的愿望和安全用电的意识。重点难点重点家庭电路主要设备及其作用与连接。家庭电路知识是学生接触最直接的,学习电学知识后应该有进一步的认识,可结合录像或部分实物进行分析,使学生掌握一些关键环节,如测电笔的使用、用电器外壳接地等。难点对于触电事故的发生具有不可实验与体验性,要利用所学知识进行引导,分析其实质,并总结对于触电事故的防止及急救。教学方法学生对家庭电路较为熟悉,但是对电路的具体连接方式及火线、零线的认识还是比较模糊,且学生对电也是有所抵触的,所以建议教师指导学生使用测电笔认识一下零线与火线,既能让学生了解测电笔的使用方法、认识零线与火线,也能减少学生对电的恐惧,使学生认识到只要正确使用,电是没有危险的。2知识拓展空气开关与漏电保护器作用:空气开关:当电路中电流过大(电路短路或者用电器总功率过大)时而自动关掉开关,切断电路。漏电保护器:通过检测电路地线和火线中电流大小的微小差异来控制开关,当火线有漏电时(如人单线触电),通过进户火线的电流有微量通过人体流到大地,而与通过进户地线的电流有微小差异,引起绕在漏电保护器铁芯上的磁通变化,而瞬间自动断开开关,切断电路,保护人体安全。典案导学设计学点1家庭电路的组成图15-5-1如图15-5-1所示,家庭电路主要由进户线、A:__电能表__、B:__闸刀开关__、C:__熔断器__、D:__三孔插座__、开关、灯泡等组成。学点2进户线阅读教材P111~P112,完成下列问题:问题1:进户线是指连接户外供电电路的电线,通常有两根,一根是__火线__,一根是__零线__。火线和零线之间的电压为__220__V。问题2:由图15-5-2可知,地线的作用是防止家用电器漏电或因火线破损与外壳接通时而发生触电事故,故国家标准规定:带有金属外壳的家用电器,其金属外壳必须__接地__。图15-5-2学点3测电笔的使用阅读教材P112第3~4自然段及“实验探究”部分,完成下列问题:问题1:测电笔的作用是用来辨别__火线与零线__。问题2:根据教材P112图15-22可知,测电笔的主要结构包括__金属体笔尾__、__高阻值电阻__、__氖管__、__金属体笔尖__。其中高阻值电阻是一个阻值在__1_MΩ__以上的电3阻,它的作用是__限制通过人体电流的大小,防止发生触电事故__。问题3:测电笔的使用方法使用测电笔时,手指要与测电笔的__金属体笔尾__接触,人手决不能接触测电笔的__金属体笔尖__。用测电笔和被测导线接触,若氖管发光,则测电笔接触的是__火线__,若氖管不亮,则测电笔接触的是__零线__。学点4注意用电安全阅读教材P113~114,完成下列问题:问题1:日常生活所说的触电是指__一定大小的电流通过人体所引起的伤害事故__。大量事实表明:__不高于36_V__的电压才是安全电压。问题2:家庭电路中的触电事故都是人体直接或间接接触__火线__而引起的。问题3:请给下面的安全用电图片配上文字说明:图15-5-3A图的文字说明:__开关要接在火线上__。B图的文字说明:__螺口灯泡的螺旋金属一定要接在零线上__。C图的文字说明:__三孔插座应接有地线__。问题4:请你再列举出安全用电的其他注意事项(写出两条即可):__不弄湿用电器,不损坏电器设备中的绝缘体等__。问题5:当发现有人触电,首先应__切断电源__或__用干燥的木棍、竹竿将电线挑开__,使触电的人迅速脱离电源。发生火灾时,要首先__...

1、当您付费下载文档后,您只拥有了使用权限,并不意味着购买了版权,文档只能用于自身使用,不得用于其他商业用途(如 [转卖]进行直接盈利或[编辑后售卖]进行间接盈利)。
2、本站所有内容均由合作方或网友上传,本站不对文档的完整性、权威性及其观点立场正确性做任何保证或承诺!文档内容仅供研究参考,付费前请自行鉴别。
3、如文档内容存在违规,或者侵犯商业秘密、侵犯著作权等,请点击“违规举报”。

碎片内容

九年级物理全册家庭用电学案新版沪科版

确认删除?
VIP
微信客服
  • 扫码咨询
会员Q群
  • 会员专属群点击这里加入QQ群
客服邮箱
回到顶部