电脑桌面
添加小米粒文库到电脑桌面
安装后可以在桌面快捷访问

九年级物理全册熔化与凝固学案新版沪科版VIP免费

九年级物理全册熔化与凝固学案新版沪科版_第1页
1/4
九年级物理全册熔化与凝固学案新版沪科版_第2页
2/4
九年级物理全册熔化与凝固学案新版沪科版_第3页
3/4
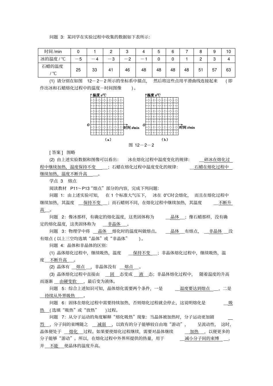
第二节熔化与凝固教材解读用学生熟悉的水的熔化和凝固引入新课。然后说明固体、液体在一定条件下会发生状态的变化,并举例以激发学生兴趣。再说明熔化和凝固的物理含义,强调熔化和凝固都是过程,完成每个过程需要一定的时间。探究固体熔化时温度的变化规律,实验前强调酒精灯的正确使用方法。要求学生不仅要学习固体熔化时温度变化的规律,体验探究科学知识的乐趣,还要求学生学习科学家的科学探究方法,领悟科学的思想和精神。结合学生从实验中得到的熔化曲线,得出“晶体有一定的熔点,非晶体没有一定的熔点”的结论,用有没有一定的熔点来鉴别晶体和非晶体是一种重要的鉴别方法。会看数据表、会查数据是学生应掌握的一种技能。给学生提一些有趣的问题,让学生到数据表中找答案。通过对熔化时温度变化曲线的学习,提高学生的识图能力。对于熔化吸热和凝固放热,重点说明这些现象的应用,以加深学生的印象,使他们了解如何应用学过的知识。教学目标知识与技能①认识物质的气态、液态和固体三种形态,能描述这三种物态的基本特征。②了解熔化、凝固的含义及它们的吸放热情况。③了解晶体和非晶体的区别。④了解熔化曲线和凝固曲线的物理含义。过程与方法①通过探究固体熔化时温度变化的规律,感知发生状态变化的条件。②了解有没有固定的熔化温度是区别晶体和非晶体的一种方法。③通过探究活动,了解图像是一种比较直观的表示物理量变化的方法。情感、态度与价值观通过教学活动,激发学生对自然现象的关心,产生乐于探索自然现象的情感。重点难点重点通过观察晶体与非晶体的熔化、凝固过程培养观察能力、实验能力和分析概括能力。实验过程中,给予学生适当点拨,教给学生设计实验、进行实验、分析实验的方法。难点根据实验总结熔化和凝固时温度的变化规律,并用图像表示。作好晶体与非晶体的熔化、凝固图像,对比分析找出异同点,并进行总结。创新探究改进方法:利用浓食盐水冷却使水结冰探究熔化实验。步骤:①将浓食盐水放入冰箱冷冻室,一夜温度可达-22℃;②课前准备小试管,放入适量水,并将温度计放入水中,只要将温度计的液泡浸没即可;③将小试管放入盐水中冷冻,几分钟后即可进行实验。使用小试管优点:结冰快、不用酒精灯加热(可用手加热)、可反复实验。学点1熔化与凝固的概念阅读教材P9第1自然段,完成下列填空:熔化:物质从__固态__变为__液态__的过程称为熔化,例如__铁变成铁水__。凝固:物质从__液态__变为__固态__的过程称为凝固,例如__铁水变成铁铸件__。学点2探究物质的熔化提出问题:冰在什么情况下会熔化?冰在熔化过程中与其他固体(如石蜡)在熔化过程中的温度变化情况是否相同?猜想与假设:你的猜想是:__冰在熔化过程中温度可能保持不变,其熔化过程可能与石蜡的熔化过程不同__。进行实验与收集证据:实验装置如图12-2-1所示。图12-2-1问题1:实验过程中采用“水浴加热法”,其目的有两个,一是__使碎冰受热均匀__,二是__方便控制碎冰受热熔化的速度,便于记录温度和观察现象__。问题2:实验过程中需要注意观察__碎冰的状态__和__温度计的示数__。问题3:某同学在实验过程中收集的数据如下表所示:时间/min012345678910冰的温度/℃-5-4-3-2-1001234石蜡的温度/℃2533414648484848515763(1)请分别在如图12-2-2所示的坐标系中描点,然后将这些点用平滑曲线连接起来(即作出冰和石蜡熔化过程中的温度-时间图像)。图12-2-2[答案]图略(2)由上述实验数据和图像可以看出:冰在熔化过程中温度变化的规律:__碎冰在熔化过程中继续加热,温度保持不变__;石蜡在熔化过程中温度变化的规律:__石蜡在熔化过程中继续加热,温度不断升高__。学点3熔点阅读教材P11~P13“熔点”部分的内容,完成下列问题:问题1:由上述实验可知,在1个标准大气压下,冰在0℃时会熔化,而且在熔化过程中继续加热,其温度__保持不变__;而石蜡则不同,在熔化过程中继续加热,其温度__不断升高__。问题2:像冰那样,有确定的熔化温度,这类固体称为__晶体__;像石蜡那样,没有确定的熔化温度,这类固体称为__非晶体__。问题3:物理学中将__晶体__熔化时的温度叫做熔点。__...

1、当您付费下载文档后,您只拥有了使用权限,并不意味着购买了版权,文档只能用于自身使用,不得用于其他商业用途(如 [转卖]进行直接盈利或[编辑后售卖]进行间接盈利)。
2、本站所有内容均由合作方或网友上传,本站不对文档的完整性、权威性及其观点立场正确性做任何保证或承诺!文档内容仅供研究参考,付费前请自行鉴别。
3、如文档内容存在违规,或者侵犯商业秘密、侵犯著作权等,请点击“违规举报”。

碎片内容

九年级物理全册熔化与凝固学案新版沪科版

爱的疯狂+ 关注
实名认证
内容提供者

该用户很懒,什么也没介绍

确认删除?
VIP
微信客服
  • 扫码咨询
会员Q群
  • 会员专属群点击这里加入QQ群
客服邮箱
回到顶部