电脑桌面
添加小米粒文库到电脑桌面
安装后可以在桌面快捷访问

风管制作标准VIP免费

风管制作标准_第1页
1/13
风管制作标准_第2页
2/13
风管制作标准_第3页
3/13
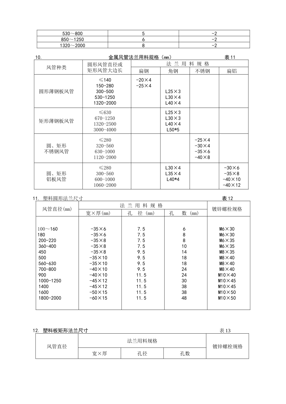
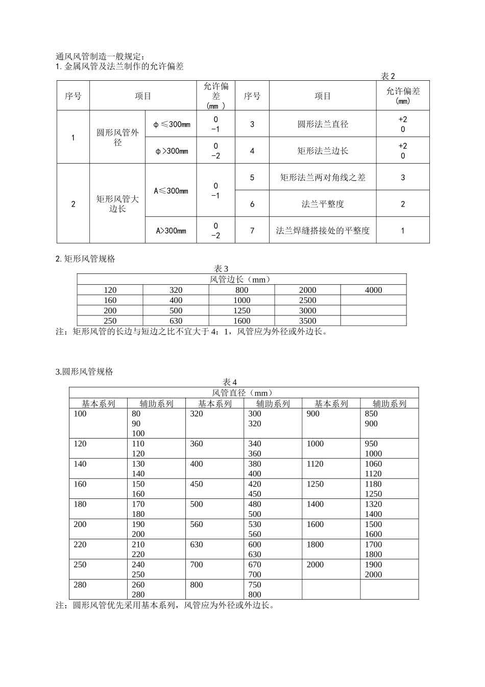
通风风管制造一般规定:1.金属风管及法兰制作的允许偏差表2序号项目允许偏差(mm)序号项目允许偏差(mm)1圆形风管外径φ≤300mm0-13圆形法兰直径+20φ>300mm0-24矩形法兰边长+202矩形风管大边长A≤300mm0-15矩形法兰两对角线之差36法兰平整度2A>300mm0-27法兰焊缝搭接处的平整度12.矩形风管规格表3风管边长(mm)12032080020004000160400100025002005001250300025063016003500注:矩形风管的长边与短边之比不宜大于4:1,风管应为外径或外边长。3.圆形风管规格表4风管直径(mm)基本系列辅助系列基本系列辅助系列基本系列辅助系列100809010032030032090085090012011012036034036010009501000140130140400380400112010601120160150160450420450125011801250180170180500480500140013201400200190200560530560160015001600220210220630600630180017001800250240250700670700200019002000280260280800750800注:圆形风管优先采用基本系列,风管应为外径或外边长。4.圆形弯管弯曲半径和最少节数表5弯管直径D(mm)弯曲半径R弯曲角度和最少节数900600450300中节端节中节端节中节端节中节端节80~220≥1.5D221212--2240~450D~1.5D322212--2480~800D~1.5D42221212850~1400D523222121500~2000D82523222注:弯曲半径以中心线计,除尘系统圆形弯管弯曲半径大于或等于2倍弯管直径。5.镀锌板风管及配件钢板厚度(mm)表6类别直径或长边圆形风管矩形风管除尘系统风管中低压系统高压系统80~3200.50.50.81.5340~4500.60.60.81.5480~6300.80.60.82.0670~10000.80.80.82.01120~12501.01.01.02.01320~20001.21.01.23.02500~40001.21.21.2按设计要求注:罗旋风管的钢板厚度可减少;排烟系统风管钢板厚度可按高压系统;特殊除尘系统风管钢板厚度应符合设计要求。6.不锈钢板风管和配件板材厚度(mm)表7风管直径或长边尺寸不锈钢板厚度100~5000.5530~11200.751180~20001.02500~40001.27.铝板风管和配件板材厚度(mm)表8风管直径或长边尺寸(mm)铝板厚度100~3201.0340~6301.5670~20002.02500~40002.58.硬聚氯乙烯板圆形风管板材及外径允许偏差(mm)表9风管直径板材厚度外径允许偏差100~3203-1340~6304-1670~10005-21060~20006-29.硬聚氯乙烯板矩形风管板材及外边长允许偏差(mm)表10风管直径板材厚度外径允许偏差100~3203-1340~5004-1530~8005-2850~12506-21320~20008-210.金属风管法兰用料规格(mm)表11风管种类圆形风管直径或矩形风管大边长法兰用料规格扁钢角钢不锈钢扁铝圆形薄钢板风管≤140150-280300-500530-12501320-2000-20×4-25×4L25×3L30×4L40×4矩形薄钢板风管≤630670-12501320-25003000-4000L25×3L30×3L40×4L50*5圆、矩形不锈钢风管≤280320-560630-10001120-2000-25×4-30×4-35×6-40×8圆、矩形铝板风管≤280300-560600-10001060-2000L30×4L35×4L40*4-30×6-35×8-40×10-40×1211.塑料圆形法兰尺寸表12风管直径(mm)法兰用料规格镀锌螺栓规格宽×厚(mm)孔径(mm)孔数(mm)100~160180200-220360-400450500560-630700-8009001000-1250140016001800-2000-35×6-35×6-35×8-35×8-35×8-35×10-35×10-40×10-40×10-45×12-45×12-50×15-60×157.57.57.57.59.59.59.59.511.511.511.511.511.568810141818242430383848M6×30M6×30M6×35M6×35M8×35M8×40M8×40M8×40M10×40M10×45M10×45M10×50M10×5012.塑料板矩形法兰尺寸表13风管直径法兰用料规格镀锌螺栓规格宽×厚孔径孔数120-160200-2503204005006308001000125016002000-35×6-35×6-35×8-35×8-35×10-40×10-40×10-45×12-45×12-50×15-60×187.57.57.59.59.59.511.511.511.511.511.5345567910121518M6×30M6×35M6×35M8×35M8×40M8×40M10×40M10×45M10×45M10×50M10×60注:风管与法兰的连接处加三角支撑,三角支撑间距300~~400mm。13.风管强度要求(1)矩形风管边长≥630mm和保温风管边长≥800mm,其管段长度在1.2m以上均应采取加固措施。对边长小于或等于800mm的风管,宜采用楞筋、楞线的方法加固,强筋、楞线外凸方向为风管外侧。(2)当中压和高压风管的管段长度大于1200mm时,应采取加固框的形式加固...

1、当您付费下载文档后,您只拥有了使用权限,并不意味着购买了版权,文档只能用于自身使用,不得用于其他商业用途(如 [转卖]进行直接盈利或[编辑后售卖]进行间接盈利)。
2、本站所有内容均由合作方或网友上传,本站不对文档的完整性、权威性及其观点立场正确性做任何保证或承诺!文档内容仅供研究参考,付费前请自行鉴别。
3、如文档内容存在违规,或者侵犯商业秘密、侵犯著作权等,请点击“违规举报”。

碎片内容

风管制作标准

确认删除?
VIP
微信客服
  • 扫码咨询
会员Q群
  • 会员专属群点击这里加入QQ群
客服邮箱
回到顶部