电脑桌面
添加小米粒文库到电脑桌面
安装后可以在桌面快捷访问

钢平台课程设计VIP免费

钢平台课程设计_第1页
1/13
钢平台课程设计_第2页
2/13
钢平台课程设计_第3页
3/13
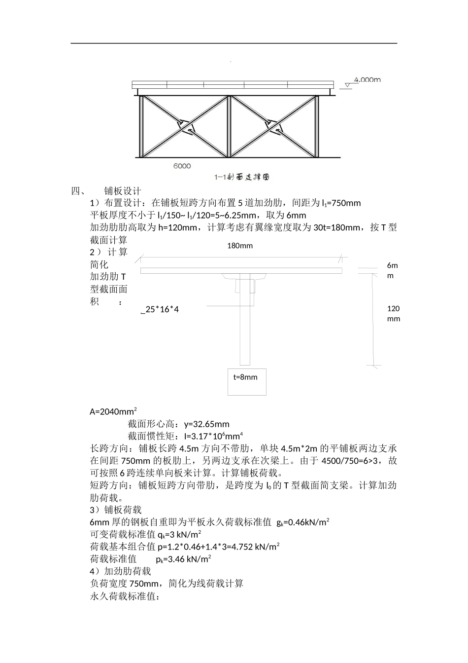
[键入公司名称]钢平台课程设计计算书土木工程学院05110341刘振2013/6/13计算书一、设计概况南京市某机械加工厂房车间内的钢操作平台设计标高4.000m结构安全等级为:二级设计使用年限为:50年二、整体平面布置柱网尺寸3L1*3L2L1=6mL2=4.5m总尺寸18m*13.5m主梁延纵向布置,跨度为6m,每跨内布置两根次梁,次梁间距2m板的短边方向跨度为2m,单块板尺寸为2.0m*4.5m平面布置如下图:连接方案:主梁与柱采用10.9级高强螺栓铰接,定位螺栓采用C级4.6级次梁与主梁的上翼缘平齐,采用10.9高强螺栓连接平台板与梁采用间断角焊缝柱脚节点采用铰接钢材均为Q235B三、柱间支撑设计在轴线1与B处分别布置纵、横向支撑,采用双角钢,如图。无水平荷载,按构造要求选择角钢型号,最大计算长度7.21m,允许长细比200,要求i>7211/200=36.1mm,取2˾63x6120mmt=8mm180mm6mm˾25*16*4四、铺板设计1)布置设计:在铺板短跨方向布置5道加劲肋,间距为l1=750mm平板厚度不小于l1/150~l1/120=5~6.25mm,取为6mm加劲肋肋高取为h=120mm,计算考虑有翼缘宽度取为30t=180mm,按T型截面计算2)计算简化加劲肋T型截面面积:A=2040mm2截面形心高:y=32.65mm截面惯性矩:I=3.17*106mm4长跨方向:铺板长跨4.5m方向不带肋,单块4.5m*2m的平铺板两边支承在间距750mm的板肋上,另两边支承在次梁上。由于4500/750=6>3,故可按照6跨连续单向板来计算。计算铺板荷载。短跨方向:铺板短跨方向带肋,是跨度为l0的T型截面简支梁。计算加劲肋荷载。3)铺板荷载6mm厚的钢板自重即为平板永久荷载标准值gk=0.46kN/m2可变荷载标准值qk=3kN/m2荷载基本组合值p=1.2*0.46+1.4*3=4.752kN/m2荷载标准值pk=3.46kN/m24)加劲肋荷载负荷宽度750mm,简化为线荷载计算永久荷载标准值:板传来的0.46kN/m2*0.75m=0.345kN/m加劲肋自重7.85*9.8*0.00096kN/m=0.074kN/m肋板角钢(2˾25*16*4)2*1.162*9.8*10-3kN/m=0.0228kN/m总计gk=0.442kN/m可变荷载标准值qk=3*0.75=2.25基本组合值p=1.2*0.442+1.4*2.25=3.68kN/m荷载标准值pk=2.692kN/m铺板的等效永久荷载(平板、加劲肋、角钢)标准值为g=0.57kN/m25)内力计算短跨方向:加劲肋跨中截面弯矩基本组合值:M=Pl02/8=3.68*4/8=1.84kN*m长跨方向:6跨连续梁按5跨查《建筑结构设计》附表B.1.4得最大弯矩系数0.0779。取计算宽度为1m,最大弯矩基本组合值(在边跨跨中)为:M=0.0779*4.752*1*0.752=0.208kN*m6)正截面强度与挠度验算加劲肋:强度:ơ=My/I=1.84*106*(126-32.65)/(3.17*106)=54.18N/mm20.6,修正为:φb’=1.07-0.282/φb=0.73截面最大弯矩估算值:Mmax=Pl02/8=9.768*4.5^2/8=24.73kN*m需要的截面抵抗矩:W=1.02Mmax/(φb’*f)=160.72*10^3mm3查《工程结构设计原理》附表1-3选取I18热轧普通工字钢h=180mm,b=94mm,tw=6.5mm,t=10.7mm,WX=185.4cm3,IX=1699cm4,SX=106.5cm3自重为236.5N/m3)内力计算考虑自重后:次梁均布荷载基本组合值改为P=9.768+1.2*0.2365kN/m=10.052kN/m次梁均布荷载标准组合值改为Pk=7.376kN/m最大弯矩基本组合值Mmax=10.052*(4.5)^2/8=25.444kN*m最大弯矩标准组合值Mmax,k=7.376*(4.5)^2/8=18.671kN*m最大剪力基本组合值Vmax=10.052*4.5/2=22.617kN4)截面验算由于是轧制型钢梁,局部稳定有保证,此处只需验算整体稳定与挠度整体稳定:弯曲正应力ơ=Mmax/(γxWX)=150.77N/mm2

1、当您付费下载文档后,您只拥有了使用权限,并不意味着购买了版权,文档只能用于自身使用,不得用于其他商业用途(如 [转卖]进行直接盈利或[编辑后售卖]进行间接盈利)。
2、本站所有内容均由合作方或网友上传,本站不对文档的完整性、权威性及其观点立场正确性做任何保证或承诺!文档内容仅供研究参考,付费前请自行鉴别。
3、如文档内容存在违规,或者侵犯商业秘密、侵犯著作权等,请点击“违规举报”。

碎片内容

钢平台课程设计

确认删除?
微信客服
  • 扫码咨询
会员Q群
  • 会员专属群点击这里加入QQ群