电脑桌面
添加小米粒文库到电脑桌面
安装后可以在桌面快捷访问

直流母线方案VIP免费

直流母线方案_第1页
1/6
直流母线方案_第2页
2/6
直流母线方案_第3页
3/6
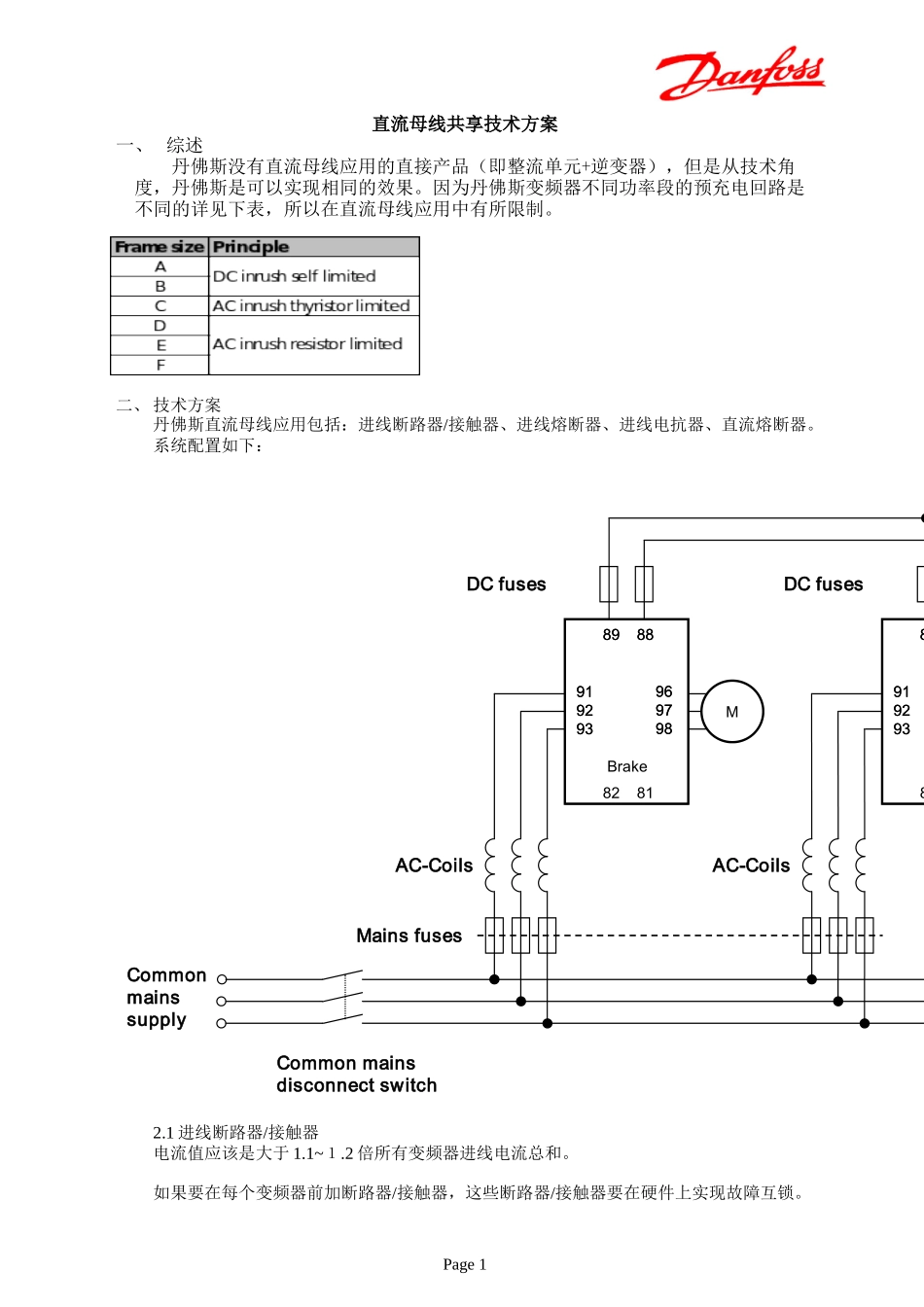
直流母线共享技术方案一、综述丹佛斯没有直流母线应用的直接产品(即整流单元+逆变器),但是从技术角度,丹佛斯是可以实现相同的效果。因为丹佛斯变频器不同功率段的预充电回路是不同的详见下表,所以在直流母线应用中有所限制。二、技术方案丹佛斯直流母线应用包括:进线断路器/接触器、进线熔断器、进线电抗器、直流熔断器。系统配置如下:898891929396979882818988919293969798898891929396979882818988919293969798CommonmainssupplyAC-CoilsDCfusesDCfusesAC-CoilsCommonmainsdisconnectswitchDCconnectingpointforadditionaldrivesintheloadsharingapplicationMainsconnectingpointforadditionaldrivesintheloadsharingapplicationMMBrakeBrakeMainsfuses2.1进线断路器/接触器电流值应该是大于1.1~1.2倍所有变频器进线电流总和。如果要在每个变频器前加断路器/接触器,这些断路器/接触器要在硬件上实现故障互锁。Page12.2交流进线快熔交流进线快熔应采用快速半导体快熔,选型详见FC300设计指南。2.3交流进线电抗器在负载共享应用中,变频器的整流部分是通过直流母线并联在一起。当不同功率的的变频器通过直流母线连接在一起或者直流共享的同一功率的变频器工作在不同负载的条件下,整流单元的正向压降是不同的。所以在直流母线应用中的压降不平衡要通过交流进线电抗器来平衡。注意:每个变频器所配备的交流进线电抗器的压降要完全一致,通常取2~4%额定进线电压。进线电抗器电感计算请参考如下公式:2.4直流快熔所有变频器的负载共享端子必须连接直流快熔。这样做是为了保护直流短路和变频器过载。直流快熔必须选择快速半导体快熔,且电压能够承受。计算公式:直流快熔的选择请参照下表:Minimumlinevoltage[V]NominelmotorpowerinHOmode[kW]Buscurrent[A]FusecoldinviromentFusehotinviroment3800.250.5143800.370.8243800.551.2243800.751.6463801.12.4463801.53.26103802.24.8101638036.510163803.78.012163805.511.916203807.516.216253801123.830453801532.5406038018.540.150703802247.660803803065.0801003803780.11001253804597.512515038055119.115017538075162.4200250Page2VLTIoutNOIoutHOIout1.5HOVoutMotorpfVLTnIfuseBussmannPNFuseVoltageP90T52121772664000.90.98350170M3018690P90T51901602404600.90.98350170M3018690P110T52602123184000.90.98450170M4013690P110T52401902854600.90.98450170M4013690P132T53152603904000.90.98550170M4015690P132T53022403604600.90.98550170M4015690P160T53953154734000.90.98630170M4016690P160T53613024534600.90.98630170M4016690P200T54803955934000.90.98800170M4018690P200T54433615424600.90.98800170M4018690P250T56004807204000.90.981000170M5016690P250T55404436654600.90.981000170M5016690P315T56586009004000.90.981100170M5017690P315T55905408104600.90.981100170M5017690P355T57456589874000.90.981250170M5018690P355T56785908854600.90.981250170M5018690P400T580069510434000.90.981400170M6017690P400T573067810174600.90.981400170M6017690Page3三、其他可能的方案组合Mains89889192939697988281A&BframeDC-inrushSelf-limited89889192939697988281CframeAC-inrushThyristor-limited89889192939697988281A&BframeDC-inrushSelf-limitedPage4Mains89889192939697988281A&BframeDC-inrushSelf-limited89889192939697988281CframeAC-inrushThyristor-limited89889192939697988281D&E&FframeAC-inrushResistor-limited89889192939697988281A&BframeDC-inrushSelf-limited89889192939697988281A&BframeDC-inrushSelf-limited89889192939697988281CframeAC-inrushThyristor-limited89889192939697988281D&E&FframeAC-inrushResistor-limited89889192939697988281A&BframeDC-inrushSelf-limitedMainsCommonDCsupplyWithsoftchargeACDC+DC-四、不推荐的应用方案因为丹佛斯不同功率段预充电的方案,有些变频器的组合是由限制的。Mains89889192939697988281A&BframeDC-inrushSelf-limited89889192939697988281CframeAC-inrushThyristor-limited89889192939697988281D&E&FframeAC-inrushResistor-limited89889192939697988281A&BframeDC-inrushSelf-limitedNOTALLOWEDPage5A&B机架和D&FE&F机架不能通过直流共享端子相连。五、直流电缆连接在直流母线方案中变频器尽量并排紧密排放,电缆长度不能大于25米。六、外配公共制动单元的连接因为丹佛斯变频器内置直流电抗器,直流母线应直接连接到中间电容两端,而不是通过直流共享端子。见下图Page6

1、当您付费下载文档后,您只拥有了使用权限,并不意味着购买了版权,文档只能用于自身使用,不得用于其他商业用途(如 [转卖]进行直接盈利或[编辑后售卖]进行间接盈利)。
2、本站所有内容均由合作方或网友上传,本站不对文档的完整性、权威性及其观点立场正确性做任何保证或承诺!文档内容仅供研究参考,付费前请自行鉴别。
3、如文档内容存在违规,或者侵犯商业秘密、侵犯著作权等,请点击“违规举报”。

碎片内容

直流母线方案

确认删除?
VIP
微信客服
  • 扫码咨询
会员Q群
  • 会员专属群点击这里加入QQ群
客服邮箱
回到顶部