电脑桌面
添加小米粒文库到电脑桌面
安装后可以在桌面快捷访问

建筑材料基本性质实验VIP免费

建筑材料基本性质实验_第1页
1/8
建筑材料基本性质实验_第2页
2/8
建筑材料基本性质实验_第3页
3/8
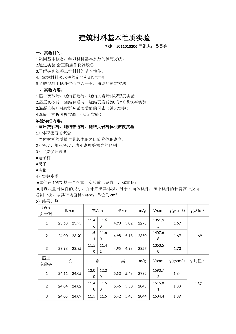
建筑材料基本性质实验李捷2011010206同组人:吴昊亮一、实验目的:1.巩固基本概念,学习材料基本参数的测定方法。2.通过实验,会正确操作仪器设备。3.了解砖和混凝土等材料的基本性能。4.掌握材料吸水率的定义和测定方法5了解混凝土试件抗折应力—变形曲线的测定方法二、实验内容:1.蒸压灰砂砖、烧结普通砖、烧结页岩砖体积密度实验2.蒸压灰砂砖、烧结普通砖、烧结页岩砖(30分钟)吸水率实验3.混凝土抗压强度影响试验数值的因素(演示实验)4混凝土抗折强度实验(演示实验)实验详细内容:1蒸压灰砂砖、烧结普通砖、烧结页岩砖体积密度实验1)体积密度的概念固体材料的质量与其总体积之比值称体积密度。2)密度、堆积密度、表观密度等概念的区别3)主要仪器设备●电子秤●尺子●烘箱4)实验步骤●试件在105℃烘干至恒重(实验前已完成),称重M;●用直尺量出试件的尺寸,并计算出其体积。对于六面体试件,每个试件的长宽高正反面各测一次。取其平均值得V=abc,单位为cm35)结果计算烧结页岩砖长/cm宽/cm高/cmm/gV/cm3γ(g/cm3)γ(均值)123.6823.9511.4611.604.905.0222781361.951.671.69224.0023.9011.5111.604.985.1823501407.681.67323.9823.9511.5011.424.954.9823571363.581.73蒸压灰砂砖长宽高m/gV/cm3γ(g/cm3)γ(均值)124.1124.0512.0012.005.535.4829321590.721.841.87224.0424.0211.4811.505.465.5028481515.811.88324.0524.0911.511.55.425.4528441504.41.89023烧结普通砖长宽高m/gV/cm3γ(g/cm3)γ(均值)123.5223.5411.3011.485.025.0822481353.431.661.69223.8723.8311.4211.455.004.9823461360.901.72323.5623.6211.4811.524.985.0423021359.141.696)数据分析体积密度:材料的体积密度主要与材质和孔隙率有关。实验中所用三种砖成分相近(均以二氧化硅为主),因此主要考虑孔隙率的影响。从实验数据中可看出,蒸压灰砂砖的体积密度明显大于另两种砖。这是因为:粘土砖是以砂质粘土为主要原料,在900-1000摄氏度左右进行烧结而成。由于其中的粘土被部分烧结,故具有较多的孔隙;页岩砖是以页岩为主要原料,页岩的化学组成与粘土相近,但其颗粒细度不及粘土,故孔隙率也比较大;灰砂砖是以石灰和天然砂为主要原料,在0.8MPa,175摄氏度的条件下蒸养6小时而成,由其中的Ca(OH)2与SiO2反应生产水化硅酸钙凝胶而产生强度。灰砂砖外观光洁整齐,均匀密实,孔隙率较小。所以同样的体积下,灰砂砖的实体积更大,质量更大。因而体积密度更大。2.蒸压灰砂砖、烧结普通砖、烧结页岩砖(30分钟)吸水率实验1)吸水率概念材料能吸收水分的性质称为吸水性。吸水性的大小用吸水率表示。材料在吸水饱和时内部所吸水分的质量占干燥材料总质量的百分率。2)仪器设备●电子称●烘箱●水糟3)实验步骤●砖样在105℃烘干至恒重,称其质量M●作好标记砖放入水槽中吸水30min●取出试件,擦去表面的水称其质量M14)结果计算公式:W=(M1-M)/M×100%5)数据表格类型M/kgM1/kg质量吸水率W蒸压灰砂砖2.9323.0704.71%烧结普通砖2.2482.61616.37%烧结页岩砖2.2782.67617.48%6)数据分析质量吸水率:质量吸水率主要有孔隙率决定,特别是开口孔隙率。从实验数据中可以看出,蒸压灰砂砖的质量吸水率明显小于另两种砖。这是因为:粘土砖是以砂质粘土为主要原料,在900-1000摄氏度左右进行烧结而成。由于其中的粘土被部分烧结,故具有较多的孔隙;页岩砖是以页岩为主要原料,页岩的化学组成与粘土相近,但其颗粒细度不及粘土,故孔隙率也比较大;灰砂砖是以石灰和天然砂为主要原料,在0.8MPa,175摄氏度的条件下蒸养6小时而成,由其中的Ca(OH)2与SiO2反应生产水化硅酸钙凝胶而产生强度。灰砂砖外观光洁整齐,均匀密实,孔隙率较小。所以在建筑中选用灰砂砖可以有比较好的防水性能,而使用粘土砖,页岩砖要特别注意防水。但灰砂砖不宜用在高水流和高温(大于200摄氏度)的地区,以免发生Ca(OH)2的滤析及Ca(OH)2和水化硅酸钙凝胶的脱水分解。3.混凝土抗压强度影响试验数值的因素(演示实验)1)100X100X1002)100X100X100(垫胶皮)3)150X150X1504)100X100X300混凝土的组成材料相同,养护龄期一样,试块寸不同,形...

1、当您付费下载文档后,您只拥有了使用权限,并不意味着购买了版权,文档只能用于自身使用,不得用于其他商业用途(如 [转卖]进行直接盈利或[编辑后售卖]进行间接盈利)。
2、本站所有内容均由合作方或网友上传,本站不对文档的完整性、权威性及其观点立场正确性做任何保证或承诺!文档内容仅供研究参考,付费前请自行鉴别。
3、如文档内容存在违规,或者侵犯商业秘密、侵犯著作权等,请点击“违规举报”。

碎片内容

建筑材料基本性质实验

海纳百川+ 关注
实名认证
内容提供者

热爱教学事业,对互联网知识分享很感兴趣

相关文档

确认删除?
VIP
微信客服
  • 扫码咨询
会员Q群
  • 会员专属群点击这里加入QQ群
客服邮箱
回到顶部