电脑桌面
添加小米粒文库到电脑桌面
安装后可以在桌面快捷访问

龙滩变态混凝土施工作业指导书VIP免费

龙滩变态混凝土施工作业指导书_第1页
1/7
龙滩变态混凝土施工作业指导书_第2页
2/7
龙滩变态混凝土施工作业指导书_第3页
3/7
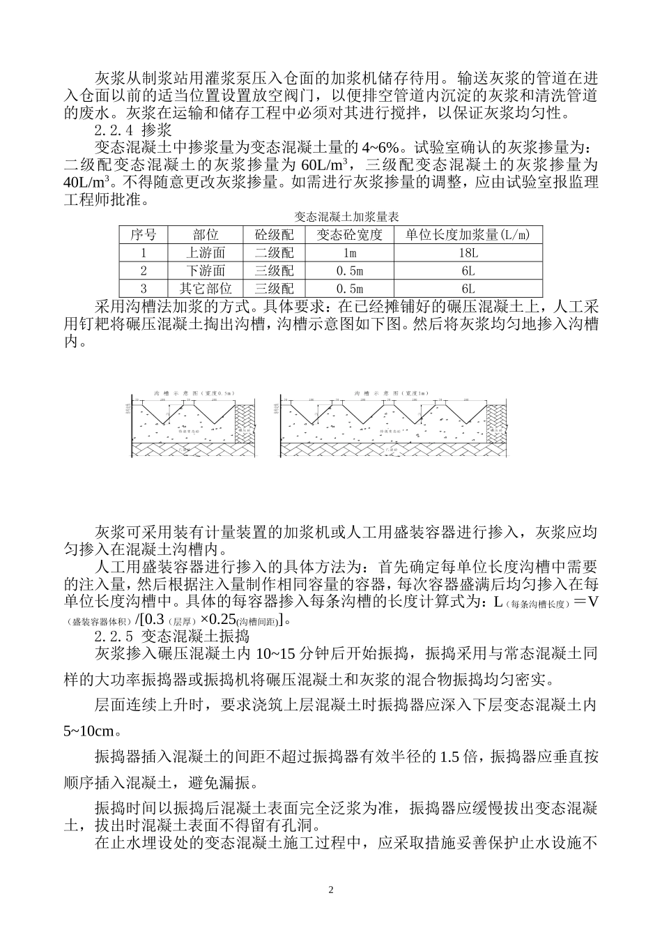
红水河龙滩水电站右岸大坝变态混凝土施工作业指导书(试行)广西龙滩水电站七局八局葛洲坝联营体二ОО五年二月二十日变态混凝土施工作业指导书1.概述碾压混凝土大坝的所有模板周边、靠岸坡部位、止水埋设处、廊道周边、电梯井和其它孔口周边以及振动碾碾压不到的地方应采用变态混凝土。变态混凝土是指在碾压混凝土中加水泥净浆(或掺合料浆)后,采用常态混凝土施工方式振捣密实的混凝土。变态混凝土应随着碾压混凝土浇筑逐层施工。2.变态混凝土施工2.1施工程序变态混凝土施工程序见下图。2.2施工方法2.2.1混凝土运输、卸料与摊铺变态混凝土的运输、卸料、摊铺与同浇筑高程、同部位的碾压混凝土施工同时进行。由于变态混凝土施工部位均为细部结构等狭小部位,为使埋件、止水、模板等不受到冲击、破坏,施工时混凝土可卸料在变态混凝土附近的碾压混凝土施工部位,然后采用小型平仓机配合人工用耙子扒料平仓的方法进行摊铺。混凝土料推到离模板、止水、埋件等细部结构30cm左右时小型平仓机即停止前进,此范围的混凝土料派人工用耙子扒料平仓。2.2.2灰浆的配制在施工现场设置专门的制浆系统,进行变态混凝土掺用的灰浆拌制。在拌制站应有醒目的配合比标示。灰浆拌制严格按试验室提供的配合比进行控制。灰浆配合比如需调整,应由试验室报监理工程师批准。2.2.3灰浆运输与储存1结合部位碾压砼制备灰浆制作砼运输摊铺灰浆运输注浆变态砼振捣卸料灰浆从制浆站用灌浆泵压入仓面的加浆机储存待用。输送灰浆的管道在进入仓面以前的适当位置设置放空阀门,以便排空管道内沉淀的灰浆和清洗管道的废水。灰浆在运输和储存工程中必须对其进行搅拌,以保证灰浆均匀性。2.2.4掺浆变态混凝土中掺浆量为变态混凝土量的4~6%。试验室确认的灰浆掺量为:二级配变态混凝土的灰浆掺量为60L/m3,三级配变态混凝土的灰浆掺量为40L/m3。不得随意更改灰浆掺量。如需进行灰浆掺量的调整,应由试验室报监理工程师批准。变态混凝土加浆量表序号部位砼级配变态砼宽度单位长度加浆量(L/m)1上游面二级配1m18L2下游面三级配0.5m6L3其它部位三级配0.5m6L采用沟槽法加浆的方式。具体要求:在已经摊铺好的碾压混凝土上,人工采用钉耙将碾压混凝土掏出沟槽,沟槽示意图如下图。然后将灰浆均匀地掺入沟槽内。灰浆可采用装有计量装置的加浆机或人工用盛装容器进行掺入,灰浆应均匀掺入在混凝土沟槽内。人工用盛装容器进行掺入的具体方法为:首先确定每单位长度沟槽中需要的注入量,然后根据注入量制作相同容量的容器,每次容器盛满后均匀掺入在每单位长度沟槽中。具体的每容器掺入每条沟槽的长度计算式为:L(每条沟槽长度)=V(盛装容器体积)/[0.3(层厚)×0.25(沟槽间距)]。2.2.5变态混凝土振捣灰浆掺入碾压混凝土内10~15分钟后开始振捣,振捣采用与常态混凝土同样的大功率振捣器或振捣机将碾压混凝土和灰浆的混合物振捣均匀密实。层面连续上升时,要求浇筑上层混凝土时振捣器应深入下层变态混凝土内5~10cm。振捣器插入混凝土的间距不超过振捣器有效半径的1.5倍,振捣器应垂直按顺序插入混凝土,避免漏振。振捣时间以振捣后混凝土表面完全泛浆为准,振捣器应缓慢拔出变态混凝土,拔出时混凝土表面不得留有孔洞。在止水埋设处的变态混凝土施工过程中,应采取措施妥善保护止水设施不2致变位,对该部位混凝土中的大骨料应人工予以合理剔除,振捣应仔细谨慎,以免产生任何渗水通道。2.2.6与变态混凝土相邻部位的碾压混凝土施工变态混凝土相邻碾压混凝土条带,在变态混凝土施工完成后碾压,相邻区域混凝土碾压时与变态混凝土区域搭接宽度应大于20cm。在大碾碾压完成后,变态混凝土与碾压混凝土的结合部位用小碾补碾2~3遍。2.2.7层间结合及施工缝处理变态混凝土层间结合与施工缝处理与碾压混凝土相同。2.2.8表面保护与养护变态混凝土表面保护与养护与碾压混凝土相同。3.质量保证措施3.1所有原材料必须符合设计与规范要求,水泥、粉煤灰、外加剂等都必须有出厂合格证和有关技术指标或试验参数。试验室根据规范要求对所有的原材料进行抽样检查。不合格的原材料严禁使用。3.2由试验确定并经监理工程师审批的配料单,必须严格执...

1、当您付费下载文档后,您只拥有了使用权限,并不意味着购买了版权,文档只能用于自身使用,不得用于其他商业用途(如 [转卖]进行直接盈利或[编辑后售卖]进行间接盈利)。
2、本站所有内容均由合作方或网友上传,本站不对文档的完整性、权威性及其观点立场正确性做任何保证或承诺!文档内容仅供研究参考,付费前请自行鉴别。
3、如文档内容存在违规,或者侵犯商业秘密、侵犯著作权等,请点击“违规举报”。

碎片内容

龙滩变态混凝土施工作业指导书

您可能关注的文档

海纳百川+ 关注
实名认证
内容提供者

热爱教学事业,对互联网知识分享很感兴趣

确认删除?
VIP
微信客服
  • 扫码咨询
会员Q群
  • 会员专属群点击这里加入QQ群
客服邮箱
回到顶部