电脑桌面
添加小米粒文库到电脑桌面
安装后可以在桌面快捷访问

建筑装修表格VIP免费

建筑装修表格_第1页
1/19
建筑装修表格_第2页
2/19
建筑装修表格_第3页
3/19
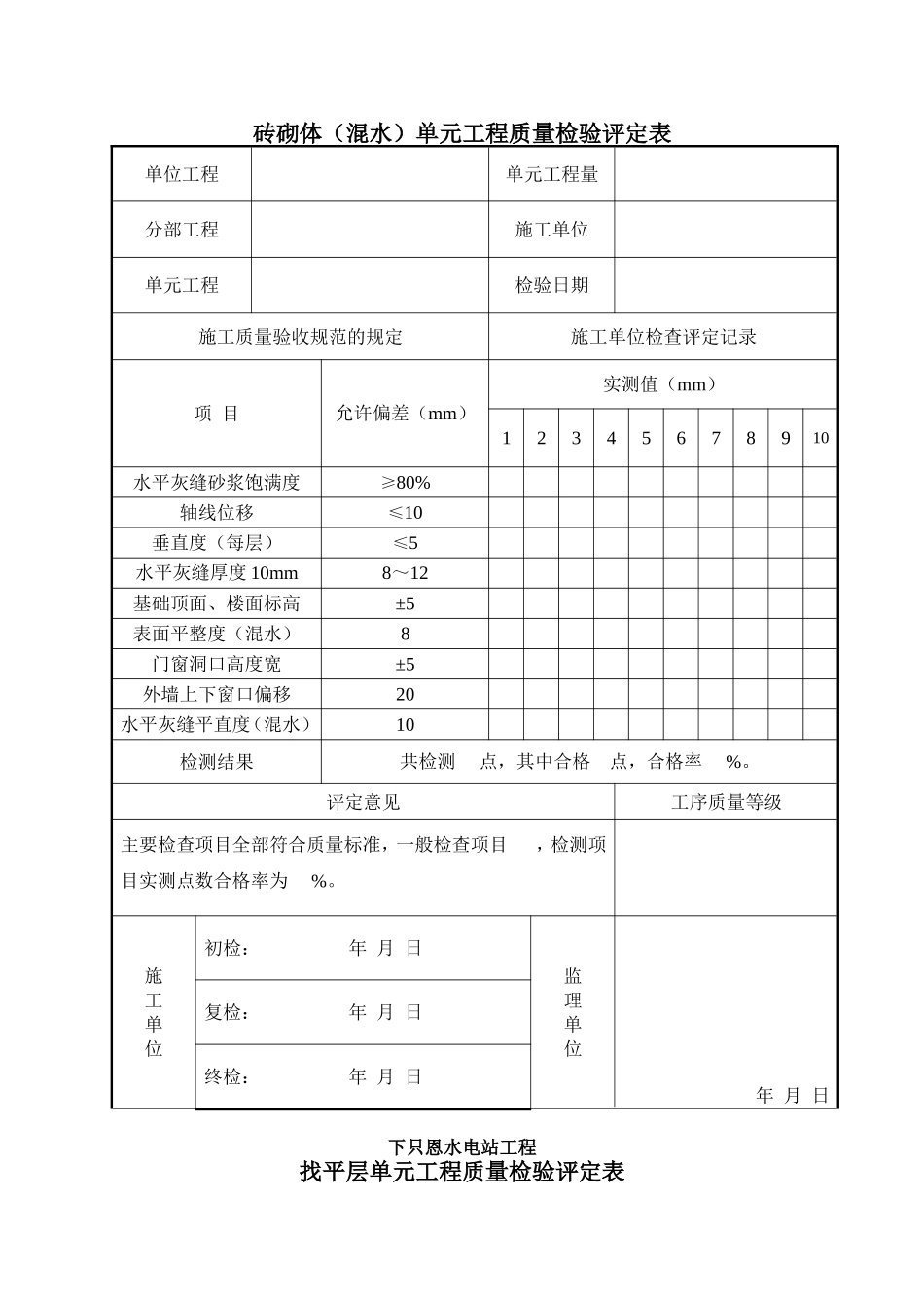
下只恩水电站工程装饰抹灰单元工程质量检验评定表单位工程单元工程量分部工程施工单位单元工程检验日期施工质量验收规范的规定施工单位检查评定记录项目允许偏差(mm)实测值(mm)水刷石斩假石干沾石假面砖12345678910立面垂直度5455表面平整度3355阳角方正3344分格条(缝)直线度3333墙裙、勒脚上口直线度33//检测结果共检测点,其中合格点,合格率%。评定意见工序质量等级主要检查项目全部符合质量标准,一般检查项目,检测项目实测点数合格率为%。施工单位初检:年月日监理单位年月日复检:年月日终检:年月日下只恩水电站工程砖砌体(混水)单元工程质量检验评定表单位工程单元工程量分部工程施工单位单元工程检验日期施工质量验收规范的规定施工单位检查评定记录项目允许偏差(mm)实测值(mm)12345678910水平灰缝砂浆饱满度≥80%轴线位移≤10垂直度(每层)≤5水平灰缝厚度10mm8~12基础顶面、楼面标高±5表面平整度(混水)8门窗洞口高度宽±5外墙上下窗口偏移20水平灰缝平直度(混水)10检测结果共检测点,其中合格点,合格率%。评定意见工序质量等级主要检查项目全部符合质量标准,一般检查项目,检测项目实测点数合格率为%。施工单位初检:年月日监理单位年月日复检:年月日终检:年月日下只恩水电站工程找平层单元工程质量检验评定表单位工程单元工程量分部工程施工单位单元工程检验日期施工质量验收规范的规定施工单位检查评定记录项目允许偏差(mm)实测值(mm)12345678910用胶粘剂做结合层铺设拼花木板、塑料板、强化复合地板、竹地板面层表面平整度2mm标高±4mm用沥青玛王帝脂做结合层铺设拼花木板、板块面层及毛地板铺木地板表面平整度3mm标高±5mm用水泥砂浆做结合层铺设板块面层、其他种类面层表面平整度5mm标高±8mm坡度不大于房间相应尺寸的2‰,且≯30mm厚度不大于设计厚度的1/10检测结果共检测点,其中合格点,合格率%。评定意见工序质量等级主要检查项目全部符合质量标准,一般检查项目,检测项目实测点数合格率为%。施工单位初检:年月日监理单位年月日复检:年月日终检:年月日下只恩水电站工程一般抹灰单元工程质量检验评定表单位工程单元工程量分部工程施工单位单元工程检验日期施工质量验收规范的规定施工单位检查评定记录项目允许偏差(mm)实测值(mm)普通抹灰高级抹灰12345678910立面垂直度43表面平整度43阴阳角方正43分格条(缝)直线度43墙裙、勒脚上口直线度43检测结果共检测点,其中合格点,合格率%。评定意见工序质量等级主要检查项目全部符合质量标准,一般检查项目,检测项目实测点数合格率为%。施工单位初检:年月日监理单位年月日复检:年月日终检:年月日下只恩水电站工程屋面找平层单元工程质量检验评定表单位工程单元工程量分部工程施工单位单元工程检验日期施工质量验收规范的规定施工单位检查评定记录材料质量必须必须符合设计要求配合比必须符合设计要求屋面找平层的排水坡度,必须符合设计要求厚度应符合设计(规范)要求基层板缝度及板端缝密封应符合设计(规范)要求基层与突出屋面结构的交接处和基层的转角处均应做成圆弧形,且整齐平顺水泥砂浆、细石砼找平层应平整、压光,不得有酥松、起砂、起皮现象;沥青砂浆找平层不得有拌合不均匀、蜂窝现象分格缝的位置间距应符合设计要求表面平整度(允许偏差为5mm)检测结果共检测点,其中合格点,合格率%。评定意见工序质量等级主要检查项目全部符合质量标准,一般检查项目,检测项目实测点数合格率为%。施工单位初检:年月日监理单位年月日复检:年月日终检:年月日下只恩水电站工程屋面卷材防水层单元工程质量检验评定表单位工程单元工程量分部工程施工单位单元工程检验日期施工质量验收规范的规定施工单位检查评定记录防水层所用卷材及配套材料质量必须必须符合设计要求卷材防水层不得有渗漏或积水现象在天沟、檐沟、檐口、水落口、泛水、变形缝和伸出屋面管道的防水构造,必须符合设计要求卷材防水层的搭接缝应粘接牢固,密封严密,不得有皱折、翘边和鼓泡等缺陷;防水层的收头应与基面粘接并固定牢固,缝口封严,不得翘边卷材防水层上的撒布材料和浅色涂料保护层应铺撒或涂...

1、当您付费下载文档后,您只拥有了使用权限,并不意味着购买了版权,文档只能用于自身使用,不得用于其他商业用途(如 [转卖]进行直接盈利或[编辑后售卖]进行间接盈利)。
2、本站所有内容均由合作方或网友上传,本站不对文档的完整性、权威性及其观点立场正确性做任何保证或承诺!文档内容仅供研究参考,付费前请自行鉴别。
3、如文档内容存在违规,或者侵犯商业秘密、侵犯著作权等,请点击“违规举报”。

碎片内容

建筑装修表格

您可能关注的文档

海纳百川+ 关注
实名认证
内容提供者

热爱教学事业,对互联网知识分享很感兴趣

相关文档

确认删除?
VIP
微信客服
  • 扫码咨询
会员Q群
  • 会员专属群点击这里加入QQ群
客服邮箱
回到顶部