电脑桌面
添加小米粒文库到电脑桌面
安装后可以在桌面快捷访问

技术论证方案VIP免费

技术论证方案_第1页
1/20
技术论证方案_第2页
2/20
技术论证方案_第3页
3/20
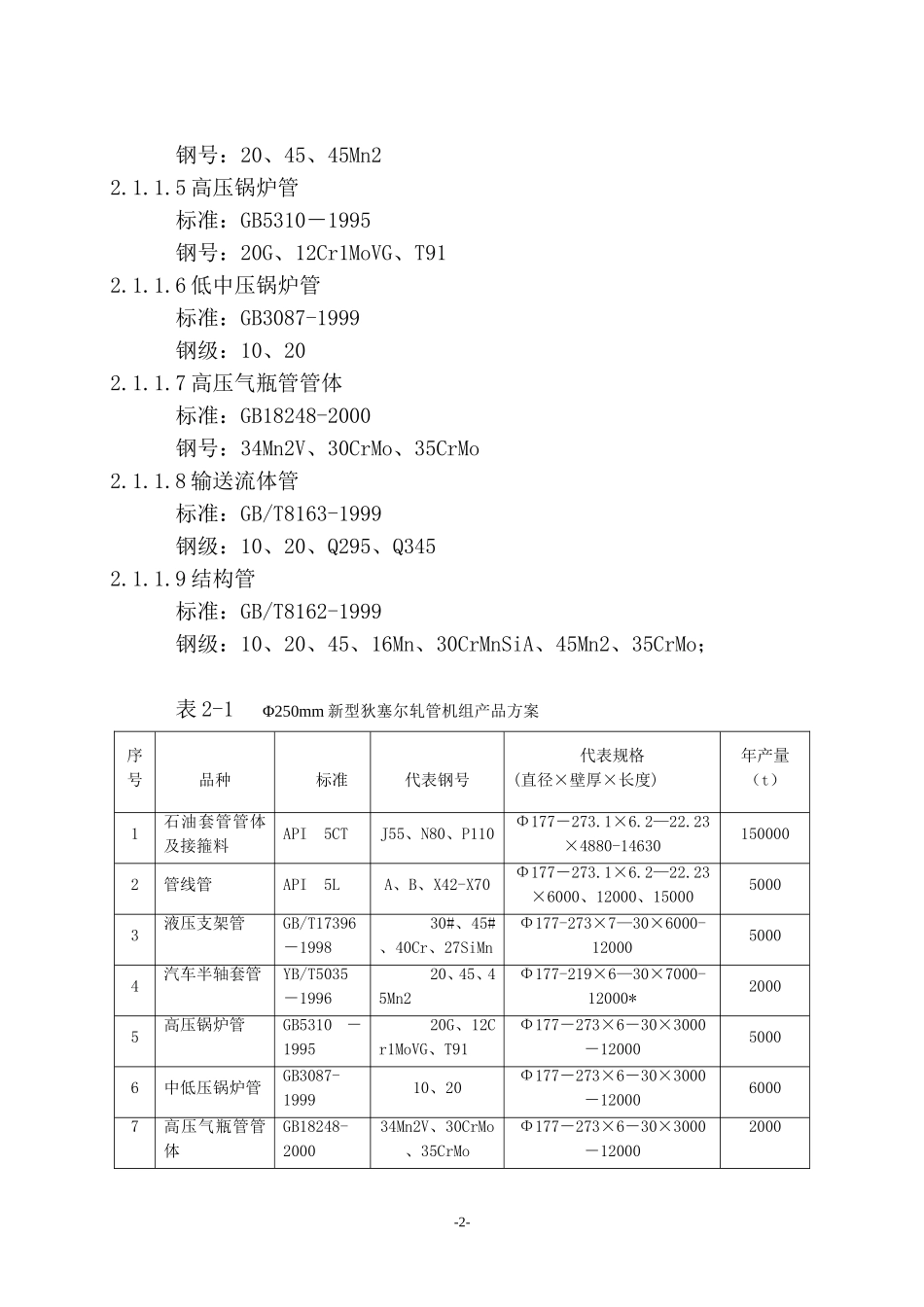
通钢集团磐石无缝钢管有限责任公司φ250mm新型狄塞尔热轧无缝钢管机组技术方案1、技术方案概况φ250mm热轧无缝钢管机组,设计年产25万t热轧无缝钢管,直径φ177-φ273mm,壁厚6-30mm。主要品种有:石油套管管体、石油套管接箍料、管线管、液压支架管、汽车半轴套管、高压锅炉管、低中压锅炉管、气瓶管、流体管、结构管等。主要原材料为碳素结构钢和合金结构钢管坯,年产25万t热轧无缝钢管工程建成后年需无缝钢管圆管坯27.82万t,金属收得率89.87%2、产品方案及金属平衡2.1产品方案新建φ250mm热轧无缝钢管机组工程,主轧机机型为新型狄塞尔轧管机,设计计划年产φ177-273mm、壁厚6.0-30mm的热轧无缝钢管25万t。主要品种有:石油套管管体、石油套管接箍料、管线管、液压支架管、汽车半轴套管、高压锅炉管、低中压锅炉管、高压气瓶管管体、流体输送管、结构管等。车间产品方案见表2-1。2.1.1产品品种、标准和钢级(钢号)2.1.1.1石油套管管体及接箍料标准:APISPEC5CT-2002钢级:J55、K55、N80、L80、C75、C90、C95、P110、Q1252.1.1.2管线管标准:APISPEC5L-2002A25级Ⅰ类,A25级Ⅱ类,A,B,X42,X46,X52,X56,X60,X65,X70,X80;2.1.1.3液压支架管标准:GB/T17396-1998钢号:30#、45#、40Cr、27SiMn2.1.1.4汽车半轴套管标准:YB/T5035-1996--1钢号:20、45、45Mn22.1.1.5高压锅炉管标准:GB5310-1995钢号:20G、12Cr1MoVG、T912.1.1.6低中压锅炉管标准:GB3087-1999钢级:10、202.1.1.7高压气瓶管管体标准:GB18248-2000钢号:34Mn2V、30CrMo、35CrMo2.1.1.8输送流体管标准:GB/T8163-1999钢级:10、20、Q295、Q3452.1.1.9结构管标准:GB/T8162-1999钢级:10、20、45、16Mn、30CrMnSiA、45Mn2、35CrMo;表2-1Φ250mm新型狄塞尔轧管机组产品方案序号品种标准代表钢号代表规格(直径×壁厚×长度)年产量(t)1石油套管管体及接箍料API5CTJ55、N80、P110Φ177-273.1×6.2—22.23×4880-146301500002管线管API5LA、B、X42-X70Φ177-273.1×6.2—22.23×6000、12000、1500050003液压支架管GB/T17396-199830#、45#、40Cr、27SiMnΦ177-273×7—30×6000-1200050004汽车半轴套管YB/T5035-199620、45、45Mn2Φ177-219×6—30×7000-12000*20005高压锅炉管GB5310-199520G、12Cr1MoVG、T91Φ177-273×6-30×3000-1200050006中低压锅炉管GB3087-199910、20Φ177-273×6-30×3000-1200060007高压气瓶管管体GB18248-200034Mn2V、30CrMo、35CrMoΦ177-273×6-30×3000-120002000--28结构管GB/T8162-199920、45、16Mn、45Mn2、35CrMoΦ177-273×6-30×3000-12000500009输送流体管GB/T8163-199910、20Φ177-273×6-30×3000-1200025000小计2500002.2管坯料供应及金属平衡车间采用连铸圆管坯代表钢种(钢级):J55、K55、N80、L80、C75、C90、C95、P110、Q125、10、20、45、16Mn、40Cr、27SiMn、20G、12Cr1MoVG、T91、45Mn2、35CrMo、34Mn2V、30CrMo、35CrMo、Q295、Q345、A25级Ⅰ类,A25级Ⅱ类,A,B,X42,X46,X52,X56,X60,X65,X70,X80等。管坯规格:直径:Φ220、280mm,长度:4000~10000mm管坯年需要量:27.82万吨金属消耗系数:1.1133轧钢工艺及设备3.1轧钢生产工艺3.1.1轧钢生产工艺流程简述按照生产计划,用行车将库房中的管坯吊到锯机前的上料台上,按工艺条件锯切到要求的坯料长度,然后输入锯机锯切。锯切后的坯料再用行车吊到环形加热炉前入炉台架上。暂时不入炉加热的管坯,行车吊到堆料场定置堆放;行车吊到环形加热炉前台架上逐支入炉加热,当管坯加热温度达1230℃-1270℃时,用出钢机从炉子中夹出加热后的坯料放在斜台上,坯料靠自重滚到出炉辊道上;出炉辊道把热坯料输送到穿孔机前台受料槽中,推钢机把圆管坯推入旋转的轧辊孔型中穿孔轧制。圆管坯被轧辊咬入时,推钢机回退的到原始位置。圆管坯在轧辊和顶头的作用下,穿孔成规定几何尺寸的空心毛管;穿孔完毕,毛管从后台输出;穿孔毛管由运输装置运送至轧管机前芯棒预装台,向毛管内插入被润--3滑的芯棒。机械手将插入芯棒的毛管运送至轧管机前台,启动送料小车将毛管推入孔型中限动轧制。毛管...

1、当您付费下载文档后,您只拥有了使用权限,并不意味着购买了版权,文档只能用于自身使用,不得用于其他商业用途(如 [转卖]进行直接盈利或[编辑后售卖]进行间接盈利)。
2、本站所有内容均由合作方或网友上传,本站不对文档的完整性、权威性及其观点立场正确性做任何保证或承诺!文档内容仅供研究参考,付费前请自行鉴别。
3、如文档内容存在违规,或者侵犯商业秘密、侵犯著作权等,请点击“违规举报”。

碎片内容

技术论证方案

您可能关注的文档

确认删除?
VIP
微信客服
  • 扫码咨询
会员Q群
  • 会员专属群点击这里加入QQ群
客服邮箱
回到顶部