电脑桌面
添加小米粒文库到电脑桌面
安装后可以在桌面快捷访问

锅炉管子制造通用工艺守则-OCD-TE-002VIP免费

锅炉管子制造通用工艺守则-OCD-TE-002_第1页
1/17
锅炉管子制造通用工艺守则-OCD-TE-002_第2页
2/17
锅炉管子制造通用工艺守则-OCD-TE-002_第3页
3/17
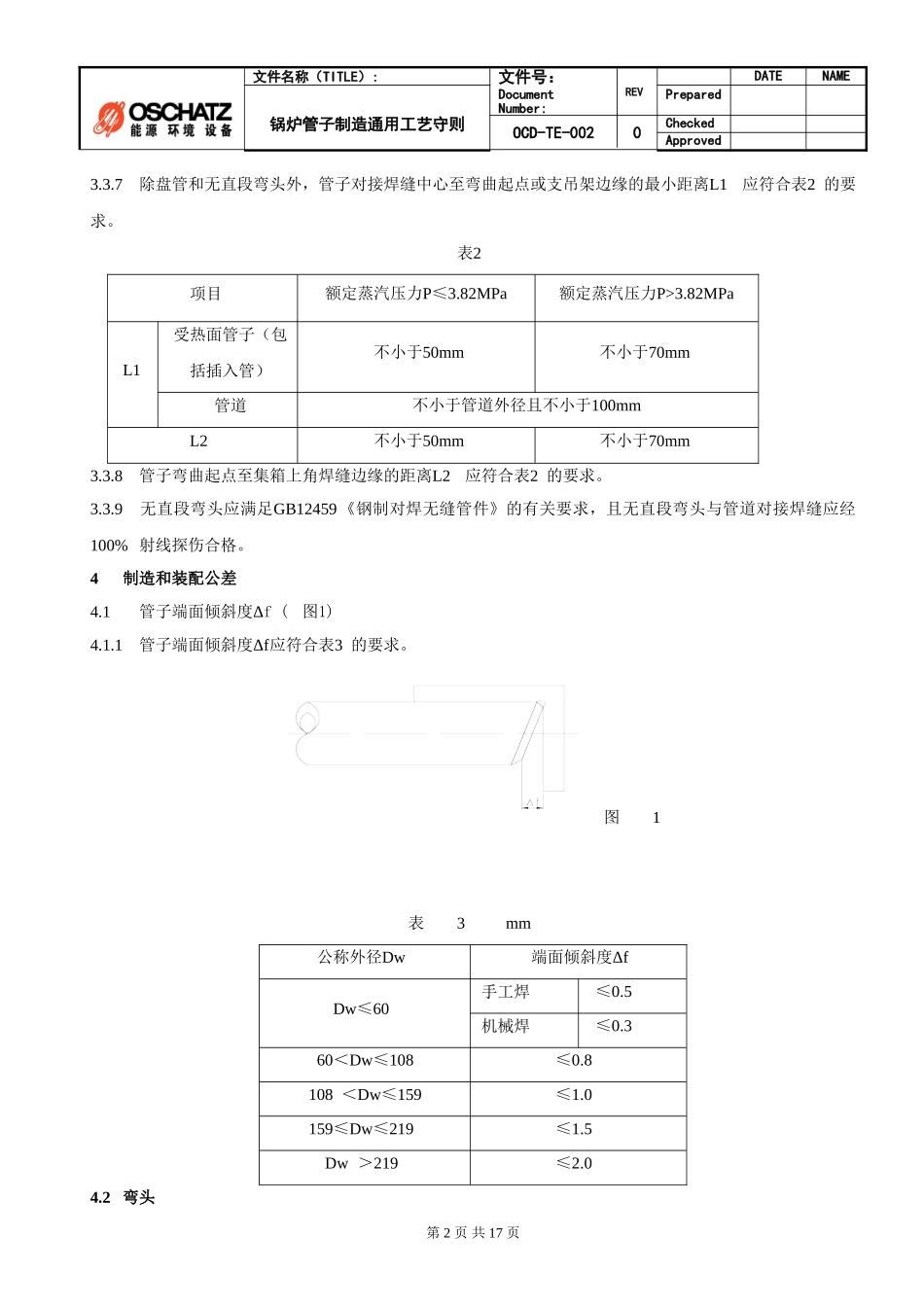
文件名称(TITLE):文件号:REVDATENAMEDocumentNumber:Prepared锅炉管子制造通用工艺守则OCD-TE-0020CheckedApproved1主题内容与适用范围1.1本工艺守则规定了锅炉管子制作、检查验收的技术要求。1.2本工艺守则适用于承压的以水和水蒸汽为介质的固定式锅炉受热面管子及汽水管道。2引用标准2.1JB/T1611锅炉管子制造技术条件2.2OCC7-14原材料入厂验收制度2.3OCD-TE-011锅炉水压试验工艺守则2.4OCC7-12锅炉产品标识与标记移植制度2.5OCC7-06焊工管理制度2.6OCD-TE-009管子通球试验工艺守则3技术要求3.1材料3.1.1制造用的材料必须符合相应设计图样及工艺文件的要求,材料的代用必须按照有关规定办理代用手续。3.1.2未经验收或检验不合格的材料不得使用。3.1.3材料标记移植须按OCC7-12《锅炉产品标识与标记移植制度》进行。3.2焊接3.2.1焊接工作必须按照焊接工艺卡要求进行。3.2.2焊工应按OCC7-06《焊工管理制度》考核合格方可施焊。3.3拼接3.3.1蛇形管平均每4m允许有一个对接焊缝,拼接管子长度一般不宜小于2500mm,最短不小于500mm。3.3.2其它管子拼接焊缝数量一般不应超过表1的规定,最短不小于500mm。表1拼接焊缝数量管子总长度L(m)L≤22<L≤55<L≤1010<L≤15L>15拼接焊缝数量不得拼接12343.3.3插入管(切取试件用或有缺陷的焊缝补入的管子)的长度不得小于300mm。3.3.4门孔处弯管的焊缝、插入管的焊缝、不同钢种或不同规格钢管的连接焊缝、特殊结构要求的焊缝以及安装结构上需要的拼接焊缝,均不计入拼接焊缝数量内。3.3.5管子因设计或工作条件的需要不允许拼接的部位,应在图样上注明,否则,按允许拼接论处。3.3.6对接焊缝应布置在管子的直段部分。第1页共17页文件名称(TITLE):文件号:REVDATENAMEDocumentNumber:Prepared锅炉管子制造通用工艺守则OCD-TE-0020CheckedApproved3.3.7除盘管和无直段弯头外,管子对接焊缝中心至弯曲起点或支吊架边缘的最小距离L1应符合表2的要求。表2项目额定蒸汽压力P≤3.82MPa额定蒸汽压力P>3.82MPaL1受热面管子(包括插入管)不小于50mm不小于70mm管道不小于管道外径且不小于100mmL2不小于50mm不小于70mm3.3.8管子弯曲起点至集箱上角焊缝边缘的距离L2应符合表2的要求。3.3.9无直段弯头应满足GB12459《钢制对焊无缝管件》的有关要求,且无直段弯头与管道对接焊缝应经100%射线探伤合格。4制造和装配公差4.1管子端面倾斜度Δf(图1)4.1.1管子端面倾斜度Δf应符合表3的要求。图1表3mm公称外径Dw端面倾斜度ΔfDw≤60手工焊≤0.5机械焊≤0.360<Dw≤108≤0.8108<Dw≤159≤1.0159≤Dw≤219≤1.5Dw>219≤2.04.2弯头第2页共17页文件名称(TITLE):文件号:REVDATENAMEDocumentNumber:Prepared锅炉管子制造通用工艺守则OCD-TE-0020CheckedApproved4.2.1弯头内侧表面的波浪度δ(图2)应符合表4的规定,波浪间距t应大于4δ。图2表4公称外径DwDw<76Dw=7676<Dw≤133133<Dw≤159159<Dw≤273273<Dw≤377Dw=377Dw>377波浪度δ≤2≤3≤4≤5≤6≤7≤9≤114.2.2弯头外侧允许的壁厚减薄量按下式计算:外侧允许减薄至:Sa≥S×式中:Sa:弯头外侧壁厚;R:平均弯曲半径;Dw:管子公称外径;S:直管的计算壁厚(按名义壁厚采购的管子,可用管子名义壁厚减去负偏差来计算;按最小壁厚采购的管子,可直接用管子的最小壁厚来计算)。第3页共17页文件名称(TITLE):文件号:REVDATENAMEDocumentNumber:Prepared锅炉管子制造通用工艺守则OCD-TE-0020CheckedApproved4.2.3公称外径小于或等于60mm的管子,弯制后应按OCD-TE-009《管子通球试验工艺守则》进行通球试验。4.2.4公称外径大于60mm的管子,弯后应检查其圆度,弯头圆度按下式计算:圆度=×100%式中:Dmax:弯头顶点上测得的最大外径mmDmin:在Dmax同一横截面上测得最小外径mm考核标准如下:a.成排弯管子圆度≤12%(成排弯管屏可用通球代替圆度检查)。b.其它管子:当R/Dw<2.5时,圆度≤12%。当R/Dw≥2.5时,圆度≤10%。4.2.5弯头弯曲角度的偏差按下列规定:a.平面弯头:其弯曲角度偏差不超过±1°。b.空间弯头:当斜势角θ为90°时,弯曲角度偏差不超过±1°;当斜势角θ不成90°时,弯曲角度偏差...

1、当您付费下载文档后,您只拥有了使用权限,并不意味着购买了版权,文档只能用于自身使用,不得用于其他商业用途(如 [转卖]进行直接盈利或[编辑后售卖]进行间接盈利)。
2、本站所有内容均由合作方或网友上传,本站不对文档的完整性、权威性及其观点立场正确性做任何保证或承诺!文档内容仅供研究参考,付费前请自行鉴别。
3、如文档内容存在违规,或者侵犯商业秘密、侵犯著作权等,请点击“违规举报”。

碎片内容

锅炉管子制造通用工艺守则-OCD-TE-002

确认删除?
VIP
微信客服
  • 扫码咨询
会员Q群
  • 会员专属群点击这里加入QQ群
客服邮箱
回到顶部