电脑桌面
添加小米粒文库到电脑桌面
安装后可以在桌面快捷访问

工程督导手册VIP免费

工程督导手册_第1页
1/55
工程督导手册_第2页
2/55
工程督导手册_第3页
3/55
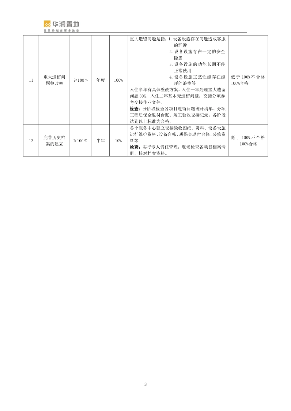
华润置地(成都)物业服务有限公司工程品质督导手册本版生效日期:2010年11月1日第一部分:工程专业口关键指标1序号内容管控指标检查方式检查频率检查比例检查方法评价标准1关键设备故障发生次数≤3次/年年度100%电梯、变配电设备、二次供水设备、消防设备等设备出现故障会给客户的日常生活带来直接影响,定义为关键设备检查:按故障对客户生活和工作造成影响程度或造成客户的有效投诉次数决定,检查设备维修记录、突发事件记录、项目当年系统中记录的设备故障有效投诉。<3次/年为合格>3次/年不合格2设备事故发生率≤0年度100%设备事故造成投诉,财产损失,人员伤害的设备事故。检查:突发事件记录无设备事故发生为合格3能耗管理≤0.2元/㎡月度100%住宅小区多层能耗控制在0.2元每平方米内,高层能耗控制在0.2-0.4元每平方米内。新项目接管三月内开始能耗改造,一年内完成。检查:各项目每月能耗分析报表。注:2010年12月前完成能耗的考核标准及制度<0.2元/㎡合格>0.2元/㎡不合格4入户维修及时率≥98﹪月度10%入户维修及时率必须达到98﹪检查:每月对各项目客户日常报事记录、工程部维修记录进行检查,按月总报事量的10%进行抽检,全部合格为达标。低于98%不合格98%合格5维修返工率≤1﹪月度10%维修返工率应控制在1﹪以下检查:每月对各项目客户报事记录、客户回访记录、工程部维修记录进行检查,按月维修量的10%进行抽检,维修返工率部高于1﹪未合格高于1%不合格100%合格6违章操作事故率≤0年度100%严格按照公司工程安全手册及工程作业文件对设备设施进行操作,彻底杜绝违章操作检查:对各项目现场检查、并检查相关值班记录、突发事件处理记录无违章操作事故为合格7外包服务合格率≥98﹪年度100%对项目外包的工程按照国家相关标准,结合集团标准及物业公司具体使用情况,对各项目外包服务合同,检查:设备设施维修保养计划、记录检查、现场查看设备运行状况,对应相关设备设施外包单位评审低于98%不合格100%合格8外检设备、工具合格率≥100﹪年度100%按照国家标准及公司要求定期对需要外检的设备设施进行检测检查:对各项目设备台账、检测记录、检测合格证、进行检查。低于100%不合格100%合格9突发事件上报及时率≥100﹪年度100%发生突发事件2小时内上报公司,工程主管必须在事故处理完毕后一小时内填写《突发(特别)事件处理记录表》,如不能书面报告可采取电话汇报,但仍需在24小时内后补填《突发(特别)事件处理记录表》。检查:对各项目值班记录、突发事件处理记录进行检查、设备运行记录,查看有无未报突发事件,如有一单未报视为不合格。低于100%不合格100%合格10关键设备设施维修及时率≥100﹪年度100%对各项目设备台账、值班记录、设备维修记录进行检查,所有重要设备的维修及时率必须达到100%检查:对各项目值班记录、突发事件处理记录进行检查、设备运行记录,查看有无未报突发事件,如有一单未报视为不合格。低于100%不合格100%合格211重大遗留问题整改率≥100﹪年度100%重大遗留问题是指:1.设备设施存在问题造成客服的群诉2.设备设施存在一定的安全隐患3.设备设施的功能长期不能正常使用4.设备设施工艺性能存在能耗的浪费等入住半年有具体整改方案,入住一年处理重大遗留问题80%,入住二年基本无遗留问题,交接分项参考交接作业文件。检查:分阶段检查各项目遗留问题统计清单、分项工程质保金退付台账、竣工验收交接记录,各阶段达到以上标准为合格。低于100%不合格100%合格12完善历史档案的建立≥100﹪半年10%各个服务中心建立交接验收图纸、资料、设备设施运行维护资料、设备台帐、质保金退付台帐、装修资料等检查:实行专人责任管理,现场检查各项目档案清册,核对档案资料。低于100%不合格100%合格3第二部分:工程作业文件执行督导标准一.阶段性检查文件番号检查内容检查方式检查频率检查比例检查方法评价标准CRWY/QE作业文件/工程15接管验收作业文件成立物业接管工作小组,由项目经理任组长,工程主管为副组长,小组成员由相关部门负责人组成,按专业设立资料组、工程土建组和机电组,品质管理中心与专业委员会技术支持配合,服务中心组织编制物业接管计划...

1、当您付费下载文档后,您只拥有了使用权限,并不意味着购买了版权,文档只能用于自身使用,不得用于其他商业用途(如 [转卖]进行直接盈利或[编辑后售卖]进行间接盈利)。
2、本站所有内容均由合作方或网友上传,本站不对文档的完整性、权威性及其观点立场正确性做任何保证或承诺!文档内容仅供研究参考,付费前请自行鉴别。
3、如文档内容存在违规,或者侵犯商业秘密、侵犯著作权等,请点击“违规举报”。

碎片内容

工程督导手册

您可能关注的文档

确认删除?
VIP
微信客服
  • 扫码咨询
会员Q群
  • 会员专属群点击这里加入QQ群
客服邮箱
回到顶部