电脑桌面
添加小米粒文库到电脑桌面
安装后可以在桌面快捷访问

装饰工程定额讲义VIP免费

装饰工程定额讲义_第1页
1/17
装饰工程定额讲义_第2页
2/17
装饰工程定额讲义_第3页
3/17
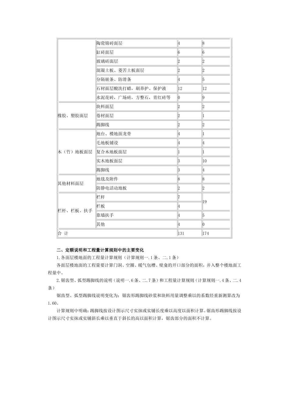
编制说明编制概况一、章、节、子目的设置2011装饰工程预算定额章、节划分情况总表-1章号章名称节子目数节数内容第一章楼地面工程61.整体面层;2.块料面层;3.橡胶、塑胶面层;4.木(竹)地板面层;5.其他材料面层;6.栏板、栏杆、扶手131第二章墙、柱面工程71.墙柱面一般抹灰及勾缝;2.墙柱面装饰抹灰;3.砂浆厚度调整及其他;4.墙柱面镶贴块料面层;5.墙柱面装饰;6.隔墙、隔断;7.幕墙417第三章天棚工程71.天棚抹灰;2.天棚龙骨;3.天棚基层;4.天棚面层;5.其他天棚吊顶;6.采光天棚;7.灯槽、风口122第四章门窗工程91.木门窗制作安装;2.钢门窗制作安装;3.装饰门扇制作安装;4.全玻璃门(扇)制作安装;5.落地固定窗制作安装;6.成品门窗安装;7.门钢架制作安装;8.木装饰及其他;9.门窗五金361第五章油漆、涂料、裱糊工程51.木材面油漆;2.金属面油漆;3.抹灰面油漆、涂料;4.裱糊;5.其他244第六章其他工程61.柜台、货架;2.压条、装饰线;3.招牌、灯箱;4.美术字;5.其他;6.成品保护226合计401501二、定额水平的变化经测算定额水平变化不大,2011装饰工程预算定额较2005装饰消耗量定额水平仅提高了3%。三、定额人工、材料、机械台班消耗量的确定1.人工消耗量的确定本次人工消耗量计算主要依据2008和1985劳动定额,对于劳动定额缺项的子目仍是通过参考省2005年消耗量定额和全国装饰工程消耗量定额、外省最新装饰定额等经过统计分析,综合确定人工消耗量。2.材料消耗量的确定凡能计量的材料、成品、半成品本次定额中同样都按品种、规格逐一在定额子目中列出数量,并计入了相应损耗。对于用量极小,难以用数量表示的零星材料,本次定额中是统一以其他材料费的形式表现的。和2005消耗量定额略有不同。3.机械台班消耗量的确定以手工操作为主的项目,其工人班组所配备的施工机械,是以小组产量来计算机械台班量的,并且不计幅度差。机械原值在2000元以内、使用年限在2年以内、不够成固定资产的小型机械和消耗性工具,本次仍然没有列入定额子目中,在费用定额的工具用具使用费中统一考虑。四、总说明中的变化1.增加人工、材料、机械台班单价确定的说明说明五.2条:人工单价是根据建设部、财政部建标[2003]206号文件规定的人工费组成并结合我省劳动力市场因素综合确定的。说明六.3条:材料价格是按2011年《太原地区建设工程材料预算价格》为依据,结合全省情况综合取定。说明七.2条:本定额机械台班单价,是根据2001年国家颁布的《全国统一施工机械台班费用编制规则》,结合我省机械情况编制的。2.总说明第8.1条:依据2008劳动定额,层高按3.3m考虑;除垂直运输及超高补贴费率注明其适用高度外,均是按建筑物檐口高度20m以下编制的。3.总说明第8.2条:子目中包括了3.3m层高以内的简易脚手架的搭拆,层高超过3.3m时,脚手架的搭拆重新计算,根据施工组织设计另执行建筑工程预算定额相应子目,装饰定额子目中已包括简易脚手架的搭拆费用不扣除。4.总说明第8.3、8.4条和相应的表:垂直运输改为按人力运输和机械运输综合考虑,实际不同时不做调整。垂直运输和超高增加费按檐口高度对应费率计算。垂直运输费率已综合考虑了地下两层装修的垂直运输,不论实际工程是否有地下室的装修,均不做调整。5.总说明第9条:本定额是按在新建工程的基层面上进行装饰考虑的。如进行二次或再次装饰时,由于在旧基层面上施工实际存在着差异,可由建设单位与施工单位在增加人工15%的幅度内协商确定。增加的人工可作为计费基础参与取费。第一章:楼地面工程一、概况本章包括整体面层、块料面层、橡胶塑胶面层、木(竹)地板面层、其他材料面层和栏杆、栏板、扶手共六节。小节、子目的划分情况见表1-1。第一章小节、子目划分情况表1-1节小节子目数本预算定额原消耗量定额整体面层水泥砂浆面层911现浇水磨石面层、1010明沟02块料面层大理石面层918花岗岩面层918预制水磨石块面层44瓷质地砖面层108陶瓷锦砖面层48缸砖面层66玻璃砖面层22混凝土板、菱苦土板面层22分隔嵌条、防滑条45石材面层酸洗打蜡,刷养护、保护液1212水泥花砖,广场砖,方整石,青红砖等09橡胶、塑胶面层块料面层22卷材面层21踢脚线22木...

1、当您付费下载文档后,您只拥有了使用权限,并不意味着购买了版权,文档只能用于自身使用,不得用于其他商业用途(如 [转卖]进行直接盈利或[编辑后售卖]进行间接盈利)。
2、本站所有内容均由合作方或网友上传,本站不对文档的完整性、权威性及其观点立场正确性做任何保证或承诺!文档内容仅供研究参考,付费前请自行鉴别。
3、如文档内容存在违规,或者侵犯商业秘密、侵犯著作权等,请点击“违规举报”。

碎片内容

装饰工程定额讲义

您可能关注的文档

确认删除?
VIP
微信客服
  • 扫码咨询
会员Q群
  • 会员专属群点击这里加入QQ群
客服邮箱
回到顶部