电脑桌面
添加小米粒文库到电脑桌面
安装后可以在桌面快捷访问

蒸压灰砂砖GB11945-1999VIP免费

蒸压灰砂砖GB11945-1999_第1页
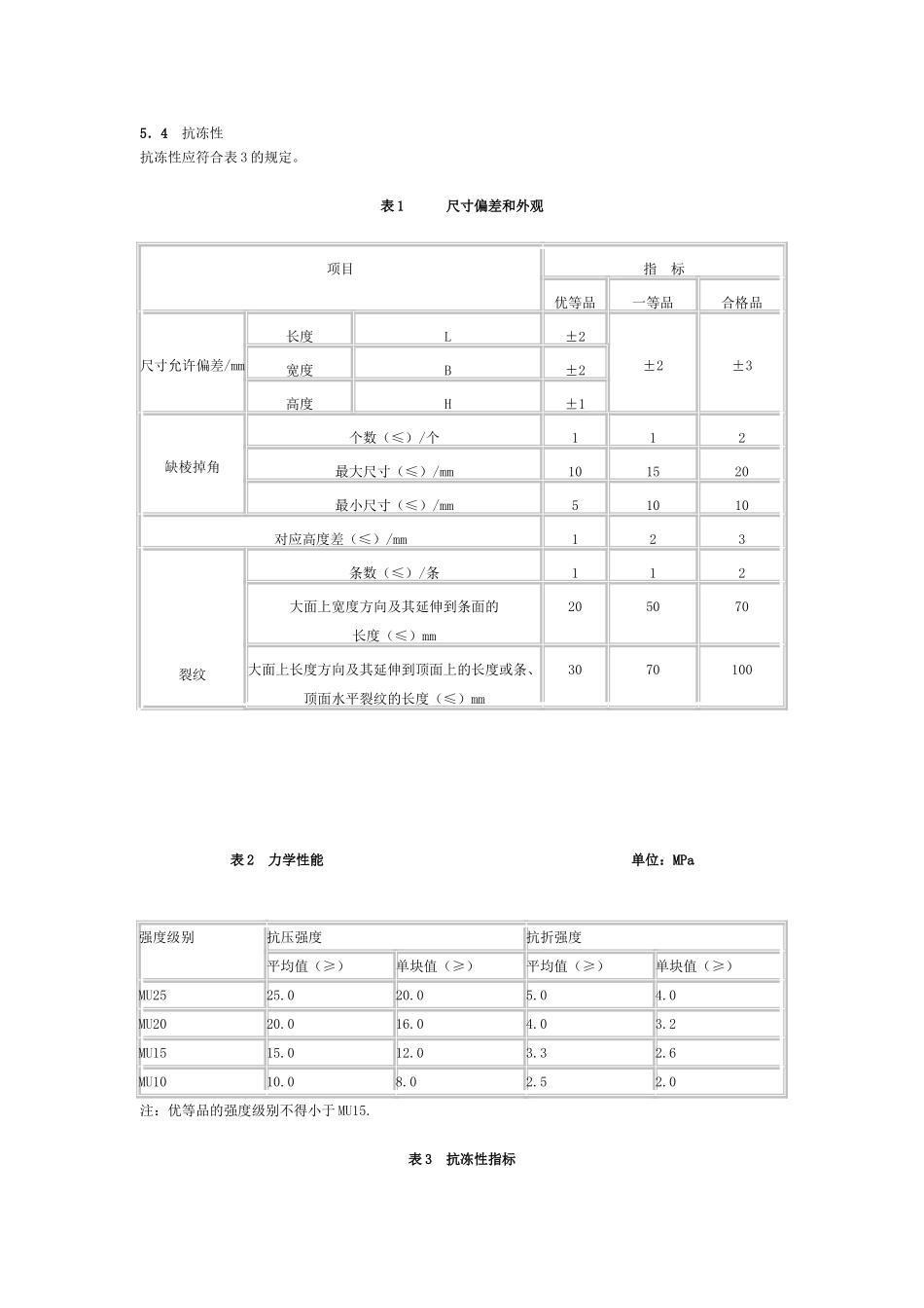
1/4
蒸压灰砂砖GB11945-1999_第2页
2/4
蒸压灰砂砖GB11945-1999_第3页
3/4
蒸压灰砂砖(GB11945—1999)1范围本标准适用于蒸压灰砂砖(以下简称灰砂砖)的产品分类、技术要求、试验方法、检验规则、产品合格证、堆放和运输。本标准适用于石灰和砂为主要原料,允许掺入颜料和外加剂,经坯料制备、压制成型、蒸压养护而成的实心灰砂砖。2引用标准下列标准所包含的条文,通过在本标准中引用而构成为本标准的条文。本标准出版时,所示版本均为有效。所用标准都会被修订,使用本标准的各方应探讨使用下列标准最新版本的可能性。GB/T2542—1992砌墙砖试验方法JC/T621—1996硅酸盐建筑制品用生石灰JC/T622—1996硅酸盐建筑制品用砂3分类3.1根据灰砂砖的颜色分为:彩色的(Co)、本色的(N)。3.2规格3.2.1砖的外形为直角六面体。3.2.2砖的公称尺寸长度240mm,宽度115mm,高度53mm,生产其他规格尺寸产品,由用户与生产厂协商确定。3.3等级3.3.1强度级别根据抗压强度和抗折强度分为:MU25、MU20、MU15、MU10。3.3.2质量等级根据尺寸偏差和外观质量、强度及抗冻性分为:①优等品(A)②一等品(B)③合格品(C)3.4产品标记灰砂砖产品标记采用产品名称(LSB)、颜色、强度级别、产品等级、标准编号的顺序进行,示例如下:强度级别为MU20,优等品的彩色灰砂砖LSBCo20AGB119543.5用途3.5.11MU15、MU20、MU25的砖可用于基础及其他建筑;MU10的砖仅可用于防潮层以上的建筑。3.5.2灰砂砖不得用于长期受热200℃以上,受急冷急热和有酸性介质侵蚀的建筑部位。4原材料4.1石灰应符合JC/T621中的有关规定。4.2砂应符合JC/T622中的有关规定。4.3颜料、外加剂应符合相关标准的规定,并不对产品性能产生有害影响。5技术要求5.1尺寸偏差和外观尺寸偏差和外观应符合表1的规定。5.2颜色颜色应基本一致,无明显色差,但对本色灰砂砖不作规定。5.3抗压强度和抗折强度抗压强度和抗折强度应符合表2的规定5.4抗冻性抗冻性应符合表3的规定。表1尺寸偏差和外观表2力学性能单位:MPa强度级别抗压强度抗折强度平均值(≥)单块值(≥)平均值(≥)单块值(≥)MU2525.020.05.04.0MU2020.016.04.03.2MU1515.012.03.32.6MU1010.08.02.52.0注:优等品的强度级别不得小于MU15.表3抗冻性指标项目指标优等品一等品合格品尺寸允许偏差/mm长度L±2±2±3宽度B±2高度H±1缺棱掉角个数(≤)/个112最大尺寸(≤)/mm101520最小尺寸(≤)/mm51010对应高度差(≤)/mm123裂纹条数(≤)/条112大面上宽度方向及其延伸到条面的长度(≤)mm205070大面上长度方向及其延伸到顶面上的长度或条、顶面水平裂纹的长度(≤)mm3070100强度级别冻后抗压强度平均值(≥)/MPa单块砖的干质量损失(≤)/%MU2520.02.0MU2016.02.0MU1512.02.0MU108.02.0注:优等品的强度级别不得小于MU15。6试验方法6.1技术要求中各项指标按GB/T2542中有关试验方法的规定进行。6.2颜色:从批量中随机抽36块灰砂砖,平放在地上,在自然光照下,距离样品1.5m外目测,有无明显色差。7检验规则7.1检验分类7.1.1产品检验分出厂检验和型式检验。7.1.2每批出厂产品必须进行出厂检验。7.1.3当产品有下列情况之一时应进行型式检验:①新厂生产试制定型检验;②正式生产后,原材料、工艺等发生较大改变,可能影响产品性能时;③正常生产时,每半年应进行一次;④出厂检验结果与上次型式检验结果有较大差异时;⑤国家质量监督机构提出进行型式检验时。7.2检验项目7.2.1出厂检验项目包括尺寸偏差和外观质量、颜色、抗压强度和抗折强度。7.2.2型式检验项目包括技术要求中全部项目。7.3批量同类的灰砂砖每10万块为一批,不足10万块亦为一批。7.4抽样7.4.1尺寸偏差和外观质量检验的样品用随机抽样法从堆场中抽取。其他检验项目的样品用随机抽样法从尺寸偏差和外观质量检验合格的样品中抽取。7.4.2抽样数量按表4进行。表4抽样数量7.5判定规则7.5.1尺寸偏差和外观质量项目抽样数量/块尺寸偏差和外观质量50(n1=n2=50)颜色36抗折强度5抗压强度5抗冻性5尺寸偏差和外观质量采用二次抽样方案,根据表1规定的质量指标,检查出其中不合格产品d1,按下列规则判定:d1≤5时,尺寸偏差和外观质量合格;d1...

1、当您付费下载文档后,您只拥有了使用权限,并不意味着购买了版权,文档只能用于自身使用,不得用于其他商业用途(如 [转卖]进行直接盈利或[编辑后售卖]进行间接盈利)。
2、本站所有内容均由合作方或网友上传,本站不对文档的完整性、权威性及其观点立场正确性做任何保证或承诺!文档内容仅供研究参考,付费前请自行鉴别。
3、如文档内容存在违规,或者侵犯商业秘密、侵犯著作权等,请点击“违规举报”。

碎片内容

蒸压灰砂砖GB11945-1999

您可能关注的文档

确认删除?
VIP
微信客服
  • 扫码咨询
会员Q群
  • 会员专属群点击这里加入QQ群
客服邮箱
回到顶部