电脑桌面
添加小米粒文库到电脑桌面
安装后可以在桌面快捷访问

识图复习资料VIP免费

识图复习资料_第1页
1/4
识图复习资料_第2页
2/4
识图复习资料_第3页
3/4
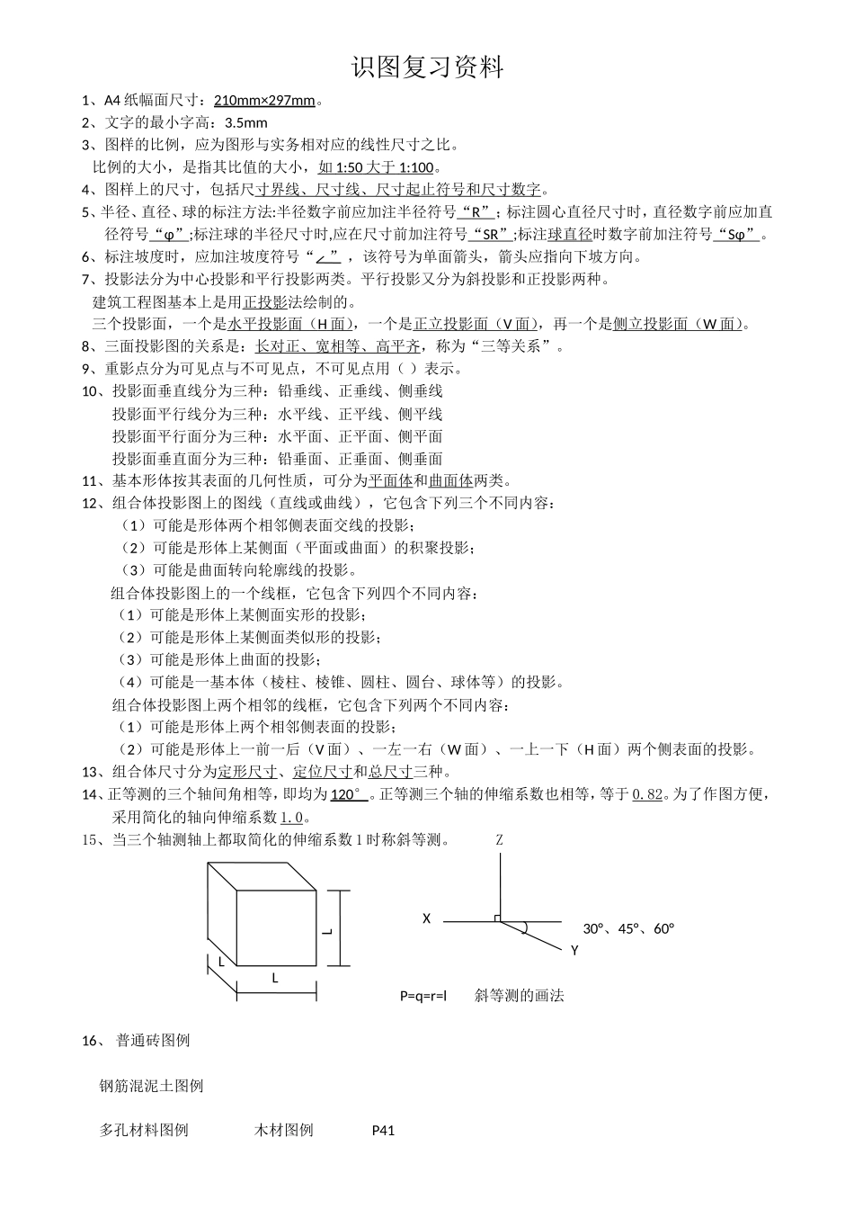
识图复习资料1、A4纸幅面尺寸:210mm×297mm。2、文字的最小字高:3.5mm3、图样的比例,应为图形与实务相对应的线性尺寸之比。比例的大小,是指其比值的大小,如1:50大于1:100。4、图样上的尺寸,包括尺寸界线、尺寸线、尺寸起止符号和尺寸数字。5、半径、直径、球的标注方法:半径数字前应加注半径符号“R”;标注圆心直径尺寸时,直径数字前应加直径符号“φ”;标注球的半径尺寸时,应在尺寸前加注符号“SR”;标注球直径时数字前加注符号“Sφ”。6、标注坡度时,应加注坡度符号“”,该符号为单面箭头,箭头应指向下坡方向。7、投影法分为中心投影和平行投影两类。平行投影又分为斜投影和正投影两种。建筑工程图基本上是用正投影法绘制的。三个投影面,一个是水平投影面(H面),一个是正立投影面(V面),再一个是侧立投影面(W面)。8、三面投影图的关系是:长对正、宽相等、高平齐,称为“三等关系”。9、重影点分为可见点与不可见点,不可见点用()表示。10、投影面垂直线分为三种:铅垂线、正垂线、侧垂线投影面平行线分为三种:水平线、正平线、侧平线投影面平行面分为三种:水平面、正平面、侧平面投影面垂直面分为三种:铅垂面、正垂面、侧垂面11、基本形体按其表面的几何性质,可分为平面体和曲面体两类。12、组合体投影图上的图线(直线或曲线),它包含下列三个不同内容:(1)可能是形体两个相邻侧表面交线的投影;(2)可能是形体上某侧面(平面或曲面)的积聚投影;(3)可能是曲面转向轮廓线的投影。组合体投影图上的一个线框,它包含下列四个不同内容:(1)可能是形体上某侧面实形的投影;(2)可能是形体上某侧面类似形的投影;(3)可能是形体上曲面的投影;(4)可能是一基本体(棱柱、棱锥、圆柱、圆台、球体等)的投影。组合体投影图上两个相邻的线框,它包含下列两个不同内容:(1)可能是形体上两个相邻侧表面的投影;(2)可能是形体上一前一后(V面)、一左一右(W面)、一上一下(H面)两个侧表面的投影。13、组合体尺寸分为定形尺寸、定位尺寸和总尺寸三种。14、正等测的三个轴间角相等,即均为120°。正等测三个轴的伸缩系数也相等,等于0.82。为了作图方便,采用简化的轴向伸缩系数1.0。15、当三个轴测轴上都取简化的伸缩系数1时称斜等测。Z30°、45°、60°YP=q=r=l斜等测的画法16、普通砖图例钢筋混泥土图例多孔材料图例木材图例P41LLLX17、剖视的剖切符号应由剖切位置线、投影方向线及编号组成。剖切位置线和投影方向线由粗实线绘制、编号宜采用阿拉伯数字,按顺序连续编排,并应注写在剖视方向线的端部。18、断面图可分为移出断面图、中断断面图和重合断面图。19、施工图的种类:建筑施工图,结构施工图,给水、排水、采暖、通风、电气等专业施工图。一套房屋施工图纸的编排顺序是:图纸目录、设计技术说明、总平面图、建筑施工图、结构施工图、水暖电施工图等。20、表示2号轴线之后表示A号轴线之前附加的第1根轴线附加的第3根轴线附加轴线21、(a)(b)(c)(d)平面图上的楼地面标高特殊情况时用于总平面图室外地坪标高同一位置注写多个标高数字22、索引符号:55522(a)(b)(c)用于索引剖面详图的索引符号:23445(a)(b)(c)23、绘制总平面图时都用较小比例,如1:500、1:1000、1:2000等。总平面图上的尺寸,是以m为单位。24、平面图上的线型粗细是分明的。凡是被水平剖切平面剖切到的墙、柱等断面轮廓线用粗实线画出,而粉刷层在1:100的平面图中是不画的。在1:50或比例恒大的平面图中粉刷层则用细实线画出。没有剖切到的可见轮廓线,如窗台、台阶、明沟、花台、梯段等用中实线画出。表示剖面位置的剖切位置线及剖视方向线,均用粗实线绘制。25、P63P64双层内外平开窗图例双扇双面弹簧门26、常用构件代号:板:B空心板:KB楼梯板:TB梁:L圈梁:QL过梁:GL楼梯梁:TL框架柱:KZ构造柱:GZ梯:T雨篷:YP阳台:YT基础:JJ103J103(9.600)(6.400)(3.200)1230A27、混凝土强度等级:16个强度等级(单选)C7.5C10C15C20C25C30C35C40C45C50C55C60C65C70C75C8028、标注钢筋的根数和直径如梁内受力筋和架立筋2Φ16钢筋直径(16mm)表示...

1、当您付费下载文档后,您只拥有了使用权限,并不意味着购买了版权,文档只能用于自身使用,不得用于其他商业用途(如 [转卖]进行直接盈利或[编辑后售卖]进行间接盈利)。
2、本站所有内容均由合作方或网友上传,本站不对文档的完整性、权威性及其观点立场正确性做任何保证或承诺!文档内容仅供研究参考,付费前请自行鉴别。
3、如文档内容存在违规,或者侵犯商业秘密、侵犯著作权等,请点击“违规举报”。

碎片内容

识图复习资料

您可能关注的文档

确认删除?
VIP
微信客服
  • 扫码咨询
会员Q群
  • 会员专属群点击这里加入QQ群
客服邮箱
回到顶部