电脑桌面
添加小米粒文库到电脑桌面
安装后可以在桌面快捷访问

供货范围明细表VIP免费

供货范围明细表_第1页
1/6
供货范围明细表_第2页
2/6
供货范围明细表_第3页
3/6
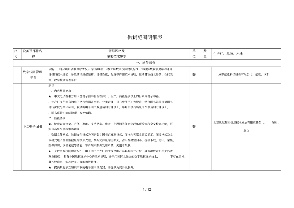
1/12供货范围明细表序号设备及部件名称型号规格及主要技术参数单位数量生产厂、品牌、产地一、软件部分数字校园管理平台依能符合山东省教育厅省级示范校和烟台市教育局数字校园建设标准。详细参数要求见第四部分:设备的技术性能、参数的详细描述第、设备性能、配置等详细技术说明,包括各项技术参数、性能表等)数字校园管理平台套成都依能科技股份有限公司、依能、成都中文电子图书超星一、内容数量要求★、中文电子图书万册(含电子图书管理软件),生产厂商能提供以上的目录内电子书籍。、生产厂商所拥有的电子书内容涵盖全面、分类合理;以《中图法》为规范、结合图书馆需求对图书进行深度分类和标引。收录的电子图书数量达到万种以上,年月日以后出版的图书达到万种以上。、图书质量:画面清晰,方便编辑。二、性能要求★、检索查询快捷、方便、准确。支持书名、作者、主题词等任意字段单项检索和全文检索功能,可实现高级组合检索等功能。、数据文件格式。数据文件格式为国家数字图书馆标准格式,图书内容原文原貌显示。图像格式及文本格式电子图书数据压缩技术先进,数据文件压缩比率大,占用存储空间小。提供下载、打印,采集、图像剪切、读书笔记等功能,客户端不限并发用户数,无副本限制。★、无数字版权问题或纠纷。电子图书生产厂商所提供的产品具有独立产权,具有出版社和相关作者双重授权,具有中国版权保护中心的版权证明,并采用国际上先进的数字版权保护技术,不存在版权、著作权隐患,实现数字内容的可控传播。★、提供具有独立知识产权的电子图书浏览器,并提供免费升级服务。套北京世纪超星信息技术发展有限责任公司、超星、北京2/12门户网站开发平台:体系架构开发服务器:、、服务器操作系统:、、等发行版本数据库管理系统:、客户端操作系统或浏览器:、手机及平板、或;及以上、、、等主流桌面以及移动浏览器。网站采用管理与显示相隔离的内容静态化设计,访客访问网站大部分内容时无需执行程序代码,不会产生数据库连接,最大程度保障了系统的安全性与稳定性。后台系统采用先进的设计,模块化架构,扩展性强;后台大量采用技术,具备优秀的用户体验。网站后台具备数据备份、木马查杀、管理日志等完善的管理工具,绝大部分管理操作都可以一键操作。网站后台支持栏目树无限层级的自由设置,支持自定义专题栏目,内容编辑功能支持内容模板、图文混编、音频、视频、动画增加、删除。网站系统可实现从简单的投票统计到复杂的问卷调查、在线互动问答等功能。网站前台支持动态图片新闻、图片集展示、视频播放等功能。支持与数字校园管理平台对接。套定制小计二、硬件支撑设备服务器、英寸工业标准机架式,国产品牌★、处理器:主频的核处理器,三级缓存:★、内存:内存,条扩展插槽,内存扩展★、硬盘:*硬盘,块盘,最大支持个寸或块寸硬盘扩展★、功能:外插独立卡,支持等级别;★、网卡:个千兆网卡(不占用插槽),支持连接,支持虚拟化技术、配件:光驱,机架安装导轨★、电源:电源输出功率金牌电源冗余电源台联想(北京)有限公司、联想、北京3/12、冷却系统:支持个冗余系统风扇★、扩展:扩展槽个插槽(个时最大支持个插槽)★、虚拟化支持:可选支持内置冗余卡,支持硬盘模式、故障诊断:具备故障诊断功能,可实现对内存硬盘网卡风扇温度电源等关键部件的故障诊断★、安全:支持的可信模块,配套数据保护盾软件★、信息安全资质:生产厂商具备《信息安全服务资质》安全工程一级、具备信息安全管理体系(基础架构服务和应用系统维护服务)认证,提供认证证书复印件并加盖生产厂商公章;★、客户服务资质:生产厂商服务体系通过信息技术服务管理体系认证和客户联络中心标准体系认证,提供认证证书复印件并加盖生产厂商公章;扫描采集设备产品类型:黑白激光多功能一体机;★涵盖功能:打印复印扫描;最大处理幅面:;★黑白打印速度:;分辨率:×;网络功能:支持无线有线网络打印;台理光(中国)投资有限公司、理光、深圳数字检测终端★四核芯以上处理器内存硬盘独显台戴尔(中国)有限公司、戴尔、厦门光纤厚德缆胜芯电信级M浙江揽盛通信科技有限...

1、当您付费下载文档后,您只拥有了使用权限,并不意味着购买了版权,文档只能用于自身使用,不得用于其他商业用途(如 [转卖]进行直接盈利或[编辑后售卖]进行间接盈利)。
2、本站所有内容均由合作方或网友上传,本站不对文档的完整性、权威性及其观点立场正确性做任何保证或承诺!文档内容仅供研究参考,付费前请自行鉴别。
3、如文档内容存在违规,或者侵犯商业秘密、侵犯著作权等,请点击“违规举报”。

碎片内容

供货范围明细表

您可能关注的文档

确认删除?
VIP
微信客服
  • 扫码咨询
会员Q群
  • 会员专属群点击这里加入QQ群
客服邮箱
回到顶部