电脑桌面
添加小米粒文库到电脑桌面
安装后可以在桌面快捷访问

保护装置录波大全解析VIP免费

保护装置录波大全解析_第1页
1/18
保护装置录波大全解析_第2页
2/18
保护装置录波大全解析_第3页
3/18
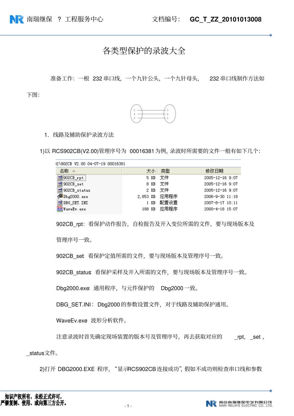
南瑞继保?工程服务中心文档名称:工程服务中心文档编号:保护装置录波大全GC_T_ZZ_20101013008编写卿旺平日期2010-10-13文档类型:技术文档审核XXX日期文档版本:1.00批准XXX日期文档密级:内部交流摘要:此文档是工程服务中心____保护装置录波大全_____。(标题)关键字:录波RM99版本及修订说明:日期版本描述编写人员校对人员2010-10-131.00首先建立文档卿旺平卿旺平南瑞继保?工程服务中心文档编号:GC_T_ZZ_20101013008-1-各类型保护的录波大全准备工作:一根232串口线,一个九针公头,一个九针母头,232串口线制作方法如下图:1.线路及辅助保护录波方法1)以RCS902CB(V2.00)管理序号为00016381为例,录波时所需要的文件一般有如下几个:902CB_rpt:看保护动作报告,自检报告及开入变位所需的文件,要与现场版本及管理序号一致。902CB_set:看保护定值所需的文件,要与现场版本及管理序号一致。902CB_status:看保护采样及开入所需的文件,要与现场版本及管理序号一致。Dbg2000.exe:通用程序,与元件保护的Dbg2000一致。DBG_SET.INI:Dbg2000的参数设置文件,对于线路及辅助保护通用。WaveEv.exe:波形分析软件。注意录波时首先确定现场装置的版本号及管理序号,再去获取对应的_rpt,_set,_status文件。2)打开DBG2000.EXE程序,“显示RCS902CB连接成功”,假如不成功则检查串口线和参数南瑞继保?工程服务中心文档编号:GC_T_ZZ_20101013008-2-设置,点击参数设置如下:端口号:与笔记本的串口号一致。波特率:要与装置参数里调试波特率一致。装置型号地址:线路及辅助保护设为fdffdo。cpu个数:线路及辅助保护cpu个数为1。芯片型号选择:线路及辅助保护选INTEL80296+ADSP21813)点击录波参数设置如上,只需设录波数据下载目录,一般设C盘,录波下载完后波形保存在C盘wave_data目录下。4)打开DBG2000.EXE程序,“显示RCS902CB连接成功”点击报告显示图标,显示如下窗口后点击按钮显示所有报告,假如要录故障序号为0这次波形,选中它后点击按钮就开始录波,录波结束波形分析软件会自动打开波形。此时波形就保存在C:\wave_data目录下,一般波形由以下四个文件构成,用南瑞继保?工程服务中心文档编号:GC_T_ZZ_20101013008-3-打开*.dat文件就可以打开波形。为了便于事故分析点击,同样点击后点击在点击,点击后点击在点击,点击后保存,这样就把装置里所有的跳闸,自检,开入变位还有定值保存下来了,保存的文件可以用记事本打开。南瑞继保?工程服务中心文档编号:GC_T_ZZ_20101013008-4-2.元件保护录波方法:(1)读取装置CPU板跳闸或起动录波数据1)以RCS978E(V3.03)管理序号为00015877为例,录波时所需要的文件一般有如下几个:978e3_rpt:看保护动作报告,自检报告及开入变位所需的文件,要与现场版本及管理序号一致。978e3_set:看保护定值所需的文件,要与现场版本及管理序号一致。978e3_status:看保护采样及开入所需的文件,要与现场版本及管理序号一致。Dbg2000.exe:通用程序与线路及辅助保护的Dbg2000一致。DBG_SET.INI:Dbg2000的参数设置文件,对于元件保护通用。Drawing.exe:波形分析软件。2)打开DBG2000.EXE程序,“显示RCS978E连接成功”,假如不成功则检查串口线和参数设置,南瑞继保?工程服务中心文档编号:GC_T_ZZ_20101013008-5-点击参数设置如下:端口号:与笔记本的串口号一致。波特率:元件保护一般设为9600。装置型号地址:元件保护设为7FFE0。cpu个数:元件保护cpu个数为2。芯片型号选择:元件保护选MC68332+ADSP21813)点击录波参数设置对于RCS978E如上,必须注意录波参数的设置。因为装置型号不同,录波参数中录波数据区首地址及录波数据区块大小有可能不同,具体请查询RCS978XX_rpt,RCS915XX_rpt中相关参数。注意RCS978XX_rpt中录波参数数据区块大小要取单次录波数据大小上限值除以3,RCS915XX_rpt中录波参数数据区块大小取单次录波数据大小下限值。南瑞继保?工程服务中心文档编号:GC_T_ZZ_20101013008-6-录波参数设置可参照下表装置型号录波参数(首地址/数据区块大小)RCS-978E/EN/EH/EC/G211EF00006000RCS-978CF/G511F3C0005700RCS-978EJ11E960005B80R...

1、当您付费下载文档后,您只拥有了使用权限,并不意味着购买了版权,文档只能用于自身使用,不得用于其他商业用途(如 [转卖]进行直接盈利或[编辑后售卖]进行间接盈利)。
2、本站所有内容均由合作方或网友上传,本站不对文档的完整性、权威性及其观点立场正确性做任何保证或承诺!文档内容仅供研究参考,付费前请自行鉴别。
3、如文档内容存在违规,或者侵犯商业秘密、侵犯著作权等,请点击“违规举报”。

碎片内容

保护装置录波大全解析

确认删除?
VIP
微信客服
  • 扫码咨询
会员Q群
  • 会员专属群点击这里加入QQ群
客服邮箱
回到顶部