电脑桌面
添加小米粒文库到电脑桌面
安装后可以在桌面快捷访问

公安一中高二年级~2015学年上学期期末复习卷VIP免费

公安一中高二年级~2015学年上学期期末复习卷_第1页
1/5
公安一中高二年级~2015学年上学期期末复习卷_第2页
2/5
公安一中高二年级~2015学年上学期期末复习卷_第3页
3/5
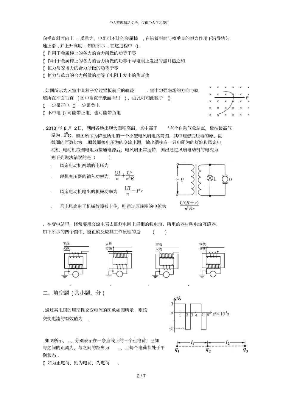
个人整理精品文档,仅供个人学习使用1/7公安一中高二年级~学年度上学期期末复习卷(一)一、选择题(本题包括小题,每小题分,共分。在每小题给出的四个选项中,有的只有一个选项正确,有的有多个选项正确,全部选对的得分,选对但不全的得分,有选错或不选的得分。).如图所示,电子在电势差为的加速电场中由静止开始运动,然后射人电势差为的两块平行极板间的电场中,入射方向跟极板平行,整个装置处在真空中,重力可忽略.在满足电子能射出平行板区的条件下,下述四种情况中一定能使电子的偏转角θ变大的是().()变大,变大()变小,变大()变大,变小()变小,变小.在点电荷的电场中,一个α粒子(He42)通过时的轨迹如图实线所示,、为两个等势面,则下列判断中正确的是().()可能为正电荷,也可能为负电荷()运动中.粒子总是克服电场力做功()α粒子经过两等势面的动能>()α粒子在两等势面上的电势能>.两只电压表和是由完全相同的两个电流计改装成的,表的量程是,表的量程是,把它们串联起来接人电路中.则()()它们的示数相等,指针偏转角度也相等()它们的示数之比为.指针偏转角度相等()它们的示数相等,指针偏转角度之比为()它们的示数之比、指针偏转角度之比均为.如图所示为万用表欧姆挡的原理示意图,其中电流表的满偏电流为μ,内阻Ω,凋零电阻最大阻值Ω,串联的固定电阻Ω,电池的电动势为.用它测量电阻,能准确测量的阻值范围是()()~Ω()~Ω()~Ω()~Ω.如图所示,抛物线、分别是纯电阻直流电路中,内、外电路消耗的电功率随电流变化的图线.由该图可知下列说法中错误的是()()电源的电动势为()电源的内电阻为Ω()电源输出功率最大值为()电源被短路时,电源消耗的最大功率可达.一束带电粒子沿水平方向飞过小磁针的下方,并与磁针指向平行,如图所示.此时小磁针的极向纸内偏转,则这束带电粒子可能是()()向右飞行的正离子束()向左飞行的正离子束()向右飞行的负离子束()向左飞行的负离子束.两根光滑的金属导轨,平行放置在倾角为θ的斜面上,导轨的下端接有电阻,导轨自身的电阻可忽略不计.斜面处在一匀强磁场中,磁场方个人整理精品文档,仅供个人学习使用2/7向垂直斜面向上.质量为、电阻可不计的金属棒,在沿着斜面与棒垂直的恒力作用下沿导轨匀速上滑,并上升高度,如图所示.在这过程中().()作用于金属棒上的各力的合力所做的功等于零()作用于金属棒上的各力的合力所做的功等于与电阻上发出的焦耳热之和()恒力与安培力的合力所做的功等于零()恒力与重力的合力所做的功等于电阻上发出的焦耳热.如图所示为云室中某粒子穿过铅板前后的轨迹.室中匀强磁场的方向与轨迹所在平面垂直(图中垂直于纸面向里),由此可知此粒子()()一定带正电()一定带负电()不带电()可能带正电,也可能带负电.2010年8月2日,湖南各地出现大面积高温,其中高于°有个自动气象站点,极端最髙气温为.60C,如图所示为降温所用的一个小型电风扇电路简图,其中理想变压器的原、副线圈的匝数比为,原线圈接电压为的交流电源,输出端接有一只电阻为的灯泡和风扇电动机,电动机线圈电阻为接通电源后,电风扇正常运转,测出通过风扇电动机的电流为,则下列说法错误的是().风扇电动机两端的电压为.理想变压器的输入功率为.风扇电动机输出的机械功率为.若电风扇由于机械故障被卡住,则通过原线圈的电流为.在变电站里,经常要用交流电表去监测电网上每相的强电流,所用的器材叫电流互感器。如下所示的四个图中,能正确反应其工作原理的是()....二、填空题(共小题,分).通过某电阻的周期性交变电流的图象如图所示。则该交变电流的有效值为..如图所示,、、分别表示在一条直线上的三个点电荷,已知与之间的距离为,与之间的距离为.,且每个电荷都处于平衡状态.()如为正电荷,则为电荷,为电荷.零线火线零线火线零线火线火线零线个人整理精品文档,仅供个人学习使用3/7()、、三者电量大小之比是..在“用电流表和电压表测定电池的电动势和内阻”实验中,某同学测得了七组数据(如下表).()根据表中实验数据在图中作出—图线;从图线中得出,电源电动势,内电阻Ω.()若一位同学未画出图线,只选用其中两组和的数据,根据公...

1、当您付费下载文档后,您只拥有了使用权限,并不意味着购买了版权,文档只能用于自身使用,不得用于其他商业用途(如 [转卖]进行直接盈利或[编辑后售卖]进行间接盈利)。
2、本站所有内容均由合作方或网友上传,本站不对文档的完整性、权威性及其观点立场正确性做任何保证或承诺!文档内容仅供研究参考,付费前请自行鉴别。
3、如文档内容存在违规,或者侵犯商业秘密、侵犯著作权等,请点击“违规举报”。

碎片内容

公安一中高二年级~2015学年上学期期末复习卷

您可能关注的文档

确认删除?
VIP
微信客服
  • 扫码咨询
会员Q群
  • 会员专属群点击这里加入QQ群
客服邮箱
回到顶部