电脑桌面
添加小米粒文库到电脑桌面
安装后可以在桌面快捷访问

动力循环及制冷循环VIP免费

动力循环及制冷循环_第1页
1/12
动力循环及制冷循环_第2页
2/12
动力循环及制冷循环_第3页
3/12
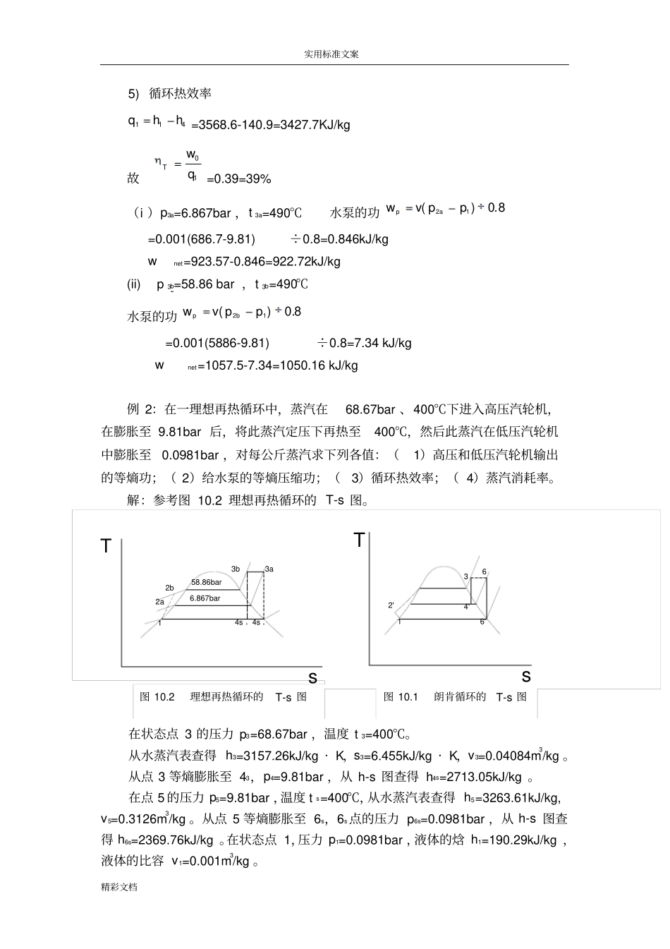
实用标准文案精彩文档第10章动力循环及制冷循环10.1本章基本要求1.熟练掌握水蒸气朗肯循环、回热循环、再热循环以及热电循环的组成、热效率计算及提高热效率的方法和途径。2.熟练空气和蒸汽压缩制冷循环的组成、制冷系数的计算及提高制冷系数的方法和途径。3.了解吸收制冷、蒸汽喷射制冷及热泵的原理。10.2例题例1:某朗肯循环的蒸汽参数取为1t=550C0,1p=30bar,2p=0.05bar。试计算1)水泵所消耗的功量,2)汽轮机作功量,3)汽轮机出口蒸汽干度,4)循环净功,5)循环热效率。解:根据蒸汽表或图查得1、2、3、4各状态点的焓、熵值:1h=3568.6KJ/kg1s=7.3752kJ/kgK2h=2236kJ/kg2s=7.3752kJ/kgK3h=137.8kJ/kg3s=0.4762kJ/kgK4h=140.9kJ/kg则1)水泵所消耗的功量为34hhwp=140.9-137.78=3.1kJ/kg2)汽轮机作功量21hhwt=3568.6-2236=1332.6kJ/kg3)汽轮机出口蒸汽干度2p=0.05bar时的'2s=0.4762kJ/kgK"2s=8.3952kJ/kgK.则'2"2'22ssssx0.87或查h-s图可得x=0.87.4)循环净功pTwww0=1332.6-3.1=1329.5kJ/kg实用标准文案精彩文档5)循环热效率411hhq=3568.6-140.9=3427.7KJ/kg故10qwT=0.39=39%(i)p3a=6.867bar,t3a=490℃水泵的功8.0)(12ppvwap=0.001(686.7-9.81)÷0.8=0.846kJ/kgwnet=923.57-0.846=922.72kJ/kg(ii)p3b=58.86bar,t3b=490℃水泵的功8.0)(12ppvwbp=0.001(5886-9.81)÷0.8=7.34kJ/kgwnet=1057.5-7.34=1050.16kJ/kg例2:在一理想再热循环中,蒸汽在68.67bar、400℃下进入高压汽轮机,在膨胀至9.81bar后,将此蒸汽定压下再热至400℃,然后此蒸汽在低压汽轮机中膨胀至0.0981bar,对每公斤蒸汽求下列各值:(1)高压和低压汽轮机输出的等熵功;(2)给水泵的等熵压缩功;(3)循环热效率;(4)蒸汽消耗率。解:参考图10.2理想再热循环的T-s图。在状态点3的压力p3=68.67bar,温度t3=400℃。从水蒸汽表查得h3=3157.26kJ/kg·K,s3=6.455kJ/kg·K,v3=0.04084m3/kg。从点3等熵膨胀至43,p4=9.81bar,从h-s图查得h4s=2713.05kJ/kg。在点5的压力p5=9.81bar,温度ts=400℃,从水蒸汽表查得h5=3263.61kJ/kg,v5=0.3126m3/kg。从点5等熵膨胀至6s,6s点的压力p6s=0.0981bar,从h-s图查得h6s=2369.76kJ/kg。在状态点1,压力p1=0.0981bar,液体的焓h1=190.29kJ/kg,液体的比容v1=0.001m3/kg。图10.1朗肯循环的T-s图图10.2理想再热循环的T-s图sT58.86bar6.867bar12a2b3b3a4s4sbaTs2'136'64'实用标准文案精彩文档(1)高压汽轮机输出的等熵功;wt(h)=h3-h4s=3157.26-2713.05=444.21kJ/kg低压汽轮机的输出功:wt(L)=hs-h6s=3263.61-2369.76=893.88kJ/kg(2)假设液体的比容保持常数,给水泵的等熵压缩功为:wp=v(p2s-p1)=0.001(6867-9.81)=6.857kJ/kg(3)循环的热效率:%9.37379.056.5501.2960857.688.89321.444)()()()()(4533126543sssssthhhhhhhhhhh(4)蒸汽耗率70.222.133136003600netwkg/kW·h4点的状态参数p4=37.278bar,t4=400℃,从水蒸汽表查得h4=3215.46kJ/kg。显然,由于汽轮机背压p2的提高使背压式蒸汽发电厂的循环热效率低于凝汽式蒸汽发电厂的循环热效率。但从能量利用的角度来看,背压循环的“能量利用系数”K又比凝汽循环高。工质从热源得到的能量已被利用的能量K凝汽循环409.01qwK背压循环(理想情况下)112qqwK实际上由于各种热损失和电、热负荷之间的不协调,一般K=0.7左右。例3:某蒸汽动力循环。汽轮机进口蒸汽参数为p1=13.5bar,t1=370℃,汽轮机出口蒸汽参数为p2=0.08bar的干饱和蒸汽,设环境温度t0=20℃,试求:(1)汽轮机的实际功量、理想功量、相对内效率;(2)汽轮机的最大有用功量、熵效率;(3)汽轮机的相对内效率和熵效率的比较。实用标准文案精彩文档解:先将所研究的循环表示在h-s图(图10.3)上,然后根据已知参数在水蒸气图表上查出有关参数:h1=3194.7kJ/kgs1=7.2244kJ/(kg·K)1.2577222hhhkJ/kg2295.8222ssskJ/(kg·K)9.1732hkJ/kg5926.02skJ/(kg·K)kgkJhhxhh/9.2259)9.17325771(8684.09.173)(22222(1)汽轮机的实际功量w12=h1-h2=3194.7-2577.1=617.6kJ/kg汽轮机的理想功量8.9349.22597.31942121hhwkJ/kg汽轮机的相对内效率661.08.9346.6172112wwri(2)汽轮机的...

1、当您付费下载文档后,您只拥有了使用权限,并不意味着购买了版权,文档只能用于自身使用,不得用于其他商业用途(如 [转卖]进行直接盈利或[编辑后售卖]进行间接盈利)。
2、本站所有内容均由合作方或网友上传,本站不对文档的完整性、权威性及其观点立场正确性做任何保证或承诺!文档内容仅供研究参考,付费前请自行鉴别。
3、如文档内容存在违规,或者侵犯商业秘密、侵犯著作权等,请点击“违规举报”。

碎片内容

动力循环及制冷循环

您可能关注的文档

爱的疯狂+ 关注
实名认证
内容提供者

该用户很懒,什么也没介绍

确认删除?
VIP
微信客服
  • 扫码咨询
会员Q群
  • 会员专属群点击这里加入QQ群
客服邮箱
回到顶部